Выбор схемы балочной клеткиРефераты >> Строительство >> Выбор схемы балочной клетки
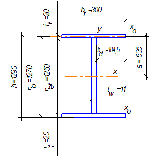
Принимаем толщину стенки
.
Установим высоту главной балки из условия экономичности, характеризующимся наименьшим расходом металла. Определяем оптимальную высоту балки по формуле:
,
где k = 1,15 – конструктивный коэффициент.
Определяем высоту балки из условий жесткости:
Предельный прогиб установленный СНиП 2.01.07-85* для главных балок:
Принимаем высоту стенки балки[2] hef = 125 см.
Определяем минимальную толщину стенки из условия работы ее на срез:
,
где k = 1,2 - коэффициент, принимаемый с учетом работы поясов балки;
hef = 125 см - высота стенки балки;
- расчетное сопротивление стали срезу;
γс = 1 – коэффициент условий работы.
Принимаем толщину стенки балки
.
Толщину полки принимаем конструктивно tf = 20 мм, тогда высота главной балки h = 129 см.
Определяем требуемый момент инерции сечения балки по формуле:
,
где Wтр – требуемый момент сопротивления;
h – высота балки.
Определяем момент инерции стенки по формуле:
Требуемый момент инерции поясов определяем по формуле:
Определяем требуемую площадь пояса:
,
где h0 = 127 см – расстояние между осями поясов.
Находим ширину полки из отношения:
Принимаем сечения пояса[3] из универсальной стали 300х20.
Рекомендуемое отношение свеса пояса к толщине
Определяем фактические геометрические характеристики подобранного сечения балки. Статический момент инерции всей балки определяем по формуле:
,
где
- статический момент инерции полки;
А – площадь сечения полки;
расстояние между осями симметрии балки и полки.
Момент сопротивления сечения определяем по формуле:
Определяем нормальное напряжение из условия прочности:
Подобранное сечение балки удовлетворяет проверке прочности и не имеет недонапряженности больше 5%.
Изменение сечения составной сварной балки
Изменение сечения по длине балки целесообразно применять при длине пролета ≥ 12 м. В сварных конструкциях используют два варианта изменения сечения: за счет изменения ширины пояса или высоты стенки. Наибольший эффект дает изменение сечения на расстоянии 1/6 пролета от опоры:
Определяем расчетный момент на расстоянии х = 2,5м:
Определяем перерезывающую силу в сечении на расстоянии х = 2,5м:
Определяем требуемый момент сопротивления измененного сечения из условия прочности:
Требуемый момент инерции измененного сечения определяем по формуле:
Определяем требуемый момент инерции поясов:
Определяем требуемую площадь сечения одного пояса:
Находим ширину полки из отношения:
Согласно условию опирания балки должно выполняться условие
. Так как полученная ширина полки не удовлетворяет условия, принимаем лист сечением 200х20.
Определяем фактические геометрические характеристики измененного сечения балки.
Момент инерции уменьшенного сечения:
Момент сопротивления уменьшенного сечения:
Проверка прочности балки
Прочность балки проверяется в месте действия максимального момента, максимальной поперечной силы и в месте изменения сечения на совместное действие M и Q (нормальных и касательных напряжений).
Проверка прочности на опоре (сечение I-I)
Значение касательных напряжений τ в сечениях изгибаемых элементов должны удовлетворять условию:
,
где
;
S – статический момент сечения, определяемый по формуле:
Прочность балки на опоре обеспечена.
Проверка прочности балки в месте уменьшения сечения (сечениеII-II)
Проверяем прочность стыкового шва (соединяющего два листа) на растяжение:
Прочность стыкового шва обеспечена.
Проверяем прочность сечения на совместное действие нормальных и касательных напряжений. В соответствии с энергетической теорией прочности, проверку производим по приведенным напряжениям:
