Выбор схемы балочной клеткиРефераты >> Строительство >> Выбор схемы балочной клетки
При этом должно удовлетворяться условие
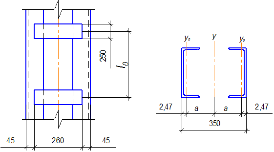
Проверяем устойчивость колонны по свободной оси, предварительно вычисляя геометрические характеристики
:
Момент инерции сечения:
,
где
.
Радиус инерции:
Гибкость:
Расчетную длину ветви, заключенную между планками определяем по формуле:
Ширина планки принимается в пределах
. Принимаем
.
Толщину планки определим по формуле:
Для вычисления приведенной гибкости относительно свободной оси необходимо проверить погонную жесткость ветви и планки:
где Js – момент инерции планки, определяем по формуле:
;
- расстояние между центрами планок;
- момент инерции ветви;
- расстояние между ветвями.
Согласно табл.7 СНиП II-23-81* приведенную гибкость
определяем по формуле:
Условие гибкости выполняется.
Определяем условную поперченную силу по формуле:
определяем по формуле 8 СНиП.
Рассчитываем планки на перерезывающую силу F и момент М1:
Крепление планки выполняем на ручной сварке электродами Э42 (
), катет шва принимаем
, длина шва
.
Определяем момент сопротивления
и площадь сечения шва
(с учетом расчетного сечения по металлу шва):
Проверяем прочность сварного шва от совместного действия перерезывающей силы и момента:
Тогда
Прочность сварного шва обеспечена.
Расчет и конструирование базы
Определяем размеры опорной плиты из условия смятия бетона под плитой фундамента:
где
- расчетное сопротивление бетона при местном сжатии, определяем по формуле
где
- коэффициент увеличения сопротивления бетона при смятии;
- расчетное сопротивление бетона сжатию[9], принимаем для бетона класса В12,5.
Предварительно принимаем
Тогда требуемая площадь плиты
Принимаем плиту размером 650х600мм,
; а верх фундамента размером 950х900мм,
.
Проверяем напряжение
Определяем толщину плиты
Плита работает на изгиб от равномерно распределенной нагрузки, равной:
Рассмотрим различные участки плиты.
Выделяем в консоли (участок I) плиту шириной 1 см и определяем момент
,
где с = 155мм – вылет консоли.
Проверяем работу II участка, опёртого по трем сторонам.
Проверяем работу III участка, опертого по четырем сторонам. Отношение ![]()
. Момент для полосы шириной 1 см в направлении короткой стороны определяем по формуле:
Для определения толщины плиты расчетный момент принимаем максимальный
.
Тогда требуемый момент сопротивления сечения плиты составит
Принимаем расчетное сопротивление
(для толщины листа t = 20…40 мм).
Момент сопротивления сечения при b = 1 см определяем по формуле
Толщину плиты определяем по формуле:
Принимаем толщину плиты в соответствии с сортаментом
.
