Одноэтажное каркасное промышленное зданиеРефераты >> Строительство >> Одноэтажное каркасное промышленное здание
Определение смещаемости каркаса.
Каркасы, имеющие связевые элементы, или без них, в которых влияние перемещения узлов на расчетные моменты и усилия незначительно (не превышает 5%) относятся к несмещаемым. В других случаях они называются смещаемыми (податливыми).
Где
,
- суммарная вертикальная реакция и сдвигающая расчетные силы в поперечной раме.
- взаимное смещение верха и низа колонн рассматриваемого этажа от силы
,
- высота колонны.
Так как влияние перемещений узлов на расчетные моменты и усилия превышают 5%, то каркас смещаемый и его расчет необходимо вести согласно п. п.7,1,3,17-7,1,3,21 СНБ 5,03,01-02, Однако при этом требуется многократное вычисление критических сил во всех колоннах рам при различных комбинациях нагрузок. В связи с этим дальнейший расчет колонн выполняем, применяя требования норм, относящиеся к несмещаемым каркасам. Расчет выполняем согласно п. п.7,1,3,14-7,1,3,16 СНБ 5,03,01-02.
3.2 составление расчетных сочетаний нагрузок для подбора сечений надкрановой и подкрановой частей колонны
Расчетные сочетания нагрузок составляются следующим образом:
- нагрузка от собственного веса;
- доминирующая нагрузка (в нашем случае - крановая);
- остальные нагрузки с коэффициентом сочетания
, принимаемым по таблице А.1 приложения А СНБ 5,03,01-02,
Расчетные комбинации усилий в сечениях рассчитываемой колонны.
|
Сечение |
I-I |
II-II | |||||||||||||
|
Усилие |
M |
N |
V |
∑Ni |
∑Vi |
∑Ti |
Q |
M |
N |
V |
∑Ni |
∑Vi |
∑Ti |
Q | |
|
№ загр. |
1,2* |
1,2*,3 | |||||||||||||
|
MMAX (N,V соотв) |
107.48 |
-817.75 |
-7.83 |
-2365.5 |
0 |
0.7 |
- |
199.84 |
-843.55 |
-37.83 |
-2365.5 |
-216.5 |
98.3 |
0.06 | |
|
Сечение |
III-III |
IV-IV | |||||||||||||
|
Усилие |
M |
N |
V |
∑Ni |
∑Vi |
∑Ti |
Q |
M |
N |
V |
∑Ni |
∑Vi |
∑Ti |
Q | |
|
№ загр. |
1,2*,4 |
1,3 | |||||||||||||
|
MMAX (N,V соотв) |
-181.43 |
-1082.55 |
26.97 |
2365.5 |
216.5 |
-96.9 |
0.059 |
1160.8 |
-1072.5 |
-123.8 |
-2145 |
-216.5 |
98.2 |
0.054 | |
Расчетные нагрузки для расчета фундамента получаем из значений M, N, V для сечения IV-IV и делим на 1.4
M = 1160.8/1.4 = 829.14 кН. N = - 1072.5/1.4 = - 766.07 кН.
V = - 123.8/1.4 = - 88.43 кН.
Так как каркас во всех случаях смещаемый то:
4. Расчет колонны
4.1 расчет подкрановой части
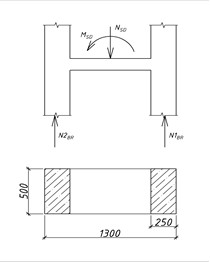
На подкрановую часть колонны действуют:
NSD=1072.5 кН; MSD=1225.65 кН м.
Найдем усилия в ветвях колонны:
Выполним расчет арматуры в каждой ветви как во внецентренно сжатом элементе.
,
При симметричном армировании:
тогда:
Найдем
по формуле
Так как
то:
Так как
то имеем случай больших эксцентриситетов.
Принимаем 2 стержня диаметром 20 мм AS! =628 мм2.
