Проект балочной площадкиРефераты >> Строительство >> Проект балочной площадки
Содержание
Исходные данные
1. Выбор схемы балочной клетки
2. Расчет стального настила
3. Компоновка балочной клетки
4. Определение высоты и размеров главной балки
5. Расчет соединения поясов со стенкой
6. Изменение сечения балки по длине
7. Правка местной и общей устойчивости элементов главной балки
8. Расстановка ребер жесткости
9. Расчет монтажного стыка главной балки
10. Расчет опорной части главной балки
11. Подбор и компоновка сечения сквозной колонны
12. Расчет базы колонны
13. Расчет оголовка колонны
Литература
Исходные данные
1. Шаг колонн в продольном направлении, А = 15 м.
2. Шаг колонн в поперечном направлении, В = 6 м.
3. Габариты площадки в плане, 3А×3В.
4. Отметка верха настила – 11 м.
5. Величина полезной нагрузки, р = 22 кН/м2.
6. Допустимый относительный прогиб настила 1/200.
7. Тип колонны: сквозная.
1. Выбор схемы балочной клетки
Балочная клетка представляет собой систему пересекающихся несущих балок, предназначенных для опирания настила перекрытий. В зависимости от схемы расположения балок балочные клетки подразделяются на 3 типа: упрощенные, нормальные и усложненные. В упрощенной балочной клетке нагрузка от настила передается непосредственно на балки, располагаемые параллельно короткой стороне перекрытия, затем на вертикальные несущие конструкции (стены, стойки). В балочной клетке нормального типа балки настила опираются на главные балки, а те на колонны или другие конструкции. В усложненной балочной клетке балки настила опираются на вспомогательные, которые крепятся к главным балкам.
Толщина настила зависит от полезной нагрузки:
при полезной нагрузке 10 кПа – tн = 6 мм
при полезной нагрузке 10 – 20 кПа – tн = 8 мм
при полезной нагрузке более 20 кПа – tн = 10 мм.
Тип балочной клетки выбирают путем анализа различных вариантов, сравнивая расход металла, технологические требования.
2. Расчет стального настила
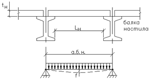
tн – толщина настила; f – прогиб; lн – допустимый пролет; а.б.н. – шаг балок настила
При временной распределенной нагрузке 22 кПа принимаем толщину настила 10 мм.
Толщина настила на изгиб с распором можно вычислить приближенно из условия заданного предельного прогиба по формуле:
где
Е1 – цилиндрическая жесткость настила.
При коэффициенте Пуассона ν = 0,3 (для стали) Е1 определяется по формуле:
3. Компоновка балочной клетки
Сравним 2 варианта компоновки балочной клетки:
I вариант.
Пролет главной балки делим на 19 промежутков по 78,9 см.
Определяем вес настила, зная, что 1м2 стального листа толщиной 10 мм весит 78,5 кг.
g = 78,5 кг/м2 = 0,785 кН/м2
Нормативная нагрузка на балку настила:
qn = (pn + gn)·a = (22 + 0,785)·0,789 = 28,88 кН/м = 0,29 кН/см
Расчетная нагрузка на балку настила:
q = (np·pn +ng·gn)·a = (1,2·22 + 1,05·0,785)·0,789 = 21,48 кН/м
Расчетный изгибающий момент для балки настила длинной 6 м:
Требуемый момент сопротивления балки:
Принимаем двутавр №30 по ГОСТ 8239–72, имеющий: I = 7080 см4, W =472, вес g = 36,5 кг/м, ширину полки 13,5 см.
Проверяем на прогиб:
f = (5/384)·ql4/EI
Принятое сечение балки удовлетворяет условиям прогиба и прочности, т. к. W = 597 см3 > Wтр = 390,5 см3.
Общую устойчивость балок настила проверять не надо т. к. их сжатые пояса надежно закреплены в горизонтальном направлении приваренным к ним настилом.
Определяем расход металла на 1м2 перекрытия: настил – 78,5 кг/м2, балки настила g/a = 42,2/0,789 = 53,5 кг/м2.
Весь расход металла: 78,5 + 53,5 = 132 кг/м2 = 1,32 кН/м2.
Рисунок 1 – Схема блочной клетки (нормальный вариант)
II вариант (усложненная компоновка)
Рисунок 2 – Схема блочной клетки (усложненный вариант)
Принимаем настил, как и в I варианте.
Расстояние между балками настила а = 600/8 = 75 см < 78 см.
Пролет балки настила l = 3,75 м.
Нормативная и расчетная нагрузка на нее:
qн = (22 + 0,785)·0,750 = 17,1 кН/м = 0,171 кН/см.
q = (1,2·22 + 1,05·0,785)·0,75 = 20,42 кН/м
Расчетный изгибаемый момент и требуемый момент сопротивления балки
Примем I 20, имеющий: I = 1840 см4, W = 184 см3, g = 21 кг/м.
Проверяем только прогиб балки, т. к. W = 184 см3 > Wтр = 145 см3.
Принятое сечение удовлетворяет условиям прочности и прогиба.
Определяем нормативную и расчетную нагрузку на вспомогательную балку:
Определяем расчетный изгибающий момент и требуемый момент сопротивления вспомогательной балки:
Принимаем I 55, имеющий: I = 55150см4; W = 2000 см3
ширину и толщину полки
b = 18 см, t = 1,65 см, g = 89,8 кг/м
Т.к. W = 2000см3 > Wтр = 1873 см3, проверяем балку на прогиб
Затем проверяем общую устойчивость вспомогательных балок в середине пролета, в сечении с наибольшими нормальными напряжениями. Их сжатый пояс закреплен от поперечных смещений балками настила, которые вместе с приваренным к ним настилом образуют жесткий диск. В этом случае за расчетный пролет следует принимать расстояние между балками настила l0 = 75 см.
Исходя из условий формулы
![]()
в сечение l/2;
при τ = 0 и с1 = с получаем
Подставляя значения δ в формулу, получаем:
Поскольку 5,62 > 4,17, принятое сечение удовлетворяет требованиям прочности, устойчивости и прогиба.
