Проект балочной площадкиРефераты >> Строительство >> Проект балочной площадки
Аст = АР + tcт·bст = 39,2 + 1·19,45 = 58,65 см2
Iz = 1,4·283/12 + 19,45·13/12 = 2562 cм4
λ = hст/iz = 166/6,6 = 25,1 по приложению 7 (I) φ = 0,947
Рассчитываем прикрепление опорного ребра к стенке балки двусторонними швами полуавтоматической сваркой проволокой СВ – 08Г2. Предварительно находим параметры сварных швов и определяем минимальное значение β
. По таблице 5.1 (I) принимаем
= 215 МПа = 21,5 кН/см2; по прилож. 4 (I) –
=165 МПа = 16б5 кН/см2, по табл. 5.4. (I)
βш = 0,9; βс = 1,05
βш·
= 0,9·21,5 = 19,3 кН/см2 > βc·
= 1,05·16,5 = 17,32 кН/см2
Определяем катет сварных швов по формуле:
Принимаем швов kм = 7 мм.
Проверяем длину рабочей части шва:
lм = 85·βс·kм = 85·1,05·0,7 = 62,5 см < hcт = 166 см
Ребро привариваем к стенке по всей высоте сплошными швами.
11. Подбор и компоновка сечения сквозной колонны
Постоянная нагрузка от собственного веса колонны – 1,5 кПа. Расчетное усилие в стержне колонны:
N = 1,01·(np·p + ng·g) ·A·B = 1,01·(1,2·22 + 1,05·1,5) ·15·6 = 2540 кН
Длина колонны: l0 = 11 – 0,01 – 0,3 – 1,72 = 8,97 м
Зададимся гибкостью λ = 60 и находим φ = 0,785 (по прил 7 [1]), площадь сечения
Aтр = N/(φ·R) =2540/0,785·28 = 115,5 см2,
где R = 28 кН/м2 – расчетное сопротивление для стали марки Вст 3nc6 – 2 радиус инерции:
imp = l0/λ = 897/60 = 14,95
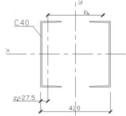
По сортаменту ГОСТ 8240 – 72* принимаем два швеллера 40 со значениями А = 2·61,5 = 123 см3; ix = 15,7 см.
Рассчитываем гибкость относительно оси х
λх = 897/15,7 = 57; φх = 0,800 (прил. 7)
Проверяем устойчивость относительно оси х
σ = N/φA = 2540/0,8·123 = 25,8 кН/м2 < R = 28 кН/см2
Рисунок 7 – Сечение сквозной колонны
Расчет относительно свободной оси.
Определяем расстояние между ветвями колонны из условий равноустойчивости колонны в двух плоскостях λпр = λх, затем требуемую гибкость относительно свободной оси у-у по формуле:
Принимаем гибкость ветви равной 30 и находим
Полученной гибкости соответствуют радиус инерции iy = 897/48 = 18,7 см; и требуемое расстояние между ветвями b = i·y/0,44 = 18,7/0,44 = 42 см
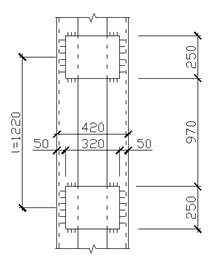
Полученное расстояние должно быть не менее двойной ширины полок швеллеров плюс зазор, необходимый для оправки внутренних поверхностей стержня bтр = 2·115 + 100 = 330 мм < 42 см, следовательно принимаем ширину колонны = 420 мм.
Проверка сечения относительно свободной оси.
Из сортамента имеет: I1 = 642 см4; i1 = 3,23 см; z0 = 2,68 см.
Iy = 2·[642 + 61,5·(21 – 2,75)2] = 42250 см4
Расчетная длина ветви lb = λ1·i1 = 30·3,23 = 97 см
Принимаем расстояние между планками 97 см м сечение планок 10×250 мм, тогда
Iпл = 1·253/12 = 1302 см4
Радиус инерции сечения стержня относительно свободной оси
Гибкость стержня относительно свободной оси
λу = 897/18,5 = 48,5
Для вычисления приведенной гибкости относительно свободной оси надо проверить отношение погонных жесткостей планки и ветви
Iпл/b0: I1/lв = Iпл·lв/I1b0 = 1302·122/642·36,5 = 6,7 >5
Здесь b0 = 42 – 2·2,75 = 36,5 см – расстояние между ветвями в осях.
Приведенную гибкость вычисляем по формуле при отношении погонных жесткостей планки и ветвей более 5.
Т.к. λпр = λх, напряжение можно не проверять, колонна устойчива в двух плоскостях.
Рисунок 8 – К проверке сечения относительно свободной оси
Расчет планок
Расчетная поперечная сила:
Qусл = 0,27А = 0,27·123 = 33,21 кН
Поперечная сила, приходящаяся на планку одной грани.
Qпл = Qусл/2 = 33,21/2 = 16,6 кН
Изгибающий момент и поперечная сила в месте прикрепления планки
Мпл = Qпл·lb/2 = 16,6·122/2 = 1012 кН·см
Fпл = Qlb/ba = 16,6·122/36,5 = 55,5 кН
Принимаем приварку планок к полкам швеллеров угловыми швами с катетом шва kш = 0,8 см.
= 200 МПа, βш = 0,8
Необходима проверка по металлу шва. Расчетная площадь шва
Ауш = kш·lш = 0,8·(25 – 2·0,8) = 18,72 см2
Момент сопротивления шва
Wш = kш·l2ш/6 = 0,8·(25 – 2·0,8)2/6 = 73 см3
Напряжение в шве от момента и поперечной силы:
σуш = Мпл/Wш = 1012/73 = 13,86 кН/см2
τуш = Fпл/Ауш = 55,5/18,72 = 2,9 кН/см2
Проверяем прочность шва по равнодействующему напряжению:
Размеры планки 320×250×10
12. Расчет базы колонны
Требуемая площадь плиты из условия смятия бетона найдем по формуле:
где Rсм.б = γ·Rb, для В 12,5 => Rb = 7,5 МПа: γ = 1,2
Rcм.б. = 1,2·7,5 = 9 МПа
Принимаем плиту размером 55×60 см
Апл = 55×60 = 3300 см2; σф = N/Aпл
σф = N/Aпл = 2540/3300·10-1 = 7,7 МПа < Rсм.б = 9 МПа
Толщину плиты принимаем из расчета отдельных участков.
М = σф·а2/2 = 770·92/2 = 31185 Н·см = 0,31 кН·м
Проверим работу среднего участка плиты 1, заключенного между ветвями и опертыми по четырем сторонам. Отношение сторон составит
b/a = 404/400 = 1,01
Требуемый момент сопротивления сечения плиты составит W = M/Ryγc = = 31185/20500 = 1,52 см3,
где Ry = 205 МПа – при толщине листов 21 – 40 мм.
При толщине табл. 5.5 (с. 137 II) вычисляем изгибающие моменты для полос шириной 1 см
Ма = α1·σф·а2 = 0,05·770·402 = 61600 Н·см
Мв = α2·σф·а2 = 0,048·770·402 = 59136 Н·см
при b/a = 1,01; α1 = 0,05; α2 = 0,048
Требуемую толщину плиты определяем по Ма:
Принимаем плиту толщиной 40 мм.
Высота листов траверсы:
h = N/βf·kш·Rушγс·nш = 2540000/0,7·1·18000·1·1·4 = 50,3 см
где kш = 10 мм, n = 4 – число швов.
Принимаем высоту траверсы = 50 см.
Анкерные болты принимаем конструктивно диаметром 24 мм.
