Проектирование несущих железобетонных конструкций многоэтажного промышленного зданияРефераты >> Строительство >> Проектирование несущих железобетонных конструкций многоэтажного промышленного здания
|
l0/hk |
6…12 |
16 |
20 |
|
j |
0,9 |
0,8 |
0,7 |
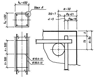
А - площадь поперечного (бетонного) сечения колонны: A = (bk) 2 = 452 = 2025 см2.
Rsc - расчётное сопротивление продольной арматуры сжатию; для арматуры класса A-III (А400) Rsc = 365 МПа.
As,tot - суммарная площадь продольной арматуры колонны, которую необходимо определить в результате расчёта.
Требуемая площадь продольной арматуры As,tot назначается из двух условий:
из условия прочности:
.
из условия обеспечения минимального коэффициента армирования
m min = 0,002 (0,2%): As,tot ³ 2A×m min = 2×2025×0,002 = 8,1 см2.
Принимаем по сортаменту As,tot = 10,18 см2 (4Æ18 A 400).
Устанавливаем 4 арматурных стержня по углам колонны (рис.5.1).
Допускается применять для армирования колонны 6 стержней, однако в данном случае этот вариант является менее выгодным.
5.2 Конструирование поперечной арматуры колонны
Поперечная арматура в колоннах устанавливается в целях:
Образования пространственных каркасов.
Предотвращения выпучивания продольных стержней.
Сдерживания поперечных деформаций бетона.
Диаметр поперечной арматуры d назначается из условия свариваемости с продольными арматурными стержнями диаметром D:
d ³ 0,25D = 0,25×18 = 4,5 мм. Принимаем поперечную арматуру Æ5 A 400.
Шаг поперечных арматурных стержней не должен превышать
s £ 20D = 20×18 = 360 мм; s £ 500 мм. Принимаем s = 350 мм (кратно 50 мм).
Для усиления концевых участков у торцов колонн дополнительно устанавливаем сетки косвенного армирования из арматуры Æ8 A-I, размер ячеек 50´50 мм. Назначаем 5 сеток с шагом 75 мм.
Толщина защитного слоя бетона аb для продольной рабочей арматуры колонны (см. рис.5.1) должна составлять (п.5.5 СНиП [2]):
не менее диаметра стержня: аb ≥ D = 18 мм,
не менее 20 мм: аb ≥ 20 мм.
Требуемое расстояние от наружной грани колонны до центра тяжести продольной арматуры: а ³ аb + 0,5D = 21 + 0,5·18 = 29 мм. Принимаем a = 30 мм, тогда
фактическая толщина защитного слоя: аb = а - 0,5D = 30 - 0,5·18 = 21 мм > 18 мм.
Толщина защитного слоя бетона аbw для поперечной арматуры колонны должна составлять (п.5.5 СНиП [2]):
не менее диаметра стержня: аbw ≥ d = 5 мм,
не менее 15 мм: аbw ≥ 15 мм.
Фактическая толщина защитного слоя: аbw = аb - d = 21 - 5 = 16 мм > 15 мм. Таким образом, требования по величине защитного слоя выполнены.
Рис.5.1 Размещение арматуры в поперечном сечении колонны.
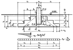
6. Расчёт и конструирование фундамента
6.1 Общие соображения
Проектируем отдельный монолитный фундамент мелкого заложения под колонну.
Основные понятия: обрез фундамента - это его верхняя грань, подошва фундамента - это нижняя грань, основание - это грунт под подошвой фундамента, глубина заложения подошвы фундамента - это расстояние от наружной поверхности земли до подошвы фундамента.
Глубина заложения подошвы фундамента назначается исходя из инженерно-геологических условий площадки строительства, климатических воздействий на верхние слои грунта (в том числе условий промерзания грунта), а также конструктивных особенностей возводимого и соседних сооружений и составляет (по заданию) df = 1,3 м.
Пол 1-го этажа выполняется по грунту. Заглубление обреза фундамента относительно уровня пола 1-го этажа: d0 = 0,15 м.
Высота фундамента: hf = df - d0 = 1,30 - 0,15 = 1,15 м.
Расчётное сопротивление грунта основания (по заданию):
R0 = 0,25 МПа = 250 кН/м2.
Средний удельный вес фундамента с грунтом на его уступах: gm = 20 кН/м3.
Классы бетона и арматуры для фундамента принимаются такими же, как и у ригеля перекрытия (п.4.1). Коэффициент длительности действия нагрузки gb2 = 0,9.
Под фундаментом предусматривается бетонная подготовка толщиной 100 мм из бетона класса В3,5.
Фундамент под колонну, сжатую со случайным эксцентриситетом, воспринимает в основном только продольную силу, поэтому его можно считать центрально нагруженным. Продольные усилия на уровне верха фундамента допускается принимать такими же, как на уровне пола 1-го этажа (п.2.4.4): нормативное усилие Nk.n = 1947 кН; расчётное усилие Nk = 2175 кН.
Центрально нагруженные фундаменты обычно проектируют квадратными в плане.
Внецентренно нагруженные колонны и фундаменты проектируют прямоугольными, при этом широкая сторона располагается в плоскости действия изгибающего момента.
Расчёт фундамента состоит из двух этапов. На первом из них проводится расчёт по несущей способности основания, в результате которого определяется площадь подошвы фундамента Af. На втором этапе выполняется расчёт по несущей способности самого фундамента, на основе которого определяются остальные размеры фундамента и площадь рабочей арматуры As,f.
6.2 Определение площади подошвы фундамента
Расчёт по несущей способности основания выполняется на действие нормативных нагрузок с учётом веса фундамента и грунта на его уступах. Расчёт производится из условия, что давление под подошвой фундамента pn не должно превышать расчётное сопротивление грунта основания R0:
.
Тогда требуемая площадь подошвы фундамента:
.
Необходимый размер стороны подошвы квадратного в плане фундамента:
,
принимаем af = 3,0 м = 3000 мм (кратно 100 мм).
Фактическая площадь подошвы фундамента: Af = 3002 = 90 000 см2.
Расчёт по несущей способности конструкции самого фундамента выполняется на действие расчётных нагрузок без учёта веса фундамента и грунта на его уступах. Напряжения под подошвой фундамента в этом случае:
.
6.3 Определение основных размеров фундамента
Высота фундамента hf = 1,15 м > 0,90 м, поэтому проектируем фундамент трёхступенчатым. Размеры ступеней назначаются таким образом, чтобы внутренние грани ступеней не пересекали прямую, проведённую под углом 45° к грани колонны на уровне верха фундамента (рис.6.1). Указанная прямая определяет границы так называемой пирамиды продавливания.
