Проектирование несущих железобетонных конструкций многоэтажного промышленного зданияРефераты >> Строительство >> Проектирование несущих железобетонных конструкций многоэтажного промышленного здания
|
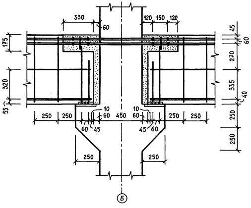
Опорный узел ригеля перекрытия
(М 1:20)
|
Панели перекрытий
|
Тип панели |
Размеры поперечного сечения, мм |
Нагрузка от собственного веса панели, кН/м2 | |
|
высота hn |
ширина bn | ||
|
Рёбристая |
25…40 |
110…150 |
2,5 |
|
2Т |
30…40 |
2,0 | |
Характеристики панелей и ригелей перекрытия
|
Пролёт L, м |
Характеристики панели перекрытия |
Характеристики ригеля перекрытия | |||||||
|
высота |
номинальная ширина |
число панелей по длине пролёта |
шаг поперечной арматуры, мм |
высота |
ширина |
шаг поперечной арматуры, мм | |||
|
hn, мм |
bn, мм |
S1 |
S2 |
hr, мм |
br, мм |
S1 |
S2 | ||
|
6 |
300 |
1 200 |
5 |
150 |
200 |
600 |
200 |
200 |
450 |
|
6,6 |
300 |
1 100 |
6 |
150 |
200 |
650 |
250 |
200 |
450 |
|
7,2 |
350 |
1 200 |
6 |
150 |
250 |
700 |
250 |
200 |
500 |
|
7,8 |
350 |
1 300 |
6 |
150 |
250 |
750 |
250 |
250 |
500 |
|
8,4 |
400 |
1 400 |
6 |
150 |
300 |
800 |
300 |
250 |
500 |
|
9 |
450 |
1 500 |
6 |
150 |
300 |
850 |
300 |
250 |
500 |
Нормативные и расчётные сопротивления бетона, начальные модули упругости
|
Класс бетона В |
Сопротивления бетона, МПа |
Модуль упругости бетона Eb×103, МПа | ||||
|
на сжатие |
на растяжение | |||||
|
Rbn |
Rb |
Rbt,n |
Rbt |
естественного твердения |
подвергнутого тепловой обработке | |
|
В5 |
3,5 |
2,8 |
0,55 |
0,37 |
13,0 |
11,5 |
|
В7,5 |
5,5 |
4,5 |
0,70 |
0,48 |
16,0 |
14,5 |
|
В10 |
7,5 |
6,0 |
0,85 |
0,57 |
18,0 |
16,0 |
|
В12,5 |
9,5 |
7,5 |
1,00 |
0,66 |
21,0 |
19,0 |
|
В15 |
11,0 |
8,5 |
1,15 |
0,75 |
23,0 |
20,5 |
|
В20 |
15,0 |
11,5 |
1,40 |
0,90 |
27,0 |
24,0 |
|
В25 |
18,5 |
14,5 |
1,60 |
1,05 |
30,0 |
27,0 |
|
В30 |
22,0 |
17,0 |
1,80 |
1, 20 |
32,5 |
29,0 |
|
В35 |
26,5 |
19,5 |
1,95 |
1,30 |
34,5 |
31,0 |
|
В40 |
29,0 |
22,0 |
2,10 |
1,40 |
36,0 |
32,5 |
|
В45 |
32,0 |
25,0 |
2, 20 |
1,45 |
37,5 |
34,0 |
|
В50 |
35,0 |
27,6 |
2,30 |
1,55 |
39,0 |
35,0 |
|
В55 |
39,5 |
30,0 |
2,40 |
1,60 |
39,5 |
35,5 |
|
В60 |
43,0 |
33,0 |
2,50 |
1,65 |
40,0 |
36,0 |
