Проектирование несущих железобетонных конструкций многоэтажного промышленного зданияРефераты >> Строительство >> Проектирование несущих железобетонных конструкций многоэтажного промышленного здания
1.2 Состав и работа каркаса здания
Продольные и поперечные разбивочные оси образуют сетку, в узлах которой устанавливаются колонны. Расстояние между продольными разбивочными осями принято называть пролётом здания, между поперечными - шагом колонн.
Колонны по высоте имеют выступающие части - консоли, на которые устанавливаются балки - ригели. Сверху на ригели укладываются панели перекрытия.
На панели действуют вертикальные нагрузки (эксплуатационные), которые передаются затем через ригели на колонны, а с них через фундаменты на грунт основания. Горизонтальные нагрузки (ветровые) воспринимаются наружными стенами здания, которые выполняются из кирпича. На них передается также и часть вертикальных нагрузок.
Конструктивная система здания с использованием колонн и несущих стен носит название неполного каркаса.
1.3 Температурные швы
Чтобы в элементах каркаса не возникали дополнительные усилия от изменения температуры, здание в необходимых случаях разрезают на отдельные самостоятельные блоки (температурные отсеки) поперечными и продольными температурными швами.
По требованиям СНиП [2] наибольшая длина температурного отсека составляет 60 м.
Длина здания l0 = 101,4 м > 60 м, поэтому необходимо устройство поперечного температурного шва.
Предусматриваем шов в середине длины здания, тогда длина температурного отсека составит:
lt = l · 7= 7,8 · 7 = 54,6 м < 60 м.
Температурный шов представляет собой два ряда колонн, смещённых от разбивочной оси на 500 мм.
1.4 Колонны и наружные стены
Сечение колонн обычно принимают квадратным со стороной 300, 350, 400, 450 мм (в соответствии с требованиями унификации). С увеличением нагрузки увеличивается и сечение колонн.
Толщина наружной стены принимается кратной размерам кирпича (250´120 мм, высота 65 мм), с учётом 10 мм на вертикальный шов:
|
380 мм = 120+10+250 мм |
(1,5 кирпича) |
|
510 мм = 250+10+250 мм |
(2 кирпича) |
|
640 мм = 250+10+120+10+250 мм |
(2,5 кирпича) |
Принимаем сечение колонн 450´450 мм, толщину кладки наружных стен 640 мм (постоянной на всех этажах).
1.5 Ригели
Принимаем поперечное направление ригелей, т.е. располагаем ригели поперёк здания. В этом случае они образуют вместе с колоннами раму с жесткими узлами, обеспечивая дополнительную пространственную жесткость каркаса в поперечном направлении.
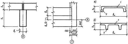
Сечение ригеля принимаем прямоугольным, так как оно наиболее простое в изготовлении (а так же и в расчёте). Назначаем размеры сечения ригеля (рис.1.1 и прил.1):
высота hr = (1/10…1/15) ×L = 780…520 мм; принимаем hr = 750 мм (кратно 50 мм);
ширина br = (0,3…0,4) ×hr = 225…300 мм; принимаем br = 250 мм (кратно 50 мм).
Чем больше высота сечения ригеля, тем лучше он работает на восприятие нагрузки, но строительная высота перекрытия при этом увеличивается.
Ригели, находящиеся у продольной наружной стены, опираются одним концом на эту стену, а другим - на консоль колонны. Глубину заделки ригеля в стену примем равной длине кирпича (250 мм).
1.6 Панели перекрытия
Выбор типа панелей производится на основе экономических и эксплуатационных критериев. В курсовой работе предлагается выбрать тип панели по собственному усмотрению и использовать рёбристые панели (рис.1.3, а), или панели типа "2Т" (рис.1.3, б). В данном примере расчёта применяются рёбристые панели перекрытия. Рекомендуемые размеры сечения и нагрузка от собственного веса для различных типов панелей представлены в Приложении 1.
Схема раскладки панелей. Принимаем наиболее распространённый вариант раскладки (подходит для любого типа панелей): между колоннами укладываются связевые панели, которые служат распорками, передающими горизонтальные нагрузки. Рядовые и связевые панели имеют одинаковую ширину; укладываемые у продольных стен доборные панели в два раза уже рядовых (рис.1.2).
Заделка панелей в стены:
в продольные стены панели не заделываются;
в поперечные стены заделка составляет 130 мм
(половина кирпича с учётом толщины раствора шва: 120 + 10 мм).
Привязка наружных стен к разбивочным осям:
к продольной оси: нулевая привязка
(внутренняя грань стены совмещена с разбивочной осью);
к поперечной оси: привязка 130 мм
(внутренняя грань стены смещена с разбивочной оси внутрь здания на величину заделки панели в стену).
Размеры сечения панели перекрытия:
высота hп = (1/20…1/30) l = 390…260 мм, принимаем hп = 350 мм (кратно 50 мм);
ширина панели bn назначается такой, чтобы в соответствии со схемой раскладки на длине пролёта можно было разместить целое число панелей. При этом ширина панели должна находиться в пределах 1200…1500 мм. Рекомендуемая ширина панелей представлена в таблице 2 Приложения 1.
Принимаем ширину панели bn = 1300 мм (кратно 100 мм), тогда между продольными осями укладывается 6 панелей.
1.7 План и поперечный разрез здания
Компоновка конструктивной схемы каркаса заканчивается изображением плана и поперечного разреза здания (масштаб М 1: 200).
Основные сборные конструктивные элементы каркаса на строительных чертежах принято обозначать марками (например: П-1, П-2, П-3 - панели перекрытия соответственно рядовые, связевые и доборные). Однотипные элементы получают одинаковые марки.
Колонны здания для удобства изготовления, транспортировки и монтажа разделяются по высоте на отдельные монтажные элементы. Длина монтажного элемента может составлять 1; 2 и 3 этажа (но не более 18 м для возможности перевозки).
Для удобства выполнения работ по замоноличиванию стыков и сварки выпусков арматуры стык колонн располагается выше пола перекрытия на 800 мм.
Для изображения на поперечном разрезе задают ориентировочные (предварительные) размеры консольного выступа колонн (напр.250´250 мм, скос под углом 45º) и фундамента (трёхступенчатый, высота ступени 350 мм). Глубина заложения подошвы фундамента df принимается по заданию.
2. Определение нагрузок и статический расчёт элементов каркаса
2.1 Общие положения
В Нормах проектирования (СНиП [1]) указаны нормативные значения нагрузок (qn), которые соответствуют условиям нормальной эксплуатации сооружений (за это их называют эксплуатационными).
