Проектирование сборного перекрытияРефераты >> Строительство >> Проектирование сборного перекрытия
При статическом расчете плиты (п. 2. 2) установлены значения нормативных нагрузок: постоянных - gn = 6,054 кН/м2 и временных – pn = 2,0 кН/м2.
Погонные нагрузки на плиту:
;
, где bn - номинальная ширина плиты, bn=1,1 м.
Изгибающие моменты в плите от нормативных нагрузок:
от постоянной
от временной
от полной
Усилие предварительного обжатия с учетом всех потерь
Расстояние от центра тяжести сечения до верхней ядровой точки
Упругопластический момент сопротивления сечения относительно растянутой грани
Изгибающий момент, воспринимаемый сечением при образовании трещин,
где Rbt,ser - расчетное сопротивление бетона растяжению для второй группы предельных состояний, определяемое по таблице 3.3[6], Rbt,ser=1.4МПа.
M < Mcrc
51,59 > 33,26кН*м,
следовательно, трещины не образуются.
2.3.6 Определение прогибов плиты
Предельные прогибы плит перекрытий при l0 < 5,7, [flim] = l0/200 = 5360/200 = 26,8 мм.
При отсутствии трещин в растянутой зоне кривизна плиты от действия постоянных нагрузок:
Кривизна, обусловленная выгибом от кратковременного действия усилия предварительного обжатия:
кривизна, обусловленная выгибом вследствие усадки и ползучести бетона от усилия предварительного обжатия:
,
;
;
,

Полная кривизна плиты
Определяем прогиб плиты
-следовательно, необходимо уменьшить величину преднапряжения.
2.4 Конструирование плиты
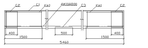
Геометрические параметры запроектированной плиты см. рис. 3. В качестве продольной рабочей арматуры устанавливаем 4 стержня Æ 10 мм из арматуры класса А800(см. п.2.3.1). Поперечную арматуру устанавливаем по конструктивных требованиям, 4 каркаса Æ3 В-500 с шагом S = 100 мм.
Для предотвращения образования трещин на верхней поверхности плиты от усилия предварительного обжатия на концевых участках каркасов в зоне действия максимальных поперечных сил устанавливаем дополнительные стержни Æ 10 мм класса А400 на длине 400 мм.
По всей верхней поверхности плиты конструктивно укладывается горизонтальная арматурная сетка для «распределения» местных нагрузок, а также восприятия напряжений от усадки бетона, усилий при изготовлении, транспортировке и монтаже, предварительного обжатия, случайных механических воздействий и др. Площадь ее поперечного сечения назначаем, исходя из минимального процента армирования, равного 0,05%.
Шаг продольных и поперечных стержней в сетке принимаем равным 200 мм. Тогда количество продольных стержней,
стержней.
Требуемая площадь поперечного сечения арматуры
По сортаменту (таблица 3.13[6]) подбираем Æ 3 мм.
У концов плиты ниже напрягаемой арматуры устанавливаем горизонтальные корытообразные сетки для предотвращения трещин вдоль напрягаемых стержней в зоне анкеровки и их продергивания. Длина каждой сетки 400 мм, диаметр стержней сеток - 4 мм, шаг - 100 мм, защитный слой - 10 мм.
У нижней грани плиты в середине пролета предусматривается такая же, но плоская горизонтальная распределительная сетка длиной 500 мм и с шагом стержней 200 мм.
В плите предусматриваем установку четырех монтажных петель, заглубленных в бетон. Петли устанавливаем над пустотами. Для возможности строповки в пустотах у петель предусматриваем отверстия. Диаметр петель принимаем 12 мм из арматуры класса А240.
Для обеспечения сопротивления смятию плиты на опорах от вертикальной нагрузки вышележащих стен и опорного давления, предотвращения распространения огня при пожаре, а также ликвидации «мостика холода» у наружных стен концевые участки пустот на длине 15 см заделываем с одного конца бетонными пробками, с другого - предусматриваем сужение пустот.
Рис.6.Армирование многопустотной плиты
3. Расчет и конструирование ригеля перекрытия
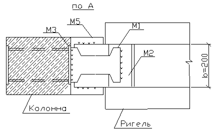
В курсовой работе необходимо запроектировать ригель с полужесткими стыками на опорах. Такие ригели наиболее широко применяются в каркасных зданиях. Особенностями полужестких стыков, определяющими их расчет, являются постоянные изгибающие моменты на опорах ригеля. В ригелях каркасов по серии 1.020-1 для жилых и общественных зданий величина опорного момента всегда равна 55 кН*м. Это обеспечивается за счет использования во всех стыках одинаковых калиброванных закладных деталей - «рыбок» (рис. 7).
Рис.7.Конструкция стыка ригеля с колонной
«Рыбки» (M1) приваривают к закладным деталям колонн и ригелей. Для возможности последующего обетонирования в целях защиты стальных деталей от коррозии в верхней части ригелей устраивают углубления.
Для опирания ригелей консоли на колоннах выполняют скрытыми в подрезках ригелей, что обусловлено эстетическими требованиями. Подрезки у опор ригелей снижают высоту их поперечного сечения, а следовательно, и прочность наклонных сечений в зонах действия максимальных поперечных сил.
