Проектирование сборного перекрытияРефераты >> Строительство >> Проектирование сборного перекрытия
g - объемная масса железобетона, g = 2500 кг/м3 (25 кН/м3); gf - коэффициент надежности по нагрузке gf = 1,1.
Постоянная расчетная нагрузка на колонну
Временная расчетная нагрузка на колонну
где S0 - нормативный вес снегового покрова на 1 м поверхности земли, принимаемый по табл. 1.7 [6] в зависимости от района строительства, для II района строительства S0 = 1,2кПа;
m- коэффициент зависящий от вида перекрытия, m = 1
Постоянная расчетная продольная сила в колонне подвала
Определение изгибающих моментов в колонне можно выполнить из условия, что при полужестких стыках с ригелями максимальный момент в колонне возникает при загружении временной нагрузкой одного из двух ригелей, опирающихся на колонну, причем момент воспринимается только колонной. В этом случае
,
где R - опорная реакция ригеля от временной нагрузки р (табл. 1),
R = 0,5*р*В* l = 0,5*2,28*5,4*5,7 =35,1кН
е1 - эксцентриситет опорной реакции при принятых размерах колонны е1 = 25 см.
Конструктивный расчет колонны выполняем как внецентренно сжатого элемента прямоугольного профиля с симметричной арматурой. Расчетную длину колонны принимаем равной высоте подвала, l0 = 2,8 м. Принимаем класс бетона колоны В35, продольной рабочей арматуры А400.
По таблице 3.4 [6] определяем расчетное сопротивление бетона осевому сжатию, Rb = 14,5 МПа, по таблице 3.5[6] модуль деформации бетона Eb = 27000 МПа.
По таблице 5.8[5] находим расчетное сопротивление продольной арматуры осевому растяжению, Rs = 355 МПа и осевому сжатию Rsc = 355 МПа, по таблице 3.10[6] модуль деформации стали Es = 200000 МПа.
Принимаем размеры поперечного сечения колонны b = h = 30 см.
Рабочая высота сечения h0 = h – a = 30 – 3 = 27 см.
Критическая продольная сила
Случайный эксцентриситет еа принимаем равным наибольшему из трех значений: еа = l0/600 = 280/600 = 0,47 см, еа = h/30 = 30/30 = 1 см и еа = 1 см.
Расстояние от точки приложения силы N до центра тяжести растянутой арматуры
,
начальный эксцентриситет
Определяем значение следующих величин:
ω0 = 0,85-0,008*Rb = 0,85-0,008*14,5 = 0,734
,
, a’ = 3 см,
,
,
При an < xr (1.458 < 1.5) площадь поперечного сечения арматуры определяем по формуле
,
Требуемую площадь поперечного сечения арматуры определяем, исходя из минимального процента армирования,
По сортаменту(таблица 3.13[6]) подбираем 3 стержня диаметром 22 мм с площадью сечения As = As’ = 11,4 см2.
Определяем процент армирования
Поперечную арматуру (хомуты) устанавливаем без расчета. В сварных каркасах диаметр хомутов принимают равным 0,3 диаметра продольной арматуры(0,3*22 = 6,6 мм), шаг хомутов - не более 20 диаметров продольных стержней (20*22 = 440 мм), но не более удвоенной ширины колонны (2*300 = 600 мм) и не более 500 мм. Поперечную арматуру выполняем из стали класса А 240 Æ8 мм с шагом 400 мм.
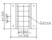
Рис. 9. Армирование колонны


Рис. 10. Стык колонн с ванной сваркой выпусков арматуры
Расчет стыка выполняют для двух стадий его работы:
- для стадии монтажа проверяют прочность бетона центрирующего выступа на местное смятие при незамоноличенном стыке;
- для стадии эксплуатации при замоноличенном стыке подбирают параметры косвенного армирования в зоне анкеровки продольной арматуры, где она частично или полностью не включена в работу.
В курсовой работе выполним расчет стыка для стадии эксплуатации с некоторыми упрощениями, основанными на следующих исходных предпосылках:
1. Работа продольной рабочей арматуры в зоне ее анкеровки при расчете прочности не учитывается.
2. На основании предыдущих расчетов устойчивость колонн в полной мере обеспечивается бетоном и продольной арматурой.
3. Изгибающие моменты в колонне не велики, в месте стыка они близки к нулю; их влиянием на неравномерность распределения напряжений по сечению можно пренебречь.
4. Так как l0/h < 20 случайные эксцентриситеты можно не учитывать.
С этих позиций расчет стыка выполняем следующим образом.
Вначале назначаем шаг сеток косвенного армирования S в пределах 60-150 мм, но не более h/3 = 30/3 = 10 см (рис. 10). Сетки устанавливаем у торца колонны на длине l которая должна быть не менее десяти диаметров продольной арматуры (10*22 = 220 мм) и не менее размера поперечного сечения h = 30 см. Размер ячеек а1 назначаем в пределах 45-100 мм, но не более h/4 = 300/4 = 75 мм. Принимаем S = 100 мм, l = 300 мм, а1 = 60 мм. Сетки выполняем из арматуры класса А400, диаметр определяем расчетом.
Расчетная нагрузка на колонну первого этажа
Требуемое расчетное сопротивление бетона сжатию, усиленного косвенным армированием
где Aef - площадь поперечного сечения колонны, ограниченная
контуром сетки, без учета площади подрезок, Aef = 5*a2 = 5*52 = 125 см2
Необходимый коэффициент косвенного армирования
Требуемая площадь одного стержня сетки
