Проектирование сборного перекрытияРефераты >> Строительство >> Проектирование сборного перекрытия
где n и l1- соответственно число стержней одного направления в
сетке и длина стержня.
По сортаменту подбираем диаметр стержней сетки 14 мм, As = 1,539 см2.
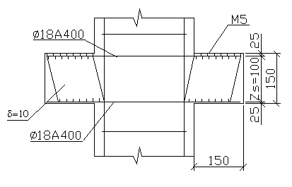
Консоли колонны ввиду небольшой высоты устраиваем с жесткой арматурой, состоящей из двух сжатых и двух растянутых стержней класса А400 и вертикальных ребер-пластин, соединяющих эти стержни.
Рис. 11. Конструкция консолей колонны
Их расчет выполняем как изгибаемого элемента с двойной арматурой.
Изгибающий момент в консоли
где Q- опорное давление ригеля, равное максимальной
поперечной силе (см. статический расчет ригеля), Q = 168,6 кН;
С - расстояние от грани колонны до точки приложения силы Q (С =10 см).
Требуемая площадь продольной арматуры
где zs - плечо внутренней пары сил: zs = 10 см.
По сортаменту подбираем 2 стержня Æ18 мм. На срез от действия поперечной силы консоль рассчитывают без учета работы бетона, как стальную конструкцию. В курсовой работе этот расчет не выполняем и конструктивно принимаем толщину вертикальных ребер d = 10мм.
5. Расчет и конструирование фундамента под колонну
Принимаем класс бетона фундамента В15, продольной рабочей арматуры А300.
По таблице 3.4 [6] определяем расчетное сопротивление бетона осевому растяжению, Rbt = 0.75 МПа.
По таблице 5.8 [5] находим расчетное сопротивление продольной арматуры осевому растяжению, Rs = 270 МПа.
Определение размеров подошвы фундамента
Изгибающий момент, передаваемый колонной на фундамент, относительно мал, его можно не учитывать, фундамент условно считать центрально нагруженным, принять квадратным в плане с требуемым размером подошвы
где N - полная расчетная продольная сила, передаваемая колонной
на фундамент, N = 1216,72 ;
R0 - условное расчетное давление на грунт , R0 = 220 кН;
gm - средняя объемная масса фундамента и грунта на его
уступах, gm = 2 т/м3 = 20 кН/м3;
H1- глубина заложения фундамента от пола подвала, которая
предварительно может быть принята равной 1,0-1,5 м, H1 = 1,5 м.
Размер стороны квадратной подошвы фундамента а принимаем кратной 5 см, а = 3,0 м Фактическая площадь подошвы А = а2 = (3,0)2 = 9,0 м2.
Общую высоту фундамента определяем из условий:
- надежного защемления колонны в фундаменте:
- достаточной анкеровки продольных стержней колонны:
где d - диаметр продольных стержней колонны, d = 22 мм;
- предотвращения продавливания:
,
где аs — величина защитного слоя бетона для фундаментов без
подготовки (аs = 7 см);
Н0- требуемая высота фундамента из условия сопротивления продавливанию
,
где р – фактическое давление на грунт под фундаментом,
р = N/A = 1216,72/9,0 = 171,25 кПа.
Высоту фундамента принимаем по большему из полученных значений, кратной 15 см, H = 1050 см.
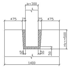
Рис. 12. Стакан фундамента
Затем задаем размеры стакана. Его дно (толщина бетона от низа стакана до подошвы фундамента) должно быть не менее 20 см, толщина неармированной стенки - 20 см, глубина стакана Hст - не менее bk = 30 см и 20d плюс 5 см
Hст= 20*2,2+ 5 = 49 см, принимаем Hст= 50 см. Ширину стакана назначаем из условия, чтобы зазор между его внутренней стенкой и поверхностью колонны был равен 75 мм вверху и 50 мм внизу. Между дном стакана и нижним торцом колонны должна быть подливка из цементного раствора толщиной 50 мм (рис. 12).
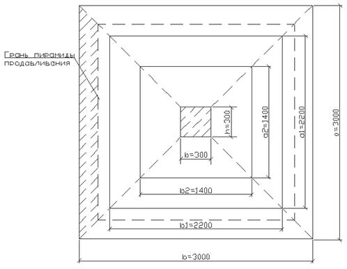
При известных ширине подошвы фундамента, его высоте и ширине стакана число ступеней фундамента и их размеры устанавливаем из условия, чтобы высота каждой из них была равной 30 или 45 см, а соотношение ширины ступени к ее высоте в пределах 1 - 1,5. Можно приближать сопряжение ступеней к граням пирамиды продавливания, которая начинается у основания колонны и проходит до уровня арматурной сетки под углом 45° (рис. 13) N = 1216,72 кН
Рис. 13. К расчету фундамента под колонну
Проверяем прочность на продавливание нижней ступени
,
где Р – расчетная продавливающая сила,
;
А1 – площадь основания пирамиды продавливания,
b’ – средний периметр пирамиды продавливания,
Т. к. условие выполняется, прочность на продавливание нижней ступени обеспечена.
Расчет фундамента на изгиб производим как консольной системы, опирающейся на колонну и загруженной реактивным давлением грунта. Растягивающие напряжения в этой системе воспринимает нижняя арматурная сетка, площадь сечения которой определяем расчетом на прочность нормальных сечений 1-1, 2-2 и 3-3 (рис. 13).
Рис. 14. К расчету фундамента под колонну
Изгибающие моменты в этих сечениях
Требуемое сечение рабочей арматуры
Необходимое армирование подбираем по большему значению Аs. Принимаем шаг стержней сетки S = 150 мм, по сортаменту (таблица 3.13 [6]) подбираем диаметр стержней 14 мм.
