Проектирование физкультурно-оздоровительного комплексаРефераты >> Строительство >> Проектирование физкультурно-оздоровительного комплекса
α – коэффициент, зависящий от формы и глубины заложения фундамента, определяемый по таблице 1 прил. 2 СниП 2.02.01-83.
= 20 · 6,4 = 128 кПа
P0 =(P -
) = 193,2 – 128 = 65,2 кПа
Если найденная по указанному выше условию нижняя граница сжимаемой толщи находится в слое грунта с модулем деформации Е < 5 (МПа), нижняя граница сжимаемой толщи определяется исходя из условия
.
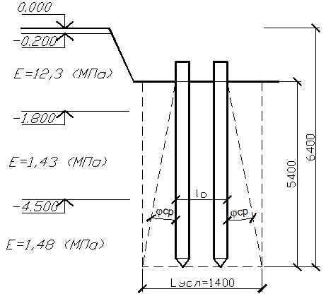
Результаты расчётов по определению природного и дополнительного давления приведены в таблице 7. Расчетная схема к определению осадки основания приведена на рисунке 5.
Таблица 7
|
№ слоя |
a |
|
|
|
|
|
0 |
1 |
128 |
25,6 |
- |
65,2 |
|
1 |
0,812 |
143,12 |
28,6 |
- |
52,9 |
|
2 |
0,470 |
158,24 |
31,6 |
- |
30,6 |
|
3 |
0,274 |
173,36 |
- |
17,3 |
17,9 |
|
4 |
0,173 |
188,48 |
- |
18,8 |
11,3 |
Осадка основания s c использованием расчетной схемы в виде линейно деформируемого полупространства определяется методом послойного суммирования по формуле
, (27)
где b - безразмерный коэффициент, равный 0,8;
szp,i - среднее значение дополнительного вертикального нормального напряжения в i-м слое грунта, равное полусумме указанных напряжений на верхней zi-1 и нижней zi границах слоя по вертикали, проходящей через центр подошвы фундамента;
hi и Еi - соответственно толщина и модуль деформации i-го слоя грунта;
n - число слоев, на которые разбита сжимаемая толща основания.
м;
Проверка условия:
6 < 12см – условие выполняется.
Рисунок 5
![]() |
2.2 Расчет и конструирование поперечной рамы
2.2.1 Исходные данные
За относительную отметку 0,000 принят уровень чистого пола первого этажа в осях 9 – 12, что соответствует абсолютной отметке 108,14.
Климатические условия:
- расчетная температура наружного воздуха минус 440С;
- нормативное значение ветрового давления для III района 38 кгс/м2;
- нормативное значение веса снегового покрова для IV района 150 кгс/м2.
2.2.2 Определение нагрузок на раму
Все нагрузки рассчитываются с учетом коэффициента надежности по ответственности
, принимаемым равным 0,95 для II уровня ответственности здания.
2.2.2.1 Постоянная нагрузка
Постоянные нагрузки от конструкций кровли, стропильных конструкций, связей по покрытию принимаются равномерно распределенными.
Значения нагрузок и коэффициентов надежности по нагрузке (коэффициент перегрузки) для конструкций покрытия приведены в таблице 8.
Таблица 8
|
Вид нагрузки |
Нормативная, кН/м2 |
Коэффициент перегрузки |
Расчетная, кН/м2 |
|
Ограждающие элементы кровли | |||
|
Профилированный настил толщиной 0,8 мм |
0,13 |
1,05 |
0,14 |
|
Минераловатные плиты g = 1,25 кН/м3, толщиной 300 мм |
0,375 |
1,2 |
0,45 |
|
Несущие элементы кровли | |||
|
Профилированный настил толщиной 0,8 мм |
0,13 |
1,05 |
0,14 |
|
Металлические конструкции покрытия | |||
|
Прогоны сплошные, пролетом 6 м |
0,05 |
1,05 |
0,053 |
|
Ригель рамы, пролетом 24 м |
0,1 |
1,05 |
0,105 |
|
Связи покрытия |
0,04 |
1,05 |
0,042 |
|
Итого |
0,825 |
0,93 | |

