Расчет оснований и фундаментов 7-ми этажного жилого домаРефераты >> Строительство >> Расчет оснований и фундаментов 7-ми этажного жилого дома
Ниже УПВ в грунтах с
и песках учитываем взвешивающее действие воды.
Скважина №0 Инженерно-геологический разрез
Общая оценка строительной площадки:
Судя по геологическому профилю, площадка имеет спокойный рельеф. Грунты имеют слоистое напластование с выдержанным залеганием пластов. Все они могут служить естественным основанием. Подземные воды не будут влиять на возведение неглубоких фундаментов и эксплуатацию здания.
В дальнейшем считаем, что все рассматриваемые сечения фундаментов расположены ближе к скважине №0.
2. Выбор типа оснований и конструкции фундамента
Заключительным этапом изучения строительной площадки является оценка инженерно-геологических условий, принятия рационального конструктивного решения фундаментов, проектируемого здания, глубины заложения их, а так же выбора способа производства работ. В рассматриваемых грунтовых условиях можно запроектировать несколько вариантов устройства фундаментов. На основе вариантного способа проектирования принимается то инженерное решение, которое позволяет с меньшими затратами труда, в более короткий срок, без ухудшения эксплуатационных качеств здания, меньшей сметной стоимости выполнить устройство фундаментов для проектируемого здания. При выборе рациональных конструкций фундаментов должны учитываться следующие факторы:
1. Инженерно-геологические условия площадки строительства (физико-механические свойства грунтов, характеристика их напластования, наличие слоёв, склонных к скольжению, карстовых полостей и пр.)
2. Конструктивные особенности проектируемого здания, нагрузки и их воздействие на фундамент.
3. Уровень подземных вод и их химический состав.
4. Глубина заложения фундаментов примыкающих зданий, а так же глубина прокладки инженерных коммуникаций.
5. Существующий и проектируемый рельеф строительной площадки.
6. Гидрологические условия строительной площадки, а так же возможность их изменения в процессе выполнения работ по устройству фундаментов и эксплуатации здания.
В случае, когда на строительной площадке залегают слабые грунты, в целях уменьшения затрат труда, прибегают к методам укрепления оснований, повышающих их несущую способность. К таким методам можно отнести поверхностное и глубинное уплотнение, укрепление
грунтов известью, цементом, добавкой солей, синтетическими смолами, устройством песчаных свай и подушек.
Вариантность инженерных решений – важнейший принцип проектирования фундаментов сооружений. В курсовом проекте расчёту и сравнению по стоимости подлежат два варианта: на естественном основании и свайный вариант. Сравнение вариантов фундаментов следует проводить на самом загруженном фундаменте.
3. Проектирование фундамента на естественном основании
Глубина заложения подошвы фундамента определяется в соответствии с требованиями. Глубина заложения подошвы фундамента должна быть не менее 0.5 метра от поверхности рельефа.
Кроме того на выбор глубины заложения подошвы фундамента оказывают влияние следующие факторы:
- конструктивные особенности проектируемого сооружения (наличие или отсутствие подвала).
- глубина заложения фундаментов примыкающих сооружений.
- Инженерно-геологические условия площадки. Следует учесть, что подошвы фундамента должна располагаться выше или ниже границы грунтов на 0.3–0.5 метра.
Подошва фундамента должна располагаться ниже расчётной глубины промерзания для грунтов, обладающих пучинистыми свойствами (к непучинистым грунтам относят крупнообломачные, пески гравистые, крупные и средней крупности).
Расчётная глубина сезонного промерзания грунта определяется по формуле:
, где
нормативная глубина промерзания, для города Уральска, но т. к. слой-песок
коэффициент, учитывающий влияние теплового режима сооружения, принимаемый по таблице5.1 (7)
– для здания с подвалом
, тогда
– по утепленному цокольному перекрытию
, тогда
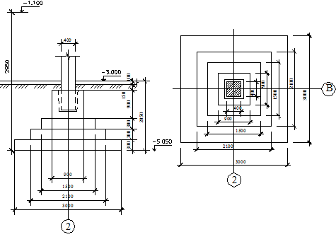
3.1 Подбор размеров подошвы фундамента для сечения 2–2
По предварительному расчёту, принимаем площадь подошвы фундамента 3x3 метра.
Расчётные характеристики грунта основания суглинка тугопластичного:
Осреднённое расчётное значение удельного веса грунта, залегающего выше подошвы:
Интенсивность горизонтального давления грунта от нагрузки g на поверхности земли
(так как g=0); интенсивность горизонтального активного давления грунта от собственной массы на поверхности земли
, считаем, что грунт по обе стороны фундамента на одинаковой отметке не создаёт момента, поэтому
и
не учитываем.
Нагрузка от массы фундамента:
.
Нагрузка от массы колоны подвала:
.
Нагрузка от массы грунта:
Суммарная вертикальная нагрузка:
.
Среднее давление под подошвой фундамента:
.
Расчётное сопротивление грунта основания определяется по формуле:
, где
- ширина подошвы фундамента.
- коэффициенты условной работы.
- осреднённое расчётное значение удельного веса грунтов, залегающих ниже подошвы фундамента.
- коэффициент при
; коэффициент надёжности.
- коэффициенты, принимаемые по таблице 5,3 (1) для
