Расчет оснований и фундаментов 7-ми этажного жилого домаРефераты >> Строительство >> Расчет оснований и фундаментов 7-ми этажного жилого дома
- для сооружений с подвалом шириной
и глубиной свыше 2 м.
- расчётное значение удельного сцепления грунта, залегающего непосредственно под подошвой фундамента.
- условие удовлетворяется.
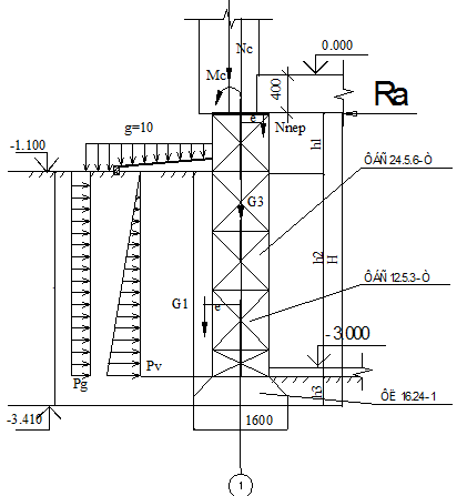
3.4 Подбор размеров подошвы фундамента для сечения 1–1
Выбираем: ФБС 24.5.6‑Т, ФБС 12.5.3‑Т
ФЛ 16.24–1
Толщина стены 51 см

Расчётные характеристики грунта основания песка пылеватого:
Расчётные характеристики грунта засыпки
Определим интенсивность давления грунта:
Интенсивность горизонтального давления грунта от нагрузки g на поверхности земли:
.
Интенсивность горизонтального активного давления грунта от собственной массы: на поверхности земли
, в уровне верха подвальной плиты:
Дополнительные параметры
.
Коэффициенты:
.
Нагрузка от массы фундаментной плиты:
.
Нагрузка от массы грунта и временная нагрузка над левой частью фундамента:
Нагрузка от массы стены подвала:
.
Суммарная вертикальная нагрузка:
.
Опорная реакция в уровне низа плиты перекрытия надподвального этажа:
Момент в уровне подошвы фундамента:
Расчётное сопротивление грунта основания определяется по формуле:
, где
- ширина подошвы фундамента.
- коэффициенты условной работы, принимаемые по таблице 5,2 (1).
- осреднённое расчётное значение удельного веса грунтов, залегающих ниже подошвы фундамента.
- то же залегающих выше подошвы фундамента.
- коэффициент при
; коэффициент надёжности.
- коэффициенты, принимаемые по таблице 5,3 (1) для
– толщина слоя грунта от подошвы до пола подвала
– толщина пола подвала.
- расчётное значение удельного веса пола подвала.
- для сооружений с подвалом шириной
и глубиной свыше 2 м.
- расчётное значение удельного сцепления грунта, залегающего непосредственно под подошвой фундамента.
.
Среднее давление под подошвой фундамента:
.
Максимальное и минимальное давление под подошвой:
,
.
Проверка выполняется. Размеры фундамента достаточны для восприятия нагрузок от вышележащих конструкций здания.
Определение конечной осадки ленточного фундамента мелкого заложения методом послойного суммирования
Ширина подошвы ленточного фундамента
. Среднее давление под подошвой фундамента
. Вычерчиваем в масштабе геологический разрез строительной площадки. На этот разрез наносим контуры фундамента строго выдерживая глубину заложения. Разбиваем толщу грунта ниже подошвы фундамента на элементарные слои высотой
. Для вертикали, проходящей через середину подошвы фундамента, находим напряжения от собственного веса грунта
и дополнительные давления
:
В уровне подошвы фундамента (точка 0)
Ниже УПВ в грунтах с
и песках учитываем взвешивающее действие
Нижняя граница сжатой толщи основания применяется на глубине, где выполняется условие
.
Данные расчёта осадки сечения 1–1
|
Грунт |
Номера точек |
Z, м |
ξ=2Z/b |
α |
σzq, кПа |
σzp, кПа |
E, кПа |
|
Песок желтый |
0 |
0,00 |
0,00 |
1,000 |
29,30 |
208,0 |
17300 |
|
1 |
0,64 |
0,80 |
0,881 |
35,70 |
183,3 | ||
|
2 |
1,19 |
1,49 |
0,670 |
41,20 |
139,4 | ||
|
Супесь желтая |
3 |
1,28 |
1,60 |
0,642 |
42,16 |
133,5 |
26400 |
|
4 |
1,92 |
2,40 |
0,477 |
49,02 |
99,2 | ||
|
5 |
2,56 |
3,20 |
0,374 |
55,87 |
77,8 | ||
|
6 |
3,20 |
4,00 |
0,306 |
62,73 |
63,7 | ||
|
7 |
3,69 |
4,61 |
0,264 |
67,98 |
54,9 | ||
|
7» |
3,69 |
4,61 |
0,264 |
97,48 |
54,9 | ||
|
Глина коричневая |
8 |
3,84 |
4,80 |
0,258 |
100,49 |
53,7 |
21600 |
|
9 |
4,48 |
5,60 |
0,223 |
113,35 |
46,4 | ||
|
10 |
5,12 |
6,40 |
0,196 |
126,22 |
40,8 | ||
|
11 |
5,76 |
7,20 |
0,175 |
139,08 |
36,4 | ||
|
12 |
6,40 |
8,00 |
0,158 |
151,95 |
32,9 | ||
|
13 |
6,69 |
8,36 |
0,150 |
157,78 |
31,2 | ||
|
Песок желтый |
14 |
7,04 |
8,80 |
0,143 |
161,23 |
29,7 |
28000 |
|
15 |
7,68 |
9,60 |
0,132 |
167,56 |
27,5 | ||
|
16 |
8,32 |
10,40 |
0,122 |
173,88 |
25,4 | ||
|
17 |
8,96 |
11,20 |
0,113 |
180,20 |
23,5 | ||
|
18 |
9,60 |
12,00 |
0,106 |
186,53 |
22,1 | ||
|
19 |
10,24 |
12,80 |
0,106 |
192,85 |
22,1 | ||
|
20 |
10,88 |
13,60 |
0,106 |
199,17 |
22,1 | ||
|
21 |
11,52 |
14,40 |
0,106 |
205,50 |
22,1 | ||
|
22 |
12,16 |
15,20 |
0,106 |
211,82 |
22,1 | ||
|
23 |
12,80 |
16,00 |
0,106 |
218,14 |
22,1 | ||
|
24 |
13,44 |
16,80 |
0,106 |
224,47 |
22,1 | ||
|
25 |
14,08 |
17,60 |
0,106 |
230,79 |
22,1 | ||
|
26 |
14,69 |
18,36 |
0,106 |
236,82 |
22,1 |
