Расчет оснований и фундаментов 7-ми этажного жилого домаРефераты >> Строительство >> Расчет оснований и фундаментов 7-ми этажного жилого дома
Осадка фундамента:
S=0,8
(![]()
1,2+![]()
0,85+![]()
0,35+(
) х
1,2+![]()
0,25+![]()
0,95=0,02 м=2 см < Su=8 см
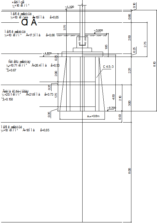
3.2 Проектирование свайного фундамента
Предварительное назначение размеров свай производится исходя из геологического строения площадки. Остриё сваи следует располагать в прочных малосжимаемых грунтах. Заглубление сваи в опорный слой несущий должно быть не менее 0,5–1 метра, причём меньшие значения при прочных грунтах.
Рекомендуется заводить сваю в несущий слой на 2–3 метра. Остриё сваи не должно совпадать с границей слоёв, а быть выше её на 1 метр или ниже на 0,5 метра.
Назначив ориентировочно положение нижнего конца сваи, округляют её до ближайшей стандартной сваи и уточняют положение нижнего конца сваи. Принимают поперечное сечение сваи. Длинна забивных свай измеряется от головы сваи до начала острия. Минимальная длина сваи при центральной нагрузке не менее 2,5 метра при внецентренной – 4 метра. Ростверки выполняют из монолитного или сборного железобетона. Высота ростверка назначается согласно расчёту на продавливание, обычно по конструктивным соображениям
, но не менее 30 см, (
- величина заделки сваи в ростверк). Чаще всего осуществляется свободное сопряжение сваи с ростверком заделкой сваи в ростверк на глубину не менее d (d – сторона квадратной сваи или диаметр круглой) и применяется в случае действия больших моментов и горизонтальных нагрузок или когда сваи располагаются в слабых грунтах.
Ростверк, как правило, располагается ниже подвала. В пучинистых грунтах ростверк закладывается ниже расчётной глубины промерзания. Ростверки бесподвальных зданий могут закладываться у поверхности земли на 0,1–0,15 метра ниже планировочных отметок.
Расчёт свайных фундаментов должен проводиться по двум группам предельных состояний:
- по первой группе расчётом несущей способности грунта оснований свайных фундаментов
- по второй группе расчётом осадок оснований свайных фундаментов.
Одиночную сваю по несущей способности грунтов основания следует рассчитывать исходя из условия:
, где
– расчётная несущая способность сваи по грунту,
– коэффициент надёжности,
=1,4
N – расчётная нагрузка передаваемая на сваю с учётом коэффициента надёжности по нагрузке
.
Несущая способность висячей сваи по грунту, работающей на сжимающую нагрузку, определяется по формуле:
где
– коэффициент условной работы сваи в грунте.
R – расчётное сопротивление грунта под нижним концом сваи, кПа
R=5783 кПа
- площадь опирания на грунт сваи
- наружный периметр поперечного сечения сваи.
расчётное сопротивление I‑го слоя грунта основания на боковой поверхности сваи.
толщина I‑го слоя грунта соприкасающегося с боковой поверхностью сваи, м


коэффициенты условной работы соответственно под нижним концом и на боковой поверхности сваи.
Расчётная несущая способность сваи с учётом коэффициента надёжности:
Определяем количество свай в свайном фундаменте.
Для установленного свайного фундамента количество свай определяется по формуле:
- вес ростверка,
Нагрузка от массы фундамента:
.
Нагрузка от массы колоны подвала:
.
Нагрузка от массы грунта:
Принимаем
свай.
Проверка свайного фундамента по первой группе предельных состояний
Законструировав ростверк, выполняется проверка свайного фундамента по несущей способности по условию:
или
.
Расчётная характеристика на сваю:
.
При проверке условия
следует добиться запаса прочности не более 20% т.е.
Расчёт свайного фундамента по второй группе предельных состояний
Расчёт фундамента по деформациям как условного массивного фундамента на естественном основании. Границы условного фундамента определяется следующим образом: сверху поверхностью планировки, с боков вертикальными плоскостями АВ и БГ, снизу плоскостью в уровне нижних концов свай в границах условной площади подошвы фундамента.
