Проектирование металлической балочной клеткиРефераты >> Строительство >> Проектирование металлической балочной клетки
Принимаю tпл =30мм, сталь плиты С345.
Рис 5.2 База колонны К4 сплошного сечения
Проверяем точным способом.
Квадратную плиту и колонну заменяем равновеликими кругами.
Увеличиваем толщину плиты. Примем tпл =35мм
Касательные напряжения из условия продавливания:
Итог: принимаем tпл =35мм
Прикрепление стержня колонны к плите рассчитывается на 15% от действующего усилия. Сварка ручная. Электрод Э50. Сталь С345
Принимаем kf = 10мм (по т.38),
, Rwf =22кН/см2
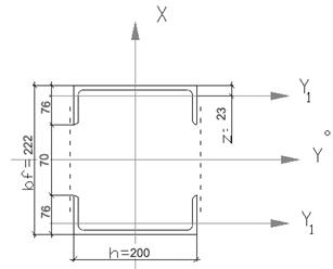
5.2 Расчет колонны сквозного сечения
Сталь колонны С345
Сечение состоит из двух швеллеров. Ветви соединены между собой при помощи планок. На колонну сквозного сечения балка опирается сверху.
Подбор сечения колонны.
Выполним расчет колонны относительно материальной оси Х.
Задаем гибкость
Уточняем Ry для фасонного проката.
[Табл.72/1]
По сортаменту по ГОСТ 8240-89 принимаем 2[ №20П
Проверяем сечение относительно оси Х:
Уточняем Ry для tf =9мм
Ry =35кН/см2 при t =2…10мм
Проверка общей устойчивости.
Задача решается методом последовательных приближений.
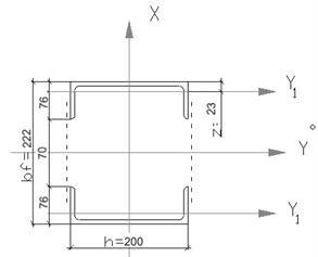
Расчет относительно оси Y заключается в определении расстояния между ветвями
из условия равноустойчивости для колонн сквозного сечения.
По т.7 приведенную гибкость принимаем для колонн с планками
Гибкость ветви можно принять в пределах:
. Примем в первом приближении
[т.8.1./1]
Примем расстояние между швеллерами 7см.
Примем
Проверяем сечение относительно оси Y:
Принимаю:
Момент инерции планки:
Момент инерции ветви:
![]()
Проверим общую устойчивость относительно свободной оси Y:
Общая устойчивость обеспечена.
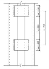
Расчет планок.
Расчет ведется на условную поперечную силу.
Поперечная сила в месте крепления планки:
Проверяем сечение планки:
Крепление планки к ветвям осуществляется угловыми сварными швами. Сварка ручная. По [т.55/1] для стали С345 принимаем электрод Э50.
Расчет ведем по металлу шва.
Назначаем
Принимаем
Прочность швов обеспечена.
Проверка сечения колонны на участке между планками.
Проверка устойчивости ветви.
Устойчивость обеспечена.
Расчет оголовка колонны сквозного сечения.
На колонну сквозного сечения главная балка опирается сверху. Вертикальное ребро приваривается к плите и стенке колонны. Примем tпл =20мм.
С345® электрод Э50
Швы, прикрепляющие ребро оголовка к плите должны выдержать полное давление на оголовок.
Расчет по металлу шва определяющий.
Высота катета шва получается очень большая, поэтому верхний конец колонны фрезеруем, а высоту kf принимаем конструктивно.
kf =9мм
Высоту ребра оголовка определяем требуемой длиной швов, передающей нагрузку на стержень колонны.
Так как швы фланговые
Примем
