Проектирование оснований и фундаментов восьмиэтажного жилого домаРефераты >> Строительство >> Проектирование оснований и фундаментов восьмиэтажного жилого дома
Т.к полученное расчетное сопротивление основания не существенно отличается от
, то дальнейшее уточнение принятой ранее ширины фундамента не производим.
Проверяем фактическое среднее давление под подошвой фундамента. Общий объем фундамента, грунта на его уступах и пола подвала:
объем самого фундамента
объем грунта на обрезах фундамента
Удельный вес конструктивных элементов фундамента принимаем равным 24 кН/м3
Вес одного фундамента
Удельный вес грунта обратной засыпки принимаем равным 10,63 кН/м3
Проверяем среднее давление, действующее под подошвой фундамента при b=2,4 и заданных нагрузках:
,
Согласно СНиПу 2.02.01-83 п.2.41 среднее давление на основание под подошвой фундамента P не должно превышать расчетного сопротивления основания R более чем на 20%. Определим разницу между R и P:
<20%
Следовательно, ширина подошвы столбчатого фундамента запроектирована достаточно экономично.
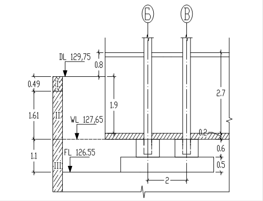
Колонна Б:
Запроектируем фундамент под внутреннюю колонну 8-и этажного жилого здания с подвалом. Расчетная нагрузка, действующая на колонну
. Длина здания
, высота
. Отметка пола подвала – 2.7м. Глубина заложения подошвы фундамента
. Отметка пола 1-го этажа на 80 см выше планировочной отметки.
Материал основания: суглинок текучепластичный
,
,
,
,
.
Определяем ориентировочную ширину подошвы ленточного фундамента:
,
где
- расчетная нагрузка от массы сооружения на 1 пог.м.
значение расчетного сопротивления грунта песчаной подушки.
осредненный удельный вес стеновых блоков фундамента и грунта.
глубина заложения фундамента.
![]() |
где
- коэффициенты условий работы грунтового основания и здания во взаимодействии с основанием, определяемые по таблице 3 СНиПа 2.02.01-83.
– коэффициент надежности приняый равным 1 т.к. прочностные
характеристики грунта
заданны в проекте, по результатам непосредственных испытаний грунтов на строй. площадке.
- коэффициенты, принимаемые по таблице 4 СНиПа 2.02.01-83 в зависимости от расчетного значения угла внутреннего трения
грунта, находящегося непосредственно под подошвой фундамента.
- коэффициент, при
.
- глубина заложения фундамента от уровня планировки срезкой или подсыпкой.
- осредненное расчетное значение удельного веса грунтов, залегающих выше отметки заложения подошвы фундамента (при наличии подземных вод ) определяется с учетом взвешивающего действия воды), кН/м3.
где
,
,
- мощности выше лежащих слоев.
- расчетное значение удельного веса грунта, залегающего непосредственно под подошвой фундамента.
- расчетное значение удельного сцепления грунта, залегающего непосредственно под подошвой фундамента.
- приведенная глубина заложения наружных и внутренних фундаментов от пола подвала.
где
- толщина слоя грунта от отметки подошвы фундамента до отметки низа пола подвала.
- толщина конструкций пола подвала.
- расчетное значение удельного веса материала конструкций пола подвала.
- расстояние от уровня планировки до пола подвала
Т.к полученное расчетное сопротивление основания не существенно отличается от
, то дальнейшее уточнение принятой ранее ширины фундамента не производим.
Проверяем фактическое среднее давление под подошвой фундамента. Общий объем фундамента, грунта на его уступах и пола подвала:

