Расчет и конструирование несущих конструкций одноэтажного промышленного зданияРефераты >> Строительство >> Расчет и конструирование несущих конструкций одноэтажного промышленного здания
Принимаем
. Рис.3.1. Сечение верхней части колонны
Требуемая площадь полки
tw hw )/2 = (115,9 – 0,8·42,6)/2 = 40,91 см2.
Из условия устойчивости верхней части колонны из плоскости действия момента ширина полки
415/20 = 20,75 см; из условия местной устойчивости полки:
2,9) Ö (20600 /24) = 19,04
.
Принимаем bf = 36 см; tf =1,2; Аf =36·1,2 = 43,2 см2 > 40,91 см2.
(36 – 0,8) / (2·1,2) = 14,67 < 19,04.
Геометрические характеристики сечения:
Полная площадь сечения А0 = 2·36·1,2 + 0,8·42,6 = 120,48 см2;
Ix = 0,8·42,63/12 + 2·36·1,2[(45 – 1,2)/2]2 = 46592,2 см4;
19,7 см; Iу = 2·1,2·363/12 = 9331,2 см4;
8,8 см;
Wx = 46592,2/(0,5·45) = 2070,8 см3;
17,19 см.
Проверка устойчивости верхней части колонны в плоскости действия момента:
lх = 1620/19,7 = 82,23;
2,81;
39240,3 /(294,75·17,19) = 7,74;
1,2·36/(0,8·42,6) = 1,27, Þ h = 1,4 – 0,02·2,81 = 1,34;
10,4;
7
s = 294,75/(0,107·120,48) = 22,9 кН/см2 < 24 кН/см2
Недонапряжение [(24 – 22,9)/24]100 = 4,6% < 5%.
Проверка устойчивости верхней части колонны из плоскости действия момента.
415/8,8 = 47,2;
,864.
Максимальный момент в средней трети расчетной длинны стержня:
-339,242 + (-392,403 – (-339,242)) /5,4(5,4 – 4,15/3 ) = -378,79 кНм.
По модулю
= 392,403/2 = 196,2 кНм;
37879·120,48/ (294,75·2070,8) = 7,48.
где ![]()
lу = 47,2 < lс =
= 92 b = 1;
= 0,9
+0,9·5) = 0,18
10·0,864/1] = 0,1
с = 0,18(2 – 0,2·7,48) + 0,1(0,2·7,48 –1) = 0,14
294,75/ (0,14·0,864·120,48) = 20,2 < 24 кН/см2.
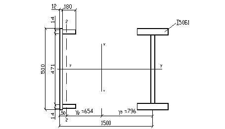
3.5 Расчет нижней части колонны
Высота сечения
1500 мм. Подкрановую ветвь колонны принимаем из широкополочного двутавра, наружную – составного сварного сечения из трех листов.
Определение ориентировочного положения центра тяжести.
Принимаем
;
150 – 5 = 145 см.
у1 = 68815,2/(76943 + 68815,2)145 = 68,46 см
= 145 – 68,46 = 76,54 см
Усилия: в подкрановой ветви Nв1 = 1510,65·76,54/145 + 76943/145 = 1328,1 кН
В наружной ветви Nв2 = 2086,61·68,46/145 + 68815,21/145 = 1459,76 кН
Требуемая площадь ветвей:
Для подкрановой ветви задаемся
,8; (сталь С245 фасонный прокат)
АВ1 = 1328,1/(0,8·24) = 69,2 см2
По сортаменту подбираем I 50Б1(I 45Б1 не удовлетворяет требованию по устойчивости): АВ1 = 91,8 см2; iх1 = 4,22 см; iу1 = 20,3 см.
Для наружной ветви
1459,76/(0,8·24) = 76,03 см2 (сталь С245 листовой прокат,
,8).
Для удобства прикрепления элементов решетки просвет между внутренними гранями полок принимаем 471 мм. Толщину стенки швеллера
для удобства ее соединения встык с полкой надкрановой части колонны принимаем равной 12 мм; высота стенки из условия размещения сварных швов
510 мм.
Требуемая площадь полок:
(76,03 – 1,2·51)/2 = 7,4 см2
Из условия местной устойчивости полки швеллера
14. Принимаем
8 см;
= 1,4 см;
25,2 см2.
Рис.3.2. Сечение нижней части колонны
Геометрические характеристики ветви:
АВ2 = 1,2·51 + 2·25,2 = 111,6 см2
z0 = (1,2·51·0,6 + 25,2·10,2·2)/111,6 = 5 см
Ix2 = 1,2·51·4,42 + 2·1,4·183/12 + 25,2·5,22·2 = 3908,45 см4;
5,92 см
Iу = 1,2·513/12 + 25,2·24,252·2 = 42903,45 см4;
19,61 см.
Уточняем положение центра тяжести сечения колонны:
h0 = 150 – 5 = 145 см ;
= 111,6·145/ (91,8 + 111,6) = 79,6 см
у2 = 145 – 79,6 = 65,4 см .
Отличие от первоначальных размеров существенно, поэтому усилия в ветвях:
Nв1 = 1510,65·65,4/145 + 76943/145 = 1212 кН
Nв2 = 2086,61·79,6/145 + 68815,21/145 = 1620 кН
Проверка устойчивости ветвей: из плоскости рамы (относительно оси у-у).
Подкрановая ветвь:
1860/20,3 = 91,63;
0,602
1212/(0,602·91,8) =21,9 кН/см2 < 24 кН/см2
Наружная ветвь:
1860/19,61 = 94,8;
0,6.
