Расчет и проектирование стальных конструкций балочной клеткиРефераты >> Строительство >> Расчет и проектирование стальных конструкций балочной клетки
3. Расчет и конструирование главной балки
3.1 Расчетная схема. Расчетные нагрузки и усилия
Нагрузку на главную балку при передаче ее через 5 и более балок настила можно считать равномерно распределенной. Расчетная схема и эпюры усилий даны на рисунке 4. Постоянная нагрузка (вес настила, балок настила и вспомогательных балок) найдена при сравнении вариантов. Собственный вес главной балки может приниматься приближенно в размере 2–3% от нагрузки на нее. Грузовая площадь заштрихована на рисунке 5.

Рисунок 4 – Расчетная схема и усилия в главной балке
Рисунок 5 – К определению нагрузки на главную балку
4.2 Расчетная схема и усилие в главной балке
Высоту главной балки hгб целесообразно назначать близкой к оптимальной и кратной 100 мм при соблюдении условия
(см. рис. 1). Минимальная высота определяется из условия обеспечения предельного прогиба
при полном использовании расчетного сопротивления материала по формуле
![]()
. (3.1)
Оптимальная высота определяется по формуле
При этом гибкость стенки
Погонная нагрузка с учетом собственного веса (2%) и веса настила кН/м2
кН/м;
кН/м;
Расчетные усилия
кН·м;
кН·м.
Требуемый момент сопротивления
см3.
Расчетное сопротивление стали С245 при толщине поясных листов до 20 мм составляет
кН/см2.
При этажном сопряжении балок настила (рисунок 1, а)
см.
Минимальная высота (по жесткости)
см.
Задаемся гибкостью стенки
. Тогда
см.
Принимаем h= м, что больше hmin, меньше hmax и близко к hopt.
При расчете с учетом пластических диформаций, задаемся с1=1,1
см3
см
3.3 Подбор сечения главной балки
Находим толщину стенки пологая, что tf=2 cм, hw=h‑2 tf= -2·2= см
а)
.
см = мм;
= 1,21 см = 12 мм.
Принимаем
мм.
Находим требуемую площадь поясов
:
см4;
см4;
см4;
см2;
см.
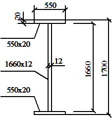
Принимаем пояса из листа 550×20 мм. При этом
см2.
;
;
.
Таким образом, рекомендации выполнены. Принятое сечение балки показано имеет характеристики.
Рисунок 7 – Принятое сечение балки
Геометрические характеристики сечения:
см4,
см3.
Проверка прочности:
МПа
Недонапряжение составляет:
![]()
Проверки прогиба балки не требуется, так как принятая высота
м больше, чем
м.
3.4 Изменение сечения главной балки
Принимаем место изменения сечения на расстоянии 2,3 м от опор, т.е. приблизительно 1/6l, как показано на рисунке 8.
![]()
Рисунок 8 – Изменение сечения по длине
Находим расчетные усилия:
![]()
кН·м;
кН.
Подбираем сечение, исходя из прочности стыкового шва нижнего пояса. Требуемый момент сопротивления равен:
см3.
Для выполнения стыка принята полуавтоматическая сварка без физического контроля качества шва.
см4;
см4;
см2.
см.
Принимаем поясной лист 300×20 мм.
Геометрические характеристики измененного сечения:
см;
см4;
см3;
см3 – статический момент пояса (3.7)
см3. – статический момент половины сечения
Проверка прочности по максимальным растягивающим напряжениям в точке А по стыковому шву (рис. 9).
