Расчет и проектирование стальных конструкций балочной клеткиРефераты >> Строительство >> Расчет и проектирование стальных конструкций балочной клетки
Проверку по металлу границы сплавления делать не нужно, так как
. Принимаем
мм.
3.9 Конструирование и расчет укрупнительного стыка балки
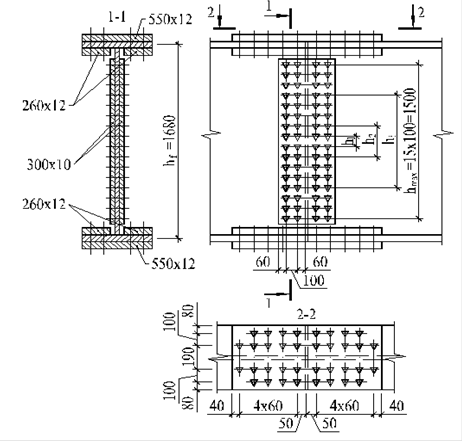
Рисунок 14 – Схема монтажного стыка на высокопрочных болтах
Принимаем болты диаметром 20 мм из стали 40Х «Селект», отверстия диаметром 23 мм. Тогда
кН/см2, Abn = 2,45 см2. Способ подготовки поверхности – газопламенный без консервации, способ регулирования натяжения – по углу поворота гайки. Для этих условий коэффициент трения μ = 0,42, регулятор натяжения gh =1,02. Тогда расчетное усилие на один болт
Qbh=
= 0,7×110×2,45×0,42/1,02 = 77,7 кН.
Стык поясов перекрываем накладками из стали С245 сечением 550×12 с наружной и 2×260×12 с внутренней стороны поясов. При этом суммарная площадь сечения накладок
см2, что несколько больше площади сечения поясов.
Усилие в поясах
кН.
Требуемое количество болтов в стыке поясов
Принимаем 18 болтов. Ставим их, как показано на рис. 14, в соответствии с требованиями
Стык стенки перекрываем парными накладками из листа t =10 мм. Болты ставим в двух вертикальных рядах с каждой стороны стыка на расстоянии в ряду a=100 мм (максимально допустимое расстояние
мм. Число болтов в ряду 16 шт.
мм. Момент, приходящийся на стенку, равен
кН×м;
Проверяем прочность болтового соединения на сдвиг
кН.
4. Расчет и конструирование колонны
4.1 Подбор сечения сплошной колоны балочной площадки
В соответствии с заданием принимаем сплошное сечение колонны. Принимаем шарнирное закрепление концов колонны (коэффициент μ=1). Материал – сталь класса С235, лист t = 4÷20 мм. Ry= 23 кН/см2.
Геометрическая длина колонны равна отметке верха настила (из задания) за вычетом толщины настила tн, высоты балки настила и главной балки hг.б., с учетом выступающей части опорного ребра 2 см, заглубления колонны ниже отметки чистого пола на 0,6 м. с учетом μ=1 составляет
м.
Усилие в колонне
кН.
Рисунок 17 – К определению расчетной длины колонны
Определяем ориентировочную требуемую площадь сечения по формуле (4.1) при
gс = 1
см2
Проектируя колонну с гибкостью, равной примерно l=60, найдём наименьшие размеры h и bf
см
см
Поскольку ширину колонны bf не рекомендуется принимать больше высоты h, а толщину стенки принимают обычно
мм и толщину поясов
, то компонуем сечение колонны с
см.
Принимаем:
пояса – 2 листа 420×15 мм, площадью 2Af=2×42×1,5=126,0 см2
стенка – 1 лист 460×10 мм, площадью Aw=4,6×1.0=46.0см2, рис. 18
Площадь сечения колонны
см2.
![]()
![]()
Рисунок 18 – Сечение сплошной колонны
Находим геометрические характеристики принятого сечения:
см4;
см;
см.
Гибкость колонны в обоих направлениях будет соответственно равна:
По большей из гибкостей находим коэффициент продольного изгиба
(табл. П.Б.16) и проверяем устойчивость стержня колонны
кН/см2<Ry=23 кН/см2.
Недонапряжение составляет
< 5%
Местная устойчивость стенки стержня колонны обеспечена. Таким образом, подобранное сечение удовлетворяет требованиям общей и местной устойчивости и может быть выполнено с помощью автоматической сварки.
Поперечные ребра не требуются т.к.
.
4.2 Конструкция и расчет оголовка колонны
Принимаем плиту оголовка толщиной tпл= 25 мм и размерами 530x420 мм. Давление главных балок передается колонне через ребро, приваренное к стенке колонны четырьмя угловыми швами Д. Сварка полуавтоматическая, в углекислом газе, проволокой Св‑08Г2С,
кН/см2,
кН/см2, βf=0,7 βz=1,0.
Принимаем ширину ребер 200 мм, что обеспечивает необходимую длину участка смятия
мм. Толщину ребер находим из условия смятия
см=25 мм.
Рисунок 21 – Оголовок колонны
Принимаем tp = 25 мм. Длину ребра lр находим из расчета на срез швов Д его прикрепления. Примем kf =10 мм. Тогда
см.
Принимаем lp=51 см. При этом условие
см выполнено. Шов Е принимаем таким же, как и шов Д. Проверяем стенку на срез вдоль ребра
