Расчет и проектирование стальных конструкций балочной клеткиРефераты >> Строительство >> Расчет и проектирование стальных конструкций балочной клетки
кН/см2;
;
Находим критические напряжения
кН/см2;
кН/см2;
кН/см2.
Проверяем устойчивость стенки отсека №2:
Устойчивость стенки обеспечена.
Проверяем устойчивость стенки отсека №3
кН×м;
кН;
кН/см2;
кН/см2;
кН/см2;
;
Находим критические напряжения
кН/см2;
кН/см2;
кН/см2.
Проверяем устойчивость стенки отсека №3:
Устойчивость стенки обеспечена.
Проверяем устойчивость стенки отсека №4
кН×м;
кН;
кН/см2;
кН/см2;
кН/см2;
;
Находим критические напряжения
кН/см2;
кН/см2;
кН/см2.
Проверяем устойчивость стенки отсека №4:
Устойчивость стенки обеспечена.
3.7 Расчет поясных швов главной балки
Поясные швы примем двусторонними, так как
. Расчет выполняем для наиболее нагруженного участка шва у опоры под балкой настила. Расчетные усилия на единицу длины шва составляют
кН/см;
кН/см.
1 – сечение по металлу шва;
2 – сечение по металлу границы сплавления
Рисунок 11 – К расчету поясных швов
Сварка автоматическая, выполняется в положении «в лодочку» сварочной проволокой Св‑08Га. Для этих условий и стали С245 находим
кН/см2;
кН/см2;
![]()
.
Принимаем минимальный катет шва
мм. (см. табл. 6 прил. Б)
Проверяем прочность шва:
кН/см2 <
кН/см2;
по металлу границы сплавления
кН/см2 <
кН/см2;
Таким образом, минимально допустимый катет шва достаточен по прочности.
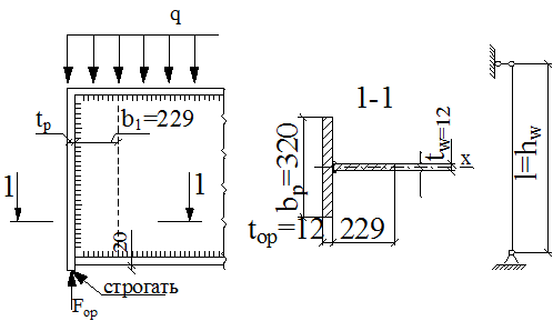
3.8 Конструирование и расчет опорной части балки
Рисунок 13 – Вариант опорной части балки
Ребро крепится к стенке полуавтоматической сваркой в углекислом газе сварочной проволокой Св‑08Г2С. Размер выступающей части опорного ребра принимаем 20 мм. Из условия смятия находим
см2;
Ширину опорного ребра
принимаем равной ширине пояса уменьшенного сечения балки:
. Тогда:
см.
Принимаем ребро из листа 300×14 мм.
Площадь
см2 >
см2.
Проверяем устойчивость опорной части
см;
см4; (моментом инерции участка стенки шириной
пренебрегаем ввиду малости)
см2;
По таблице 16 прил. Б находим путем интерполяции
кН/см2<Ry=24 кН/см2.
Проверяем местную устойчивость опорного ребра
см;
Подбираем размер катета угловых швов по формуле:
откуда
см = 7 мм, где
![]()
![]()
кН/см2;
кН/см2;
