Расчет и проектирование фундаментов мелкого заложения и свайных фундаментовРефераты >> Строительство >> Расчет и проектирование фундаментов мелкого заложения и свайных фундаментов
8.1. Среднее давление подошвы фундамента Рср = 479,7 кПа
8.2. Вычисляем и строим эпюру естественного давления
8.3. Рассчитываем дополнительную вертикальную нагрузку
8.4. Высота рассчитываемых слоёв hi = 0,2 ' b = 0,2 ' 4,09 = 0,82 м
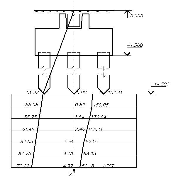
8.5. Вычисляем и строим эпюру , где
б – коэффициент затухания напряжений. Зависит от соотношения сторон фундамента и относительной глубины, выбирается значение из таблицы СниПа.
8.6. Находим нижнюю границу сжимаемой толщи:
В нашем случае 60.305 кПа > 49,977 кПа, условие выполняется.
8.7. Считаем суммарную осадку по всем слоям:
8.8. Проверяем выполнение условия S < Su . В нашем случае 3,37 см < 12 см, где Su = 12 см – предельное значение осадки
Расчёты по данному алгоритму приведены ниже в таблице 6.
Таблица 6
|
№ эл. |
Z, м |
о |
б |
у zg0, кПа |
0.2 у zg0, кПа |
у zpi, кПа |
у zpiср, кПа |
Е, кПа |
S, м |
|
0 |
0 |
0 |
1,000 |
259,58 |
51,92 |
154,41 |
22,5х103 | ||
|
1 |
0,80 |
0,4 |
0,972 |
275,42 |
55,08 |
150,08 |
152,25 |
22,5х103 |
0,00433 |
|
2 |
1,60 |
0,8 |
0,848 |
291,26 |
58,25 |
130,94 |
140,51 |
22,5х103 |
0,00399 |
|
3 |
2,40 |
1,2 |
0,682 |
307,10 |
61,42 |
105,31 |
118,13 |
22,5х103 |
0,00336 |
|
4 |
3,20 |
1,6 |
0,532 |
322,94 |
64,59 |
82,15 |
93,73 |
22,5х103 |
0,00266 |
|
5 |
4,00 |
2,0 |
0,414 |
338,78 |
67,75 |
63,93 |
73,04 |
22,5х103 |
0,0020 |
|
6 |
4,80 |
2,4 |
0,325 |
354,62 |
70,92 |
50,18 |
57,05 |
22,5х103 |
0,00162 |
|
0,0153 | |||||||||
Эпюра распределения напряжений szp , szg
|
Фундамент на естественном основании |
Фундамент на искусственном основании |
Свайный фундамент | |
|
Объем земли м3 |
2747,52 |
14808,81 |
3432,36 |
|
Объем бетона м3 |
165,63 |
295,66 |
662,48 |
|
Объем обратной засыпки |
2581,89 |
113,63 |
2770,88 |
|
Количество арматуры, кг |
792,12 |
1502,256 |
284,6 |
|
Доп. работы |
устройство гидроизоляции и дренажа |
уплотнение грунтовой подушки |
забивка и доставка свай |
|
Осадка, мм |
66 |
49 |
15 |
IV. Технико-экономическое сравнение вариантов
Таблица 7
Считаю, что самый рациональный фундамент будет фундамент мелкого заложения на естественном основании т.к. объем земляных работ и объем бетона меньше чем у других вариантов. Для дальнейшего расчета принимаем фундаменты мелкого заложения на естественном основании.
V. Расчет фундамента мелкого заложения на естественном основании по ряду Г
1. Выбор глубины заложения фундамента
Глубина заложения фундамента зависит от:
- климатического района строительства (глубины промерзания грунта);
- технологических особенностей проектируемого здания (наличия подвалов, технологических каналов, расположенных в подземной части здания, технологических отстойников, водящих боровов, подводящих трубопроводов и др.);
- конструктивных особенностей проектируемого здания или сооружения;
- фактора инженерно-геологических условий.
1.1. С учетом глубины промерзания глубина заложения фундамента назначается по расчетной схеме глубины сезонного промерзания грунта df, которая устанавливается следующим образом:
Нормативная глубина сезонного промерзания грунта определяется по формуле:
м,
где Mt - безразмерный коэф., численно равный сумме абсолютных значений среднемесячных отрицательных температур за зиму в данном районе по СНиП 2.01.01-82 "Строительная климатология и геофизика" (для Днепропетровска Mt = -13,3).
