Расчет электромеханического приводаРефераты >> Авиация и космонавтика >> Расчет электромеханического привода
4.2. Эскизная компоновка привода
4.2.1. Ориентировочный расчет валов.
Определяем ориентировочный диаметр вала
по формуле
,
где
- крутящий момент, передаваемый валом,
- условное допускаемое напряжение при кручении,
Примем
;
;
;
,
Тогда
,
,
,
,
Примем диаметры валов
;
;
;
.
4.2.2. Эскизная компоновка
На эскизной компоновке редуктора проводим оси валов на расстоянии равном межосевому расстоянию, определенному в предыдущих пунктах.
;
.
Шестерни и колеса вычерчиваем упрощенно с габаритами принятыми в соответствии с справочными таблицами. Габаритные размеры колес представлены в таблице 7 и на рис.3
Таблица 7
|
№ шестерни/колеса |
|
|
|
|
|
1 |
9 |
3 |
- |
- |
|
2 |
26.1 |
2.4 |
5 |
7 |
|
3 |
6 |
3 |
- |
- |
|
4 |
24.6 |
2.4 |
10 |
9 |
|
5 |
12.17 |
3.6 |
- |
- |
|
6 |
20.7 |
3.6 |
10 |
9 |
рис.3
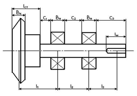
Принимаем зазор между торцами ступиц колес и торцами подшипников
, расстояние между торцами подшипников
, длину от торца подшипника до конца вала
; длинна ступицы колеса
; ширина диска зубчатого колеса
; ширина подшипника
; длина шпоночного паза
.
рис. 4
Определяем расстояние между опорами и точками приложения сил, согласно схеме на рис.4:
- расстояние между серединой венца конической шестерни и серединой подшипника,
- расстояние между серединами подшипников,
- расстояние между серединой подшипника и серединой шпоночного паза:
,
,
,
4.3. Расчет нагрузок действующих на вал
Схема редуктора с указанием действующих на валы усилий показана на рис.5.
Произведем расчет нагрузок действующих на выходной вал.
Находим окружное усилие на зубчатом колесе конической передачи
;
Где
- средний делительный диаметр колеса,
,
Тогда
.
Находим радиальное усилие на шестерне конической передачи
и равное ему осевое усилие на колесе конической передачи
.
