Автоматизация линии раздачи кормов в свинарникеРефераты >> Ботаника и сельское хоз-во >> Автоматизация линии раздачи кормов в свинарнике
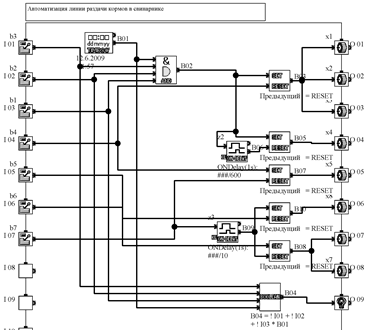
Рисунок 5.4 – Пример программы реализуемой на контроллере
Описание структурных блоков программы:
Линия запускается по сигналу от элемента TIMESW. В случае срабатывания датчиков (b1, b2, b3) на выходе логического элемента AND формируется логическая единица, которая поступает на вход SET элемента SET/RESET. В результате на выходах O 01…O 03 формируется логическая единица. Как только заполниться смеситель срабатывает датчик b5 и логическая единица со входа O 04 поступает на вход RESET элемента SET/RESET. В результате на выходах O 01…O 03 формируется логический ноль.
Аналогичным образом переводим остальные структурные формулы. Полученную программу приводим на рисунке 5.4
Рисунок 5.4 - Структурная схема САУ разработанная набазе α-2 контроллера
6. Разработка полной принципиальной электрической схемы
Принципиальная электрическая схема управления должна обеспечить:
- безопасность людей;
- надежную работу технологической линии;
- удобство в эксплуатации;
- быть экономически целесообразной.
При проектировании электрической принципиальной схемы руководствуемся действующим стандартом на условные обозначения элементов на принципиальных электрических схемах, правилами устройства электроустановок. Принимаем следующие буквенно-цифровые обозначения аппаратов:
X1 – привод питателя картофеля (KM1);
X2 – привод питателя концкормов (KM2);
Х3 – привод насоса обрата (KM3);
X4 – привод мешалки раздатчика (KM4);
X5 – привод кормораздатчика (раздача) (KM5);
X6 – привод кормораздатчика (обратный ход) (KM6);
X7 – привод выгрузного устройства 1 (KM7);
X8 – привод выгрузного устройства 2 (KM8);
b1 – датчик уровня питателя комбикорма (SL1);
b2 – датчик уровня питателя концкормов (SL2);
b3 – датчик уровня емкости для обрата (SL3);
b4 – датчик уровня смесителя (SL4);
b5 – концевик, срабатывающий при положении кормораздатчика под питателем (SQ1);
b6 – концевик (начало кормушек) (SQ2);
b7 – концевик (конец кормушек) (SQ3);
Для проведения пуско-наладочных работ предусматриваем в схеме возможность независимого включения электродвигателей, для этой цели устанавливаем пакетный переключатель SA1, а для включения электродвигателей (магнитных пускателей) устанавливаем кнопки управления SB1 – SB8.
Также в схеме предусмотрена защита от перегрузки тепловыми реле КК1 – КК7, и световая сигнализация, посредствам сигнальных ламп HL1 –HL10.
В полном объеме электрическую принципиальную схему вычерчиваем на листе 2 графической части.
7. Выбор средств автоматизации
7.1 Расчет параметров потребителей
Для выбора средств автоматизации необходимо рассчитать рабочие параметры потребителей, в частности в нашем случае электродвигателей.
Номинальный ток электродвигателя:
(7.1)
где Рн - Номинальная мощность электродвигателя, кВт;
cosφ – коэффициент мощности ЭД, о.е.;
Uн – номинальное напряжение, кВ.
Для привода питателя картофеля:
Технические данные потребителей сводим в таблицу 7.1.
Таблица 7.1 ─ Технические данные электродвигателей [5, приложение 10]
|
Обозначение |
Наименование рабочей машины |
Тип |
Рн |
Iн |
η |
nн |
cos φ |
Ki |
|
кВт |
А |
% |
мин-1 |
о.е. |
о.е | |||
|
М1 |
Питатель картофеля |
АИР90L4 |
2,2 |
6,02 |
81 |
1500 |
0,83 |
6,5 |
|
М2 |
дозатор – питатель кормнцкормов |
АИР71В4 |
0,75 |
2,05 |
73 |
1500 |
0,76 |
5 |
|
M3 |
насос обрата |
АИР71В4 |
0,75 |
2,05 |
73 |
1500 |
0,76 |
5 |
|
M4 |
мешалка |
АИР100S4 |
3,0 |
6,1 |
84,5 |
1500 |
0,88 |
7 |
|
М5 |
корморазадтчик |
АИР80А4 |
1,1 |
2,75 |
75 |
1500 |
0,81 |
5,5 |
|
М6 |
выгрузное устройство 1 |
АИР80А4 |
1,1 |
2,75 |
75 |
1500 |
0,81 |
5,5 |
|
М7 |
выгрузное устройство 2 |
АИР80А4 |
1,1 |
2,75 |
75 |
1500 |
0,81 |
5,5 |
7.2 Выбор автоматических выключателей
Автоматические выключатели выбираем для защиты цепи и электродвигателей от перегрузки и токов короткого замыкания.
Выбираем автоматический выключатель по следующим условиям:
– номинальному напряжению автомата
Uн.а ≥Uн.с.,(7.2)
где Uн.а. – номинальное напряжение автоматического выключателя, В;
Uн.с. – номинальное напряжение сети, В.
– номинальному току автомата
Iн.а. ≥Iдл.,(7.3)
где Iн.а. – номинальный ток автоматического выключателя, А;
Iдл. – рабочий ток цепи, защищаемой автоматом, А.
Для группы токоприемников:
(7.4)
(7.5)
