Зависимость изменения скорости протекания электролиза от концентрации электролита
Влияние кислорода по катодному току исключают барбатированием водорода, азота или инертного газа. Мешалка необходима для выравнивания концентрации вещества в полном объеме. Тип кулонометра, включаемого в измерительную цепь, определяется допустимой погрешностью измерений.
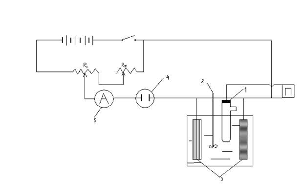
рис. 5 Схема электрической цепи для кулонометрического анализа
при постоянном потенциале.
П – потенциометр
1 – электрод сравнения 5 - миллиамперметр
2 – мешалка R1 и R2 – переменные
3 – электроды сопротивления
4 - кулонометр
Работа сводится к наложению на электрод потенциала (при котором возможна лишь одна реакция), к его поддержанию на заданном уровне, к установлению конца реакции и к определению количества протекшего электричества. Так как для достижения 100-процентного выделения вещества из раствора требуется много времени, то электролиз прекращают, когда сила тока уменьшится в 100 – 500 раз. Процесс заканчивается тем быстрее, чем больше площадь электрода, на котором происходит разряд вещества, и чем меньше объём электролита.
Катодное восстановление веществ с аналитической целью часто проводят на ртути. В этом случае перенапряжение водорода так высоко, что оно не мешает определению.
10. Заключение.
Теоретическое значение открытых закономерностей было очень велико. Они подтвердили атомистическую природу электричества. Законы, установленные Фарадеем, дали возможность применять процессы электролиза па практике и позволили делать количественные расчеты. Оказалось, что законы Фарадея в полной мере применимы к электродным процессам, происходящим в гальванических элементах при их работе.
