Разработка системы автоматического регулирования давления в сети нефтепроводаРефераты >> Технология >> Разработка системы автоматического регулирования давления в сети нефтепровода
Пульт ручного управления позволяет выполнять процедуры просмотра,
редактирования параметров электропривода, запуска и контроля режимов его работы. Дополнительная диагностика состояния электропривода выполняется с помощью светодиодных индикаторов на лицевой панели блока.
Взаимосвязь основных функциональных узлов системы автоматического регулирования давления показана на рис. 3.2.
|
|
Рис. 3.2. Функциональная схема САР давления |
Для измерения давления в сети нефтепровода используются датчики Метран 3095MV 1ExibllCT5X (взрывозащищённое исполнение “искробезопасная электрическая сеть”).
Датчик давления 3095MV на основе пьезорезистивного сенсора может измерять как перепад давления, так и абсолютное давление. Имеет настраиваемый диапазон измерения с большей точностью в узких пределах, что особенно важно для системы автоматического регулирования давления нефтеперекачивающей станции, где не требуется широкий диапазон измерения. 3095MV имеет унифицированный выходной токовый сигнал 4-20 мА с накладываемым цифровым сигналом типа HART.
Основные технические характеристики датчиков давления, согласно [18], вынесены в табл. 3.3.
Таблица 3.3
Технические характеристики датчика Метран 3095MV
|
Характеристика |
Значение |
|
Диапазон измерения – нижняя граница, кПа |
0 – 55,16 |
|
Диапазон измерения – верхняя граница граница, кПа |
0 – 25000 |
|
Выходной сигнал, мА |
4 – 20 |
|
Предел погрешности измерения, % |
±0,075 |
|
Средняя наработка на отказ, ч |
100000 |
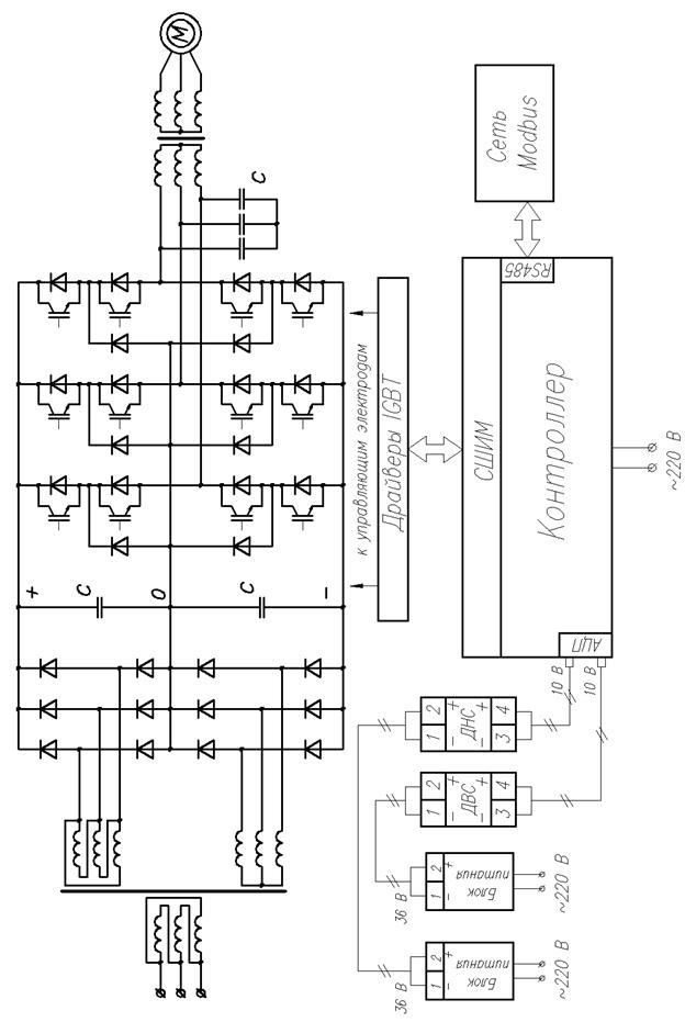
Принципиальная схема системы автоматического регулирования давления приведена на рис. 3.3.
|
|
Рис. 3.3. Принципиальная схема САР давления |
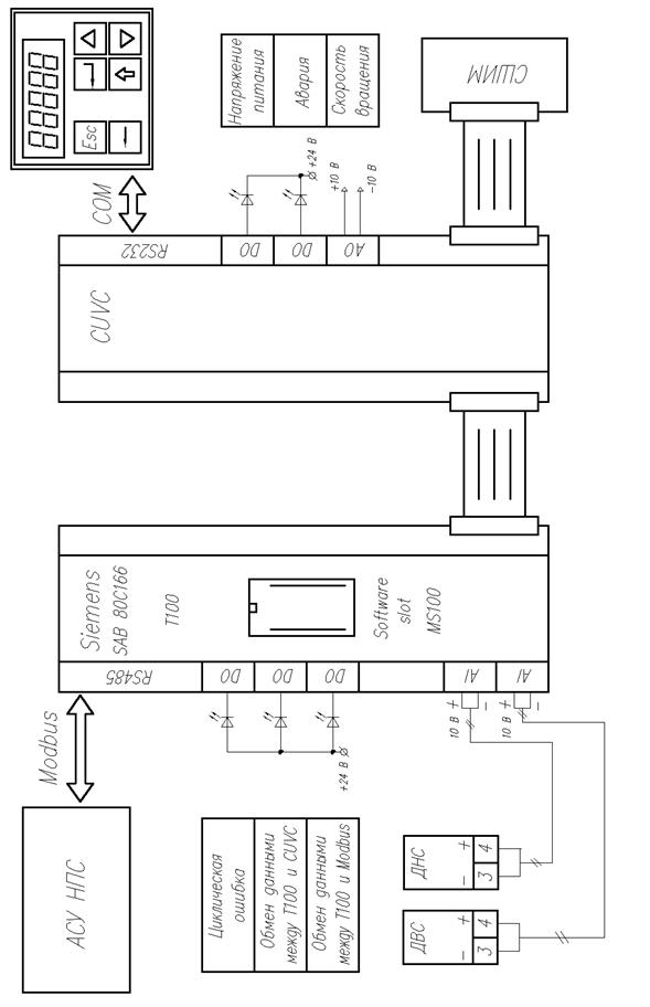
Принципиальная схема системы управления электропривода с обозначением задействованных выводов изображена на рис. 3.4.
Для анализа работы САР давления рассмотрим динамические процессы системы при пуске до максимальной рабочей скорости насоса, останове МНА, повышении давления на нагнетании станции выше допустимого и снижении давления на всасывании станции ниже допустимого при условиях, рассмотренных в анализе разомкнутой системы электропривода МНА. Согласно структурной схеме САР давления имеем следующие уравнения:
|
|
(3.3) |
где ω* = ω/ω0н – относительная скорость вращения АД;
M* = M/Mн – относительный момент АД;
= Mc/Mн – относительный статический момент нагрузки;
λ – перегрузочная способность АД;
TM – электромеханическая постоянная времени, TM = 0,58 с.
|
|
(3.4) |
где sн – номинальное скольжение АД;
α = f/fн – относительная частота напряжения питания.
|
|
(3.5) |
где
– относительное напряжение задания частоты;
Tп – постоянная времени ПЧ, Tп = 0,01 с.
|
|
Рис. 3.4. Принципиальная схема системы управления электропривода |
|
|
(3.6) |
где ε – относительная ошибка регулирования.
Ошибка регулирования корректируется блоком ограничения (БО) для ограничения максимального динамического момента электропривода при переходных процессах. Эту коррекцию можно представить следующим образом:
|
|
(3.7) |
где
– относительное напряжение задания давления;
p* – относительное давление;
εmax – максимальная относительная ошибка регулирования.
|
|
(3.8) |
где pст* – относительное статическое давление в сети нефтепровода;
pmax – максимальное рабочее давление на выходе НПС, Па;
Pцн – давление, создаваемое ЦН в номинальном режиме работы, Па.
Графики переходных процессов в САР давления построены в среде MathCAD 2000 Professional с использованием подпрограммы rkfixed (метод Рунге-Кутта).
Кривые переходных процессов при пуске приведены на рис. 3.5. Как видно из графиков максимальный пусковой момент больше номинального всего в 1,05 раз, перерегулирование по давлению незначительно.
Рис. 3.5. Графики динамических процессов САР давления при пуске
Графики переходных процессов при превышении максимально допустимого давления на нагнетании нефтеперекачивающей станции приведены на рис. 3.4.
Так как регулятор скорости в системе ПЧ АД представляет собой интегро-пропорциональное звено, то система является астатической и изменение нагрузки не влияет на установившееся значение скорости АД, и, следовательно, на давление на выходе НПС. Таким образом, возмущающее воздействие на АД компенсируется полностью. Из графиков следует, что система автоматического регулирования способна стабилизировать давление в сети нефтепровода в соответствии с сигналом задания. Перерегулирование по давлению незначительно.

,
,
,
,
,
,