Проектирование и расчет несущих конструкций железобетонного каркаса одноэтажного промышленного зданияРефераты >> Строительство >> Проектирование и расчет несущих конструкций железобетонного каркаса одноэтажного промышленного здания
В вертикальных ребрах жесткости диафрагм через 1.5-1.6 м ставим подвески из арматур Ø10 A-III.
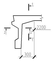
Расчет анкеров.
Площадь рабочей поверхности анкера рабочей арматуры каждой диафрагмы определяется из условий:
,
где М1 – изгибающий момент на всю ширину панели в сечении, расположенном на расстоянии 1.5 м от рабочей поверхности анкера; z1 – расстояние по вертикали от оси рабочей арматуры диафрагмы до оси оболочки в этом же сечении.
Площадь поверхности анкера по формуле:
Принимаем анкер с упорной плитой шириной 180 мм и высотой 140 м.
Расчет панели по деформациям (прогибам)
Определяем прогиб панели в середине пролета с учетом длительного действия нагрузки при коэффициенте надежности γf=1 по формуле:
,
где q1 – кратковременно действующая часть нагрузки; φb2 – коэффициент, учитывающий влияние длительной ползучести бетона; q2 – длительно действующая часть нагрузки; q3 – эквивалентная по моменту в середине пролета равномерно распределенная нагрузка от сил предварительного натяжения.
,
где Р0 – равнодействующая усилий в напрягаемой арматуре до обжатия бетона;
σlos = σ6+ σ8+ σ9 – потери напряжений в арматуре.
σ’los – потери напряжений до уровня сжатой зоны бетона.
Расчет панели по образованию трещин
Рассмотрим сечение в середине пролета панели. Момент сопротивления для растянутой грани сечения:
Расстояние zy от центра тяжести сечения до верхней ядровой точки с учетом коэффициента 0.8 определяем по формуле:
Изгибающий момент в середине пролета при образовании трещин:
Wpl - момент сопротивления для растянутой грани сечения с учетом неупругих деформаций бетона;
Р02 – равнодействующая усилий в напрягаемой арматуре с учетом всех потерь:
Это соответствует равномерно распределенной нагрузке при образовании трещин.
Таким образом, трещиностойкость панели при γf=1 обеспечена, трещины появляются при нагрузках с коэффициентом надежности γf>1, при которых расчетный изгибающий момент:
Прочность сопряжения оболочки с диафрагмой
Прочность проверяем расчетом на изгиб в сечениях 1-1 и 2-2 при действии на оболочку расчетных изгибающих нагрузок. При принимаем момент М1 ( в сечении 1-1) и М2 (в сечении 2-2) одинаковым, который определяем по формуле:
,
где l0 – размер оболочки между вутами;
av – ширина вута от внутренней грани диафрагмы;
q1 – расчетная изгибающая нагрузка при наиболее неблагоприятной схеме загружения.
Момент М1 воспринимается поперечной арматурой сетки оболочки, где на 1 м предусмотрено 5Ø5 Вр-I, As=0.98 см2.
Эта арматура может воспринять момент
,
где
,
h0 =7-1.5=5.5 см (в сечении 1-1)
Условие прочности соблюдается.
Дополнительное армирование сопряжения оболочки с диафрагмой по расчету не требуется.
Момент М2 воспринимается арматурой подвесок, располагаемых в ребрах жесткости диафрагм.
При Ø10 A-III, As=0.78 см2 и b<12bр=12х4=48 см (bр=4 см – толщина стенки диафрагмы), h0=0.5х1.2 см=6 см;
Момент, воспринимаемый сечением:
Условие удовлетворяется.
Список используемой литературы
1. Железобетонные конструкции промышленных зданий: А.И. Заикин – М.: ABC 202. – 272c.
2. Мандриков А.П. "примеры расчета железобетонных конструкций" М. Стройиздат. 1991г, 430с.
3. СНиП II-03-01* Нормы проектирования. Бетонные и железобетонные конструкции М.: Стройиздат, 1989г.
4. СНиП 2.01.07-85 Нагрузки и воздействия М., 1985.
5. Байков В. Н., Сигалов Э. Е. "Железобетонные конструкции", учебник, М., Стройиздат, 1991.
6. Методические указания по расчету поперечников, расчетам плит перекрытия, балок. СТИ МИСиС, 1998, 1999г.
7. Шерешевский И. А. Конструирование промышленных зданий и сооружений, М., Стройиздат, 1979г.
8. Трепененков Р.Н. Альбом чертежей конструкций и деталей промышленных зданий, М., Стройиздат, 1980 г.
9. К.И. Вилков Одноэтажная рама промздания в сборном железобетоне, НАСА, Нижний Новгород, 1990 г.
10. Пособие по проектированию бетонных и железобетонных конструкций из тяжелых и легких бетонов без предварительного напряжения арматуры (к СНиП 2.03.01-84).
11. Пособие по проектированию фундаментов на естественном основании под колонны зданий и сооружений (к СНиП 2.03.01-84 и СНиП 2.02.01-83).
