Проектирование многопустотной железобетонной плиты перекрытияРефераты >> Строительство >> Проектирование многопустотной железобетонной плиты перекрытия
2.3.2 Предварительный подбор сечения продольной арматуры
Изгибающий момент в середине пролета:
кНм.
В расчетах по предельным состояниям первой группы расчетная толщина сжатой полки приведенного таврового сечения (рис. 2.3) принимается равной фактическому значению (
). Ширина полки bf’, вводимой в расчет, принимается равной всей ширине верхней полки плиты, так как имеет место:
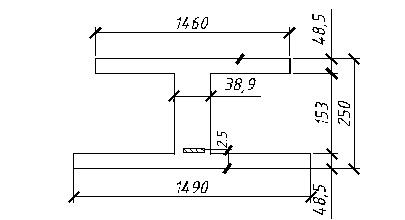
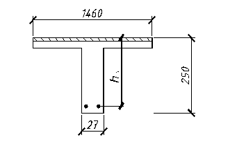
[3, п.3.16]. Ширина ребра b=1,46 - 7´0,17 = 0,27 м.
Рис. 2.3 - Сжатая полка сечения плиты
Предположим, что нейтральная ось проходит в пределах полки (I случай), то есть
[1, 3.3].
где
см
см, подтверждается 1-ый случай расчета.
Для вычисления коэффициента условия работы gsb по формуле
, [3, 27]
принимаем предварительно xR=0,55. Для арматуры класса A-IV коэффициент h=1,2 [3, п.3.13]. Тогда
Принимаем gsb=1,2.
Требуемое сечение арматуры равно:
Принимаем 6Æ10A-IV (Asp=4,74 см2) [прил. 4]. Размещение арматуры приведено на рисунке 2.4.
Рис. 2.4 - Размещение рабочей арматуры.
2.3.3 Определение характеристик приведённого сечения
Заменяем пустоты равновеликими по площади и моментам инерции прямоугольниками. При круглых пустотах диаметрами d сторона квадратного отверстия равна: hred=0,9d=0,9´17=15,3 см.
Толщина полок, приведенного сечения hf = hf’=(25-15,3)´0,5=4,85 см.
Ширина ребра 146-7´15,3=38,9 см [рисунок 2.4].
[3, п. 4.5]
Рис. 2.4. Приведенное сечение плиты
Приведенная площадь сечения:
![]()
м2.
Приведенный статический момент относительно нижней грани сечения:
м3.
Положение центра тяжести приведенного сечения:
м.
Приведенный момент инерции:
Момент сопротивления по нижней зоне
м3,
то же по верхней зоне
м3.
2.3.4 Назначение величины предварительного напряжения арматуры
Для арматуры должны выполняться условия:
и
[3, 1]
где значение допустимых отклонений Р при электротермическом способе принимается [3, п.1.23]:
МПа [3, 2]. Тогда
МПа,
МПа.
Принимаем ssp =500 МПа.
2.3.5 Определение потерь предварительного напряжения
Первые потери (
):
1. От релаксации напряжений арматуры. При электротермическом натяжении стержневой арматуры:
s1=0,03ssp=0,03´500=15 МПа [3, поз.1 табл.5].
2. От температурного перепада потери не учитываются, так как форма с изделием подогревается в тоннельной камере до одинаковой температуры.
3. От обмятия анкеров. При электротермическом способе натяжения в расчете не учитывается
[3, табл.5, поз.3].
4. От сил трения арматуры. При натяжении на упоры и отсутствии огибающих приспособлений не учитываются
[3, табл.5, поз.4].
5. От деформации стальной формы. При электротермическом способе натяжения в расчете не учитываются
[3, табл.5, поз.5].
6. От быстронатекающей ползучести бетона [3, табл.5, поз.6]. Напряжения в бетоне на уровне центра тяжести предварительно напряженной арматуры sbp равны
МПа, [4, п.33]
где
м,
кН,
МПа.
Передаточная прочность бетона Rbp для арматуры A-IV назначается по [3, п.2.6] из условия Rbp ³ 11 МПа, Rbp ³ 0,5B25 =12,5 МПа.
Принимаем Rbp=12,5 МПа.
.
Так как
, то
МПа
Суммарные первые потери
МПа.
Вторые потери:
7. От усадки бетона [3, табл.5, поз.8]. Для В25 < В35 и при тепловой обработке изделия при атмосферном давлении s8=35 МПа.
8. От ползучести бетона [3, табл.5, поз.9].
МПа,
где
кН
Так как sbp/Rbp=2,28/12,5=0,182 < 0,75, то
МПа,
где a = 0,85 - при тепловой обработке бетона.
Суммарные вторые потери slos2 = 23,25 + 35 = 58,25 МПа.
Общие потери slos =slos1 + slos2 =22,42 + 58,25 =80,67 МПа. В соответствии с [3, п.1.2.5] принимаем slos = 100 МПа.
2.3.6 Проверка прочности бетона в стадии обжатия
Напряжения в бетоне на уровне крайнего сжатого волокна после отпуска арматуры равны [2, п.1.29]:
