Проектирование многопустотной железобетонной плиты перекрытияРефераты >> Строительство >> Проектирование многопустотной железобетонной плиты перекрытия
Подбор сечения арматуры производим в расчетных сечениях ригеля.
3.5.1 Сечение в первом пролете
М = 266,2 кНм [рис. 3.3];
м;
0,349,
Необходимо изменить сечение: Примем h=65см.
Вычислим новый собственный вес балки и расчетную нагрузку на погонный метр балки
При h= 55 см Qb = b h γ = 0,3 x 0,55 x 25 = 4.125 кН/м,
8,77+4.125·1,1= 57.82 кН/м.
При h= 65 см Q*b = b h γ = 0,3 x 0,65 x 25 = 4.875 кН/м,
8,77+4.875·1,1= 58.64 кН/м.
м;
0,242
м2
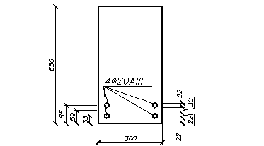
Принимаем 4Æ22A-III As = 15,2 см2 [1, прил. 4].
Рис. 3.4 – Сечение ригеля в первом пролете
Определим фактическую несущую способность балки в первом пролёте МU1, при полном количестве арматуры. Фактическая высота сжатой зоны:
м;
где а*= (у1 +у2)/2=(33+85)/2 = 59мм,
у1=22+22/2=33 мм, у2=22+22+30+22/2=85 мм [3, п.5.12];
302<0.35,
МU1=
278.37кНм > 266,2 кНм.
Необходимая несущая способность обеспечена.
3.5.2 Сечение во втором пролете
М = 172,6 кНм;
м; вычисляем:
=0,157
,
м2.
Принимаем 6Æ14A-II, c As =9.23 см2.
Рис. 3.5 – Сечение ригеля во втором пролете
Определим фактическую несущую способность балки во втором пролёте МU2, при полном количестве арматуры. Фактическая высота сжатой зоны:
м;
где а*=(27+71)/2 = 49мм,
у1=20+14/2=27 мм, у2=20+14+30+14/2=71 мм [3, п.5.12];
0,181
,
МU2=
184.15кНм > 172,6 кНм.
Необходимая несущая способность обеспечена.
3.5.3 Сечение на опоре В
М1 = 240,4 кНм;
м.
Определяем изгибающий момент у грани колонны со стороны второго пролета (QBL > QBR):
кНм.
Вычисляем:
0,184,
,
м2
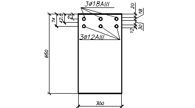
Принимаем 3Æ18A-III в верхней части, c As =7.63 см2, и 3Æ12 A-III,
c As =3.39см2 , общей площадью As = 11.02 см2
Рис. 3.7 – Сечение ригеля у опоры B
Определим фактическую несущую способность балки на опоре С МUС, при полном количестве арматуры. Фактическая высота сжатой зоны:
м;
где а*=
=42.8 см,
у1=20+18/2=29 см, у2=20+18+30+12/2=74 см [3, п.5.12];
,
,
МUС=
218.2кНм > 208,6 кНм.
Необходимая несущая способность обеспечена.
3.5.4 Сечение на опоре С
М = 240,7 кНм;
м;
Определяем изгибающий момент у грани колонны со стороны второго пролета (QBL > QBR):
кНм.
Вычисляем:
19
м2.
Принимаем 3Æ18A-III в верхней части, c As =7.63 см2, и 3Æ12 A-III,
c As =3.39см2 , общей площадью As = 11.02 см2
Рис. 3.7 – Сечение ригеля у опоры С
Определим фактическую несущую способность балки на опоре С МUС, при полном количестве арматуры. Фактическая высота сжатой зоны:
м;
где а*=
=42.8 см,
у1=20+18/2=29 см, у2=20+18+30+12/2=74 см [3, п.5.12];
,
,
МUС=
218.2кНм > 208,6 кНм.
Необходимая несущая способность обеспечена.
3.6. Расчет прочности ригеля по сечениям
наклонным к продольной осиРасчет производится по наклонным сечениям у опоры А, опоры В слева и справа и у опоры С.
3.6.1 Расчет наклонного сечения у опоры А
174кН;
м,
где а = 20+20/2=30 см – координата центра тяжести нижнего ряда арматуры [п. 3.5.1]. Вычисляем несущую способность бетона:
105кН.
где
. Так как QA = 174 кН >
=105 кН, то необходимо произвести подбор поперечной арматуры. Определяем длину проекции на продольную ось элемента наиболее опасного наклонного сечения (С):
218кНм;
где
=2 [3, п.3.31*]
