Проектирование моста через несудоходную рекуРефераты >> Строительство >> Проектирование моста через несудоходную реку
b – расчетная ширина сечения (100см);
x – высота сжатой зоны бетона, определяемая по формуле:
, (4.7)
Имеем М=3395,000 кНсм < 850*100*2,1*(22,4+0,5*2,1) = 4185,825 кНсм, следовательно, прочность плиты обеспечена.
4.4 Расчет главной балки
В качестве расчетной схемы пролета принята балка на двух шарнирных опорах с пролетом lр, равным расстоянию между центрами опорных частей (lр=15,8м). Опасными сечениями являются сечения в середине пролета, где действует наибольший изгибающий момент M0,5, и сечение на опоре, где действует максимальная поперечная сила Q0. Расчетные усилия в опасных сечениях получаем загружением соответствующих линий влияния (рисунок 4.1).
Рисунок 4.1- Расчетная схема и линии влияния усилий
Постоянная равномерно распределенная нагрузка от собственного веса пролетного строения с тротуарами и перилами
, (4.1)
где
- объем пролетного строения;
- удельный вес железобетона (
);
- вес одного погонного метра двух тротуарных плит с перилами (4,9 кН/м):
кН/м.
Нагрузка балласта с частями пути
, (4.2)
где
- площадь сечения балластной призмы (3,76*0,5=1,86
);
– удельный вес балласта с частями пути (19,4 кН/
):
Временная вертикальная нагрузка от подвижного состава принимается равномерно-распределенной
, (4.3)
где К – класс устанавливаемой нагрузки (13);
- интенсивность эквивалентной нагрузки при К = I, принимаемая по таблице I, приложение 5 СН и II 2.05.03-84 при значении длины нагружения линии влияния λ и положении её вершины
При загружении линий влияния нагрузкой q (Рисунок 4.1) учтено примечание к п. 2.6 прил. 5 СНиПа о том, что при езде на балласте значение
принимается по графе
независимо от положения вершины линии влияния.
Расчетный изгибающий момент в середине пролёта, приходящийся на главную балку одного из двух блоков
(4.4)
где
- коэффициент надежности по нагрузке (1,1 – для собственного веса);
1,3 – для балласта;
1,3 – 0,003*
- для подвижной нагрузки);
- коэффициент динамики (1+
);
- площадь линии влияния.
Здесь
, (4.5)
=1,3-0,003*15,8=1,253.
(1+
), (4.6)
(1+
)=1,279.
, (4.7)
Момент в четверти пролета (для построения эпюры)
, (4.8)
.
=4677,05кНм.
Расчетная поперечная сила Q0 у опоры (см. рисунок 4.1)
, (4.9)
.
, (4.10)
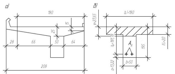
Уточнение размеров расчетного поперечного сечения главной балки.
а) фактическое сечение блока;
б) расчетное сечение;
Рисунок 4.2 - К назначению основных размеров расчетного сечения
Имея ширину полки блока 208 см, в расчет принимаем ширину полки
=180 см, сто не превышает расстояния между осями балок (см. рис. 4.1). Задавшись расстоянием от ц.т. арматуры до низа балки а=13,22 см и приняв высоту сжатой зоны бетона
, находим требуемую величину плеча внутренней пары сил;
, (4.11)
где
- площадь сжатой зоны бетона (заштрихована на рисунке 4.2,б);
- расчетное сопротивление бетона класса B20 (
=10,5 МПа):
Тогда требуемая высота балки будет
h=z+a+
, (4.12)
h=165+16+
=191см.
следовательно, высоту балки следует принять 195 см (против 140см принятой по эскизу на рисунке 4.1).
Уточняем ширину ребра балки из условия h0=hб*a
, (4.13)
Оставляем ранее назначенную ширину ребра b=50см (см. Рисунок 4.1)
