Проектирование моста через несудоходную рекуРефераты >> Строительство >> Проектирование моста через несудоходную реку
Определяем количества и положение по границе полки и ребра (т.е. x=h’1), из условия прочности находим требуемую площадь сечения арматуры в нижнем поясе балки
, (4.14)
.
Полученную площадь арматуры увеличиваем на 8-10%, учитывая приближенный характер формул.
Назначив диаметр продольной арматуры D=32мм, находим число стержней
, (4.15)
где А1 – площадь сечения одного стержня:
принимаем 26 шт.
32 A-I c фактической площадью сечения;
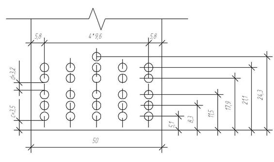
Размещение стержней в нижней зоне главной балки показано на Рисунке 4.3.
Назначив толщину защитного слоя С=3,5 (d
0
5см), находим расстояние от низа балки до центра тяжести растянутой арматуры;
, (4.16)
где
- количество стержней в i-ом горизонтальном ряду;
- расстояние от оси горизонтального ряда до низа балки:
Рабочая высота сечения
Проверка прочности по изгибающему моменту.
Проверяем условие прохождения нейтральной оси в ребре балки
, (4.17)
верно, следовательно, нейтральная ось пересекает ребро балки.
Рисунок 4.3- Размещение стержней в главной балке
Рабочая высота сечения
Условие прочности балки
, (4.18)
, (4.19)
где x – высота сжатой части бетона:
, (4.20)
Имеем
<
следовательно, условие прочности соблюдается.
Заключение
В курсовой работе на тему «Проектирование моста через несудоходную реку» был запроектирован железобетонный мост, под однопутную железную дорогу, через несудоходную реку. Составлена схема моста в масштабе М 1:200, с указанием всех размеров и отметок. Был выполнен расчет главной балки железобетонного пролетного строения с ненапрягаемой арматурой.
При проектировании моста применены сборные конструкции пролетных строений и опор, предпочтение отдано свайным фундаментам. Одной из главных задач является – повышение эффективности капитальных вложений путем сокращения продолжительности и стоимости строительства. Применение арматуры позволило увеличить размеры блоков сборных конструкций, а соответственно, повысить прочность самой конструкции.
Список используемых источников
1. СНиП 2.05.03 – 84. Мосты и трубы/Госстрой СССР. М.: ЦИТП Госстроя СССР, 1985. -200 с.
2. Проектирование деревянных и железобетонных мостов/Под ред. А.А. Петропавловского. М.: Транспорт, 1978. -352 с.
3. Справочный материал к курсовой работе по дисциплине «Сооружение и эксплуатация мостов, тоннелей и труб». Ростов-на-Дону: РИИЖТ. 1992. -10 с.
4. Мосты и тоннели на железных дорогах/Под ред. В.О. Осипова. М.: Транспорт, 1987. -367 с.
5. Методические указания к курсовому проектированию по дисциплине «Сооружение и эксплуатация мостов, тоннелей и труб». Расчет на прочность балочно-разрезного пролетного строения с ненапрягаемой арматурой.
