Специализированная поликлиника в г. КраснодареРефераты >> Строительство >> Специализированная поликлиника в г. Краснодаре
Поскольку случайный эксцентриситет e0=1,33 см больше эксцентриситета силы e0=1,33 см, его и принимаем для расчета.
При отношении
, следует учитывать влияние продольного изгиба.
Находим значения моментов в сечении относительно оси, проходящей через центр тяжести наименее (сжатой) растянутой арматуры.
При длительной нагрузке:
М1l![]()
При полной нагрузке:
М1
Находим коэффициент, учитывающий влияние длительного действия на погиб элемента в предельном состоянии по формуле 4.19 [2]:
φl
Значение δ
Принимаем δ=0,265
Отношение модулей упругости α
Задаемся коэффициентом армирования μ1
Вычисляем критическую силу по формуле 18.5 [2]:
Ncr
Вычисляем коэффициент η по формуле 4.17 [2]:
η
Эксцентриситет e
По формуле 18.1, 18.2, 18.3 [2]:
ξ
αs
,
где δ^=a/h0=4/36=0,11
Армирование конструктивное. Принимаем по 2 диаметром 22 А-III c каждой стороны, тогда
μ1
6.5 Расчет стыка колонны с надколонной плитой
Стык на поперечную силу Q рассчитывается по формуле: Q=∑RaF0sinα+Qб.
При α=45º (угол наклона отгибов) и угле наклона пирамиды продавливания, также равном 45º, получим Qб=0,15Rubсрh0. В этих формулах F0-сечение отгибов по каждой грани колонны;
bср=bв+bн/2- средний периметр оснований пирамиды продавливания.
Расчетная поперечная сила принимается по колонне по оси “14” нижнего этажа:
Q=
кН
На каждую грань колонны Q=308,6/4=77,1 кН
Проверяем условие формулы III.16 [1, стр. 49]: Q≤0,2Rubсрh0; h0=22 см
bср=
см; Q=
кН
Требуемое сечение отгибов по каждой стороне колонны:
F0=
,
отгибы ставятся конструктивно. Принимаем 4Ø12 А-I с каждой стороны колонны.
6.6 Расчет на воздействие сейсмической нагрузки
Район строительства относится к восьмибальному по сейсмическому воздействию.
Фундаменты здания свайные, опирающийся на тугопластичные глины, поэтому по грунтам сейсмичность не изменяется.
Расчетные нагрузки: постоянные
-от покрытия gр1= 9,098 кН/м2 »9, 10 кН/ м2;
-от перекрытия gр2= 8,902 кН/м2 » 8,90 кН/м2.
Расчетные полезные нагрузки: длительные
-на покрытие gдл1 = 0 кН/м2;
-на перекрытие gдл2 = 1,20 кН/м2.
Расчетные полезные нагрузки: кратковременные
-на покрытие gкр1 =0,70кН/м2;
на перекрытие gкр2 =1,20кН/м2.
Ярусные расчетные нагрузки складываются из веса конструкции перекрытия, веса колонн, веса ограждающих стен и полезных нагрузок.
Так как сейсмическое воздействие относится к особым сочетаниям нагрузок, то применяются следующие коэффициенты сочетаний:
-для постоянных нагрузок gс=0,9;
-для временных длительных gс=0,8;
-для кратковременных gс=0,8.
При особых сочетаниях нагрузок ветровая нагрузка не учитывается.
Расчетный вес колонн (29 шт.):
кН
Расчетный вес стен с оконными проемами с усредненным объемным весом r=15,0 кН/м2, при толщине 0,3 м и длине 85 м:
кН.
При общей площади этажа здания:
м2
Находим ярусные нагрузки по этажам:
-от покрытия
![]()
кН.![]()
Ярусные массы:
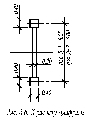
Находим жесткости железобетонных диафрагм здания вдоль цифровых осей:
-для Д-1
-3 шт
-для Д-2
-1 шт.
Жесткость диафрагм при бетоне В25 (Ев=30000 Мпа=3000000 Н/см2=300000 кН/м2)
В=0,85 Ев
Находим тон свободных колебаний по формуле:
,
где a1=1,8; a2=0,3; a3=0,1, соответственно формулам колебаний.
Но=3,6
- высота здания;
n=5 – число этажей;
L=3,6 м – высота этажа.
Тон свободных колебаний определяется по формуле:
,
т.к. Т1 > 0,4 с, то необходимо определить тон для всех трех форм колебаний.
Для 2-го тона: Т2 = 0,88 с > 0,4 с
Для 3-го тона: Т3 = 0,29 с < 0,4 с
Динамические коэффициенты:
![]()
β1 = 0,28 < 0,8 β1 = 0,8
принято
β2 = 1,70 < 2,0 β2 = 1,92
β3 = 5,17 > 2,0 β3 = 2,0
Коэффициент формы колебаний:
Xi (Xj) = Sin (αi - 1) ňξj
, где i = 1,2,3.
Таблица 6.6
|
ξi = |
Xi (Xj) для трех форм колебаний | ||
|
Первой Х1 (Хj) |
Второй Х2 (Хj) |
Третьей Х3 (Хj) | |
|
1 |
2 |
3 |
4 |
|
1,00 |
Sin 0,5π = 1,000 |
Sin 1,5π = -1,000 |
Sin 2,5π = 1,000 |
|
0,80 |
Sin 0,4π = 0,951 |
Sin 1,2π = -0,588 |
Sin 2π = 0,000 |
|
0,60 |
Sin 0,3π = 0,809 |
Sin 0,9π = +0,309 |
Sin 1,5π = -1,000 |
|
0,40 |
Sin 0,2π = 0,588 |
Sin 0,6π = +0,951 |
Sin π = 0,000 |
|
0,20 |
Sin 0,1π = 0,309 |
Sin 0,3π = +0,809 |
Sin 0,5π = 1,000 |
