Строительство железобетонных перекрытийРефераты >> Строительство >> Строительство железобетонных перекрытий
см
Конструктивное требование
см, принимаем
.
Находим длину стыковых стержней (складывается из размера сечения колонны, двух зазоров между колонной и торцами ригелей и 2-х длин сварных швов).
см.
Закладная деталь приваривается к верхним стержням каркаса при изготовлении арматурных каркасов. Приняв ширину закладной детали равной ширине ригеля 150 мм и расчётное сопротивление металла растяжению ![]()
,находим её толщину.
см,
принимаем толщину
при этом площадь пластины равна
см2.
Длина закладной детали принимается из условия приварки верхних и нижних опорных стержней каркасов и не менее
см, принимаем
см.
5. Расчёт и конструирование отдельного железобетонного фундамента
Фундамент для колонны принимаем сборный, стаканного типа. Размеры фундамента принимаем в зависимости от геологических условий места строительства в разделе «Расчёт оснований и фундаментов»
Принимаем бетон класса B20, арматуру класса АIII. Высота фундамента составляет
, размеры квадратного фундамента в плане 2,7х2,7 м. Рабочая высота сечения
м.
Давление на грунт от расчётной нагрузки по II ГПС составляет
кПа.
Определяем изгибающие моменты в сечениях
кНм.
кНм.
кНм.
Площади сечений арматуры
см2
Принимаем нестандартную сетку с одинаковой в обоих направлениях рабочей арматурой 15Æ10 АI с шагом s=14 см.
см2.
Процент армирования расчётного сечения
6. Расчёт и конструирование монолитного перекрытия
6.1 Компоновка ребристого монолитного перекрытия
Проектируем монолитное ребристое перекрытие с продольными главными балками и поперечными второстепенными балками. При этом пролёт между осями рёбер равен
(второстепенные балки располагаем через
пролёта главной балки). Предварительно задаёмся размерами сечений балок:
- главная балка
см. Принимаем
см,
см, принимаем
см.
- второстепенная балка
см. Принимаем
см,
см, принимаем
см.
6.2 Расчёт многопролётной плиты монолитного перекрытия
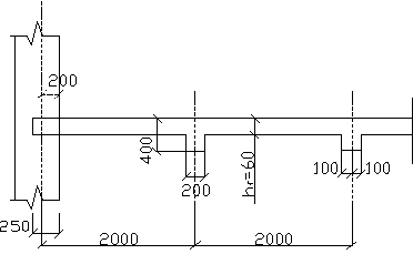
![]() |
Рис. 8 Монолитная плита ребристого перекрытия
Бетон класса В25
МПа,
МПа.
Арматура класса АI Æ6
МПа в сварной рулонной сетке.
Расчётный пролёт плиты равен расстоянию в свету между гранями рёбер в средних пролётах ![]()
м.
В крайних пролётах при опирании плиты на наружнюю стену
![]()
м
где ![]()
м- привязка оси к внутренней грани стенки.
м – величина опирания плиты на стену.
Расчётный пролёт плиты в продольном направлении ![]()
м. где 0,25- ширина главной балки.
Отношение пролётов ![]()
- плита рассчитывается как работающая в коротком направлении.
Таблица - Нагрузки на 1 м2 монолитного перекрытия
|
№ п/п |
Нагрузки |
Рн,кПа |
Коэффициент надёжности gf |
P, кПа |
|
1 |
Постоянная а)собственный вес плиты ( б)вес покрытия пола |
1,5 0,85 |
1,1 1,1 |
1,65 0,94 |
|
Итого постоянная |
2,35 |
2,59 | ||
|
2 |
Временная |
3,5 |
1,2 |
4,2 |
Полная расчётная нагрузка
кПа.
Для расчёта многопролётной плиты выделяем полосу шириной 1 м, при этом расчётная нагрузка на 1 м длины с учётом коэффициента ![]()
кПа.

