Многоэтажное производственное зданиеРефераты >> Строительство >> Многоэтажное производственное здание
Для плит xопт=0,1¸0,2
Принимаем xопт=0,15 тогда am=0,139
Полная высота плиты h = h0 + а
а - защитный слой
h = 35 + 14 = 49 мм
а = 10 +d/2+ 10 +8/2= 14 мм
d = 8 мм - диаметр предполагаемой рабочей арматуры плиты
Принимаем толщину плиты h = 60 мм
п.5.5. СНиП 2.03.01-84*
Для продольной рабочей арматуры толщина защитного слоя должна составлять, как правило, не менее диаметра стержня и в плитах толщиной до 100 мм включительно - не менее 10 мм.
п.5.3. СНиП 2.03.01-84
Толщина монолитных плит должна приниматься не менее:
для покрытий - 40 мм;
для междуэтажных перекрытий производственных зданий - 60 мм.
Уточняем
h0 = h - a = 60 - 14 = 46 мм
Проверяем условие:
Q < jв4*Rвt*gb2*b* h0, jв4
- для тяжелого бетона равен - 0,6
Q = 0,6*0,75*100*0,9*4,6*100 = 18630 H = 18,63 кН > Qmax = 6,088 кН Þ
установка поперечной арматуры для плиты не требуется.
1.2.4 Подбор сечения арматуры
Армирование плиты может осуществляться в виде отдельных стержней или сварных рулонных или плоских сеток. Подбор продольной арматуры в каждом сечении плиты определяется по соответствующим изгибающим моментам. Для плиты первого пролета
Находим
М1 - изгибающий момент в первом пролете, Н см, h0 - рабочая высота плиты, см, Rв - расчетное сопротивление сжатию бетона. По таблице по величине am =0,081 находим x =0,085 n = 0,9575. Выполним проверку сопоставления x и x R, где xR - граничное значение высоты сжатой зоны бетона:
Где w - деформативная характеристика бетона w= a - 0,008*Rв*gb2= 0,85 - 0,008*8,5*0,9 = 0.7888
Условие xR=0,70 > x = 0, 1925 выполняется, следовательно, имеем право найти требуемую площадь рабочей арматуры:
Подбор арматуры для полос 1 и 2.
Шаг рабочей арматуры в плитах принимается 100, 150, 200 мм.
Для распределительной арматуры шаг принимается 250 мм.
fa1= Asтр*f/100=1,313*10/100 = 0,1313см2
Принимаем d = 6 мм с Аs = 0,283 см2
fa2 =1,313*15/100 = 0.197 см2 принимаем d = 6 мм с Аs = 0,283 см2
fa3 =1,313*20/100 = 0,263см2 принимаем d = 6 мм с Аs = 0,283 см2
Экономически более целесообразно принимать арматуру d = 6 мм с Аs = 0,283 см2 с шагом 200 мм.
Для плиты на первой опоре
fa1 = 0,984*10/100 = 0,0984 см2 принимаем d = 6 мм с Аs = 0,283 см2
fa2 = 0,984*15/100 = 0,1476 см2 принимаем d = 6 мм с Аs = 0,283 см2
fa3 = 0,984* 20/100 = 0, 197 см2 принимаем d = 6 мм с Аs = 0,283 см2
Наиболее экономически целесообразно принять арматуру
d = 6 мм с Аs = 0,283 см2 с шагом 200 мм.
Для плиты на промежуточных опорах и в промежуточных пролетах
fa1 = 0,8764*10/100 = 0,08764 см2 принимаем d = 6 мм с Аs = 0,283 см2
fa2 = 0,8764*15/100 = 0,1315 см2 принимаем d = 6 мм с Аs = 0,283 см2
fa3 = 0,8764* 20/100 = 0,1753 см2 принимаем d = 6 мм с Аs = 0,283 см2
Экономически наиболее целесообразно принять арматуру d = 6 ммАs = 0.283 см2 c шагом 200 мм.
Для полосы 2:
Для плиты первого пролета
Так как изгибающий момент в первом пролете на I полосе и на II полосе одинаков, то расчет будет идентичным расчету по нахождению требуемой площади рабочей арматуры для плиты первого пролета на полосе I.
Для плиты на первой опоре.
Так как изгибающий момент на первой опоре на I полосе и на II полосе одинаков, то расчет будет идентичным расчету по нахождению требуемой площади рабочей арматуры для плиты на первой опоре на полосе I.
Для плиты на промежуточных опорах и в промежуточных пролетах
fa1 = 0,697*10/100 = 0.0697 см2 принимаем d = 6 мм As = 0,283 см2
fa2 = 0,697*15/100 = 0.293 см2 принимаем d = 6 мм As = 0,283 см2
fa3 = 0,697*20/100 = 0.39 см2 принимаем d = 6 мм As = 0,283 см2
Экономически наиболее целесообразно принять арматуру d = 6 мм As = 0.283 см2 с шагом 200 мм. Площадь сечения арматуры, требуемая по расчёту и принятая приведена на рисунке 4.
Рис. 4. Схема требуемой площади арматуры плиты перекрытия для полосы 1 и 2 и схемы принятой арматуры для полос 1 и 2 монолитной плиты перекрытия.
1.2.5 Конструирование плиты
Плиты ребристых перекрытий армируют сварными рулонными сетками с продольной или поперечной рабочей арматурой или вязаными сетками. Наиболее экономичным является армирование плит сварными сетками. Их изготавливают из обыкновенной холоднотянутой проволоки класса BpI диаметром 3-5 мм или из стали класса А-Ш диаметром 6-9 мм согласно ГОСТ 8478 "Сетки сварные для армирования железобетонных конструкций". Вязаные сетки состоят из стержней диаметром 6-12 мм из стали класса А-1 или А-П п.5.20 СНиП 2.03.01-84
Расстояния между осями рабочих стержней в средней части пролета плиты и над опорой (вверху) должны быть не более 200 мм при толщине плиты до 150 мм и не более 1,5 h - при толщине плиты более 150 мм, где h. - толщина плиты.
В плитах расстояний между стержнями, заводимыми за грань опоры, не должая превышать 400 мм, причем площадь сечения этих стержней на I м ширины плиты должна составлять не менее 1/3 площади сечения стержней в пролете, определенной расчетом по наибольшему изгибающему моменту.
Сечение распределительной арматуры должно быть не менее, 10% сечения рабочий арматуры (но не менее 3 стержней на I М. П).
Сетки следует проектировать пригодными для применения многоэлектродных точечных машин при соблюдении следующих требований: ширина сетки не долина быть более 3800 мм; диаметр продольных стержней класса А-1 для плоских сеток должен быть не более 12 мм, а класса А-Ш, - не более 10мм; диаметр поперечных стержней класса А-1 не более 10 мм и класса А-Ш - не более 8 мм; шаг продольных стержней должен быть кратным 50 мм, не более 500 мм и не менее 100 мм, а на месте раза сеток 50 мм; шаг поперечных стержней должен быть кратный 25 мм, не более 400 мм и не менее 50 мм; длина плоских сеток не должна быть более 9000 мм.
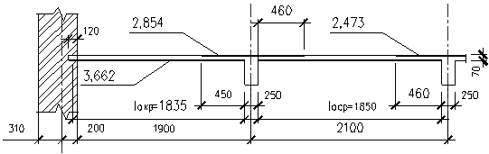
Рис. 5. Схема расположения сеток.
1 Полоса.
,
