Многоэтажное производственное зданиеРефераты >> Строительство >> Многоэтажное производственное здание
Рис. 8. Схема усилий в сечении, наклонном к продольной оси железобетонного элемента, при расчете его по прочности на действие поперечной силы.
Расстояния между хомутами S, между опорой и концом отгиба, ближайшего к опоре S1, а также между концом предыдущего и началом последующего отгиба S2, должен быть не более величины
где
= 2,0 - для тяжелого бетона
Принимаем двухветвевые хомуты d = 6 мм
Шаг хомутов в крайней зоне пролета равен:
Так как h = 500 мм > 450 мм, то S1 = h/3= 50/3 = 16,67 см и не более 15 см
Принимаем S1 = 100 мм
В средней зоне пролета S2 = 3*h/4=3*50/4 = 37,5 см и не более 500 мм
Принимаем S2 = 350мм
Определим величину поперечной силы, которая воспринимается хомутами и бетоном.
Q = Qsw + Qb = qsw * Cw + (jb2 (1 + jf + jn) R bt g b2 b h02) / C0
C0 - проекция наклонной трещины на продольную ось элемента
qsw - интенсивность поперечного армирования
qsw = R sw * A sw / S1 = (175*100*2*0,283) /10 = 990,5 Н/см
A sw - площадь сечения двухветвевого хомута
jf - коэффициент учитывающий свес полок
jf = 0, так как на опоре полки растянуты
jn - учитывает продольные силы
Значение Cw находим из условия
2 h0< Cw < C0
Принимаем Cw = 85,83 см
Находим:
отгибы по расчету не требуется по конструктивным соображениям.
1.3.6. Назначение количества и диаметров продольной рабочей арматуры
Определив необходимое сечение арматуры в пролётах и на опорах, а так же отогнутой арматуры, переходят к назначению количества и диаметра стержней. При этом руководствуются следующими положениями:
1. Количество стержней необходимо назначать таким, что бы арматура поместилась в одном ряду (но не менее 3 стержней). Диаметр рабочих стержней следует назначать от 12 мм до 25 мм.
2. Число стержней в пролете следует согласовать с требуемым по расчету сечением отогнутой арматуры и с количеством отогнутых стержней, которое требуются, чтобы перекрыть участок огибающей эпюры поперечных сил.
3. Всю отогнутую арматуру следует получить посредством отгиба нижних продольных стержней и, в крайнем случае, если их не хватает, поставить "утки". Количество плоскостей отгибов и площадь отогнутых стержней в каждой плоскости должны быть не меньше требуемых по расчету. Угол наклона отгибов к оси балки (при h < 800 мм) принимается 45°.
4. Следует стремиться к меньшему количеству разных диаметров рабочей арматуры. Разница в диаметрах рабочей арматуры не должна быть меньше 2 мм.
5. Из лежащих по визу балки стержней не менее чем два стержня должны быть доведены до опоры по низу балки (при b > 150 мм).
6. Подбор количества стержней и их диметров должен быть осуществлен таким образом, чтобы разность расчетной площади сечения арматуры и суммарной площади уложенных в пролетах стержней была минимальной (до ±5%).
7. При размещении в поперечном сечении стержней следует обязательно следить за соблюдением зазора между ними, исходя из принятой ширины балки. Над опорой зазоры между стержнями в ряду увеличиваются для удобства бетонирования.
При расположении нижней арматуры более чем в два ряда по высоте сечения расстояние между стержнями, расположенными в третьем и следующих рядах, должны приниматься не менее 50 мм.
8. Требуемая на опорах по расчету на момент, продольная рабочая арматура должна быть получена за счет пролетной арматуры, которую можно отогнуть, и арматуры, принятой по отрицательному моменту в соседних пролетах и укладываемой на крайние свободные места с тем, чтобы они являлись ' одновременно и монтажными стержнями.
Площадь сечения стержней первой плоскости отгибов (при отсутствии "уток"), считая от опоры, но только слева иди только справа от опоры, не учитывается. Эти отгибы имеют, как правило, горизонтальный участок на опоре всего 50 - 100 мм и не могут воспринимать изгибающий момент.
В опорном сечении на восприятие изгибающего момента работает тот стержень, который имеет до опорного сечения прямой участок не менее ho / 2.
В некоторых случаях допускается для получения на опоре требуемой площади сечения арматуры устанавливать дополнительные прямые стержни, которые укладывают на крайние свободные места.
9. Стержни с отгибами рекомендуется располагать на расстоянии не менее 2d от боковых граней элемента, где d - диаметр отгибаемого стержня
На основании этих требований подберём диаметр и количество стержней.
I пролёт Asтр = 35.68 см2 Принимаем арматуру: 3d12 As=. см2 >Asтр = см2.
Произведем расстановку арматуры:
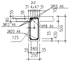
Рис.9. Сечение второстепенной балки в первом полёте.
II пролёт Asтр = см2
Принимаем арматуру: 3 Æ As = см2
As = см2 >Asтр = см2
Произведём расстановку арматуры:
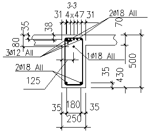
Рис. 10. Сечение второстепенной балки во втором полёте.
Опора В:
Площадь арматуры на опоре В получается из:
2 Æ 12 - монтажная арматура As = 2,26 см2
один отгиб из второго пролёта, т.е.1 Æ As = см2
Общая площадь арматуры равна As =
По расчёту необходимо на опоре В Asтр = см2
Дополнительно устанавливаем 1 Æ 12 As = 1,131 см2
Общая площадь арматуры равна As =
Необходима установка арматуры в два ряда.
Произведём расстановку арматуры. (рисунок 7 и 8)
Так как значение h0 изменяется, то необходимо пересчитать требуемую площадь арматуры.
а = (3,39 * 3,5 + 5,09 * 3,8 + 2,545 * 8) / (3,39 + 5,09 + 2,545) = 4,68 см
h0 =h - a = 50 - 4,68 = 45,32 см
am = Mв / (Rb*gb2* bf’* h02) = 109,277*105 / (8,5*100*0,9*25*45,322) = 0,278. По am =0,278 x=0,3339 n = 1 - x / 2 = 0.831
Так как As = 11,025 см2 > Asтр = 10,36 см2Þ дополнительная арматура не нужна. Разница в площадях равна ( (11,025 - 10,36) /10,36) * 100% = 6,4%
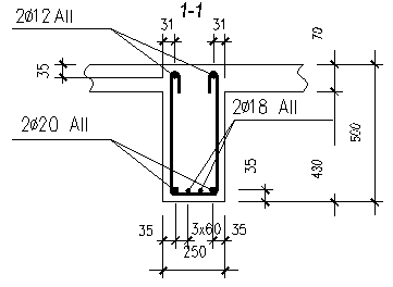
Рис. 11 Сечение второстепенной балки на опоре В слева.
Рис. 12. Сечение второстепенной балки на опоре В справа.
Опора С:
Площадь арматуры на опоре С получается из:
2 Æ 12 - монтажная арматура As = 2,26 см2
один отгиб из второго пролёта, т.е.1 Æ 18 As = 2,545 см2
один отгиб из третьего пролёта, т.е.1 Æ 18 As = 2,545 см2
Общая площадь арматуры равна As = 2,26 + 2,545 + 2,545 = 7,35 см2
По расчёту необходимо на опоре В Asтр = 8,25 см2
Так как As = 8,25 < Asтр = 7,35 см2, необходимо дополнительно устанавливать арматуру на опоре С. Дополнительно устанавливаем 1 Æ 16 As = 2,011 см2. Общая площадь арматуры равна
