Многоэтажное производственное зданиеРефераты >> Строительство >> Многоэтажное производственное здание
As = 2,26 + 2,545 + 2,545 + 2,011 = 9,361 см2
Необходима установка арматуры в три ряда. Произведём расстановку арматуры.
Рис. 13. Сечение второстепенной балки на опоре С справа.
Так как значение h0 изменяется, то необходимо пересчитать требуемую площадь арматуры.
а = (2,26 * 3,5 + 2,545 * 3,8 + 2,011 * 7,5 + 2,545 * 11) / (2,26 + 2,545 + 2,011 + 2,545) = 6,48 см
h0 =h - a = 50 - 6,48 = 43,52 см
am = Mв / (Rb*gb2* bf’* h02) = 93,749*105 / (8,5*100*0,9*25*43,522) = 0,259 По am =0,259 x=0,306 n = 1 - x / 2 = 0.847
Так как As = 9,361 см2 > Asтр = 9,06 см2Þ дополнительная арматура не нужна
Разница в площадях равна ( (9,361 - 9,06) /9,06) * 100% = 3,32
1.3.7. Построение эпюры материалов
Прочность балки должна быть обеспечена по всей ее длине, однако не следует забывать и экономическую сторону проектирования. Площади сечения арматуры найдены по усилиям в наиболее загруженных сечениях и, естественно, что по мере уменьшения изгибающих моментов по длине балки часть стержней обрывают или переводя! в другую зону. Определяются места обрывов и уточняются места отгибов стержней при помощи построения эпюры материалов.
Эпюра материалов представляет собой графическое изображение значений моментов, которые могут быть восприняты балкой в любом сечении.
Сопоставляя эпюру материалов с огибающей эпюрой моментов, можно проверить прочность балки на изгиб во всех сечениях по её длине.
В любом сечении балки момент внешних сия не должен быть больше того момента, который может быть воспринят бетоном и арматурой в этом сечении, т. с. эпюра материалов должна везде перекрывать эпюру моментов. Чем ближе на всём протяжении балки эпюра материалов подходит к огибающей эпюре моментов, тем рациональнее и экономичнее запроектирована балка.
К началу построения эпюры материалов балка должна быть заармирована.
Несущая способность того или иного сечения балки меняется в зависимости от соответствующего изменения площади сечения арматуры, полезной высоты сечения и плеча внутренней пары сил.
Подсчет ординат эпюры материалов осуществляется для арматуры, уложенной по низу балки и воспринимающей положительные моменты, и для стержней, уложенных по верху балки и воспринимающих отрицательные моменты.
Определение ординат эпюры материалов приведено в таблице 6.
Определим ординаты эпюры материалов в дополнительных характерных сечениях.
Рис. 14. Сечение второстепенной балки на опоре В слева.
Так как значение h0 изменяется, то
а = (3,39 * 3,5 + 2,505 *8) / (3,39 + 2,505) = 5,41 см
h0 =h - a = 50 - 5,41 = 44,59 см
Рис. 15 Сечение второстепенной балки на опоре В справа.
Так как значение h0 изменяется, то
а = (3,39 * 3,5 + 5.09 *3.8) / (3,39 + 5.09) = 3.68 см
h0 =h - a = 50 - 5.09 = 46.32 см
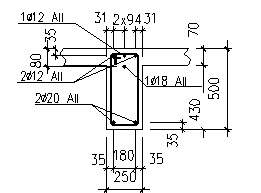
Рис.16. Сечение второстепенной балки на опоре С слева.
Так как значение h0 изменяется, то
а = (2,26 * 3,5 + 2,011 *7,5 + 2,505 *11) / (2,26 + 2,011 + 2,505) = 7,46 см
h0 =h - a = 50 - 7,46 = 42,54 см
Так как значение h0 изменяется, то
а = (2,26 * 3,5 + 2,011 *7,5 + 2,505 *3,8) / (2,26 + 2,011 + 2,505) = 4,80 см
h0 =h - a = 50 - 4,80 = 45,20 см
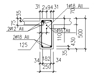
Рис.17. Сечение второстепенной балки на опоре С справа.
Для обеспечения прочности наклонных сечений на действие изгибающего момента в элементах постоянной высоты продольные растянутые стержни, обрываемые в пролете, должны заводится за точку теоретического обрыва на величину w, определим по формуле:
w= (Q - Rsw * As inc * sin w) / qsw¢
или по формуле w = Q¢ / qsw¢ + 5 d > 20d
qsw¢ = (Rs *Asw / S) + 5 d
d - диаметр обрываемого стержня
Q¢ - поперечная сила в точке теоретического разрыва
Asw - площадь хомутов
S - шаг хомутов
Для стержня обрываемого в первом пролете:
Q¢= 95.47 кH d = 18 мм AII Rs = 280 МПа
qsw¢ = (280* 100*0.57/10) = 1596 Н/см
w= 95470/1596+5 * 1,8 = 68,8 cм
w ≥ 20d = 20 * 1,8 = 36 см
Принимаем w = 70 см
Для стержней, обрываемых во втором пролете слева:
Q¢= 34,56 кH d=18 мм AII Rs = 280 МПа
qsw¢ = (280* 100 *0.57/35) = 456 Н/см
w = 34560/456+5 * 1,8 = 84,8 см
w ≥ 20d = 20 * 1,8 = 36 см
Принимаем w = 88 см
3. Для стержня, обрываемого во втором пролете справа:
Q¢= 45,55 кH d= 18 мм AII Rs = 280 МПа
qsw¢ = (280* 100 *0.57/35) = 456
w = 45550/456+5*1,8 = 108,9 см
w≥20d=20*1,8=36 см
Принимаем w = 110 см2.
2. Расчёт и конструирование монолитной железобетонной колонны
Под действием вертикальной нагрузки на здание от покрытия и перекрытий в колоннах возникают продольные силы и изгибающие моменты от неравномерного распределения полезной нагрузки.
В учебных целях допускается расчёт колонны производить, как центрально сжатый элемент квадратного сечения с симметричной арматурой со случайным эксцентриситетом.
2.1 Сбор нагрузок на колонну.
Нагрузки на колонну складываются из постоянной (от собственной массы колонны, конструкций покрытия и перекрытий) и временной (снеговой и полезной) нагрузки. Нагрузка на колонну передаётся с грузовой площади.
А = (6.3/2+6.3/2) * (7.2/2+7.2/2) = 6.3 * 7.2 = 45.36 м2
Рис. 18. Схема грузовой площади колонны.
Сбор нагрузок приведен в таблице 7
Таблица 7
Определим нагрузку от собственного веса колонны. Принимаем сечение колонны в = h = 0,5
Нагрузка равна Nк = 0,4 * 0,4* Нэт* gf * gn * r *g = 0,5 * 0,5 * 4,8 * 1,1 * 0,95 * 2500 * 10 *4 = 125400 H,
