Расчёт металлического каркаса многоэтажного зданияРефераты >> Строительство >> Расчёт металлического каркаса многоэтажного здания
Длина “рыбок” составит 19 см.
3)Рассчитаем высоту вертикального ребра:
Рассчитаем диаметр и количество болтов:
На срез:
,
где Q – поперечная сила;
- расчетное сопротивление болтов срезу;
- коэффициент условий работы соединения;
- площадь поперечного сечения болта;
- число расчетных срезов;
Принимаем болты нормальной точности, по классу прочности 8,8 МПа (
=25кН/см2 ,
=45кН/см2 ):
;
Принимаем 3 болта d = 20 мм; Аб=2,49 см2.
На смятие:
где
- расчетное усилие воспринимаемое одним болтом смятию;
- расчетное сопротивление смятию элементов, соединяемых болтами;
d – диаметр болта;
- наименьшая суммарная толщина элементов, сминаемых в одном направлении;
![]()
Окончательно принимаем 3 болта d = 20 мм.
Минимальная длина вертикальной накладки составит: h=2*2d+2*3d=10d=200мм.
Окончательно принимаем h=24см.
10.2 Сопряжение колонн
Выбор конструкции стыка зависит от соотношения между наибольшим эксцентриситетом и ядровым расстоянием сечения. Если е>ρ, то стык испытывает большие растягивающие усилия, поэтому болты рассчитывают на растяжение от изгибающего момента. При этом, если стыкуются колонны одного сечения их торцы должны свариваться. Если же разного сечения, то между ними устраивается опорная плита, к которой и привариваются обе колонны.
Если е<ρ, то допускается рассчитывать узел как центрально-сжатый и болты в этом случае ставятся конструктивно. При этом стыки колонн одного сечения можно не сваривать, а только фрезеровать. Стыки колонн разного сечения и в этом случае приваривают к плите.
Стык колонн одинакового сечения в одном уровне не делают, если ее длина менее 10м. В данной работе длина колонн в III уровне составляет 8,4м, а во II и I уровнях по 12,6 м.
III-II уровни: крайняя колонна :
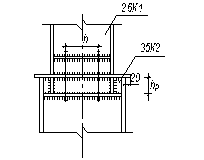
Стык колонн разного сечения.
М=71 кНм, N=589 кН, Q=34 кН.
е=М/N=71/589=0,12м;
ρ=W/A=809*10-6/83,08*10-4= 0,097м
е > ρ
Рассчитываем кол-во болтов на срез:
![]() |
где Q – поперечная сила,
RBS – расчетное сопротивление болтов срезу,
d – диаметр,
ns – необходимое число болтов.
Принимаем в узле болты нормальной точности, по классу прочности 8,8 МПа, d=24мм, Ав =3,59см2, RBS =25кН/см2, RBТ =40 кН/см2.
Расстояние между болтами h=H-2t-4d, где Н-высота двутавра, t-толщина полки двутавра.
h=255 – 2*12 – 4*24 =135 мм.
Рассчитываем кол-во болтов на растяжение:
![]() |
где Nв – продольное усилие, воспринимаемое болтами;
RBТ – расчетное сопротивление болтов растяжению;
Ав – площадь сечения болта;
Окончательно принимаем 4 болта d = 24 мм.
Т.к. для данных колонн имеется большая разница сечения ярусов, то плиты должна поддерживаться снизу ребрами жесткости, идущими под полками верхней колонны. Высота ребра определяется требуемой длиной швов, передающих нагрузку на стержень нижней колонны.
Применяем полуавтоматическую сварку Св-08А, d=1,4-2мм, kш=10мм. Расчетные характеристики:
Ryшсв=18кН/см2;Ryссв= 16,5 кН/см2; βш =0,7; βс=1,05; γyшсв =γyссв =1,1.
βшRyшсвγyшсв=0,7*18=16,2 < βсRyссвγyссв=1,05*16,5=17,3 кН/см2;
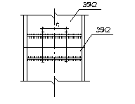
II уровень: крайняя колонна :
![]() |
Стык колонн одного сечения.
М=113 кНм, N=1492 кН, Q=53 кН.
е=М/N=113/1492=0,12м;
ρ=W/A=1035*10-6/105,9*10-4=0,09м
е < ρ
Принимаем в узле болты нормальной точности, по классу прочности 8,8 МПа, d=24мм, Ав =3,59см2, RBS =25кН/см2, RBТ =40 кН/см2.
Расстояние между болтами h=H-2t-4d=348 – 2*17,5 – 4*24 =217 мм.
Рассчитываем кол-во болтов на срез:



