Технология возведения подземной части зданияРефераты >> Строительство >> Технология возведения подземной части здания
Рис. 3.1.1. Планировочное и конструктивное решение подземной части здания
Разрез 1-1.
Рис.3.1.2. Разрез подземной части здания

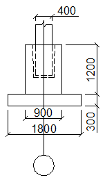
Рис. 3.1.3. Фундамент под колонны. Рис. 3.1.4. Фундамент под наружные стены
3.2 Определение размеров котлована и расчет объемов его разработки
Размеры котлована зависят от габаритов возводимого здания и от технологии производства монтажно-укладочных работ (технологии возведения строительных конструкций). Для монтажа одноэтажных промышленных зданий будем использовать стреловой кран. Его подбирают для монтажа наиболее тяжелых элементов каркаса (колонна, подкрановая балка, подстропильная или стропильная ферма), которые могут монтироваться при минимальном вылете стрелы, и проверяют на возможность укладки относительно легких элементов (плиты перекрытий и покрытий), которые необходимо поднимать над фермами и укладывать на них, т.е. на значительно большем вылете стрелы.
Проектирование котлована.
При проектировании котлована предусматривается наличие двух съездов (их количество выбирается в зависимости от формы и размеров возводимого здания) шириной b=4м, крутизной съезда m’=10 - принимается в пределах 8…15 (чем меньше величина m’, тем меньше габариты съезда в плане).
Расстояние в плане от наружного края фундамента здания до подошвы котлована:
· при отсутствии съезда принимается 0,5м;
· со стороны съезда вычисляется по формуле с=1+2r+1(м) – монтажный пролет,
где r – радиус поворотной платформы крана, принимаемый по каталогам на краны.
Принимая r=2,5м, получим с=1+2∙2,5+1=7м.
Определение основных размеров котлована:
Глубина котлована равна высоте здания за вычетом цоколя:
Hк.=h+hщеб.+hбет.–hцок.=3,6+0,2+0,2–0,8=3,2м, где
h – высота подземной части здания по заданию + высота цоколя;
hщеб. – толщина слоя щебеночной подготовки;
hбет. – толщина слоя бетонной подготовки;
hцок. – высота цоколя.
Крутизна откоса котлована определяется отношением его глубины к заложению:
m=0,85 (согласно СНиП 12-04-2002 часть 2 для супеси при глубине котлована 3,2 м).
Размер заложения откоса котлована: а=m∙Hк.=0,85∙3,2=2,72 м.
где
и
- соответственно длина и ширина котлована по верху,
и
- соответственно длина и ширина котлована по низу.
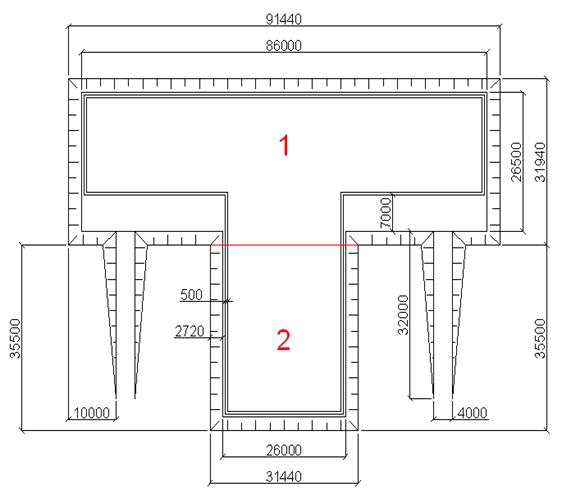
Размеры котлована в плане показаны на рис. 3.2.1. (размеры в мм).
Рис. 3.2.1. Размеры котлована в плане
Определение объема котлована:
Разобьем котлован на 2 части прямоугольной формы. Последовательно найдем объем каждой части котлована по формуле для усеченной пирамиды:
Объем котлована равен:
Определение объема разработки грунта съезда:
Объем разработки грунта одного съезда вычисляется по формуле:
где m=0,85 – крутизна откоса котлована,
m’=10 – крутизна съезда, b=4 м – ширина котлована.
Объем разработки грунта двух съездов равен:
Определение объема грунта обратной засыпки пазух:
Объем грунта обратной засыпки пазух находится как разность объемов котлована и подземной части здания по наружным размерам:
При отрывке котлована объем грунта, необходимый для последующей засыпки пазух, поступает в отвалы, остальная часть разработанного грунта вывозится.
Таблица 3.2.2. Баланс земляных масс
|
Выемка |
Насыпь | ||||||
|
№ п/п |
Место разработки грунта |
Объем разработки грунта, м3 |
Место укладки грунта и его объем, м3 |
№ п/п |
Место устройства насыпи |
Геом. объем насыпи, м3 |
Потребность в грунте Vгр, м3 |
|
1 |
Котлован |
11324,1 |
Отвал
3678,045 |
1 |
Обратная засыпка пазух |
2796,1 |
2688,5 |
|
2 |
2 съезда |
530,2 |
Транспортное средство
9954,4 |
2 |
Обратная засыпка съездов |
530,2 |
509,8 |
|
∑Vв = |
11854,3 |
∑Vгр= |
3198,3 | ||||
Ко.р.=0,9615 – коэффициент остаточного разрыхления грунта;
Кпр.=1,15 – коэффициент первоначального разрыхления грунта (пункт 2.2.).
3.3 Выбор технических средств для разработки котлована по техническим параметрам
Основным способом выполнения земляных работ является механизированная переработка грунта. Грунт разрабатывается, перемещается, укладывается, разравнивается, уплотняется с помощью землеройных и землеройно-транспортных машин, оснащенных соответствующим рабочим оборудованием. Для отрывки котлована под здание используем экскаватор. Главное назначение экскаваторов – разработка выемок, резервов, карьеров, траншей, котлованов с разгрузкой грунта в отвал или погрузкой в транспортные средства, располагаемые в непосредственной близости от землеройной машины (экскаватора).
