Проектирование пневмогидросистемы первой ступени баллистической ракетыРефераты >> Авиация и космонавтика >> Проектирование пневмогидросистемы первой ступени баллистической ракеты
Полный объём заправляемого окислителя:
.
Высота цилиндрической части бака окислителя:
.
Полная высота бака окислителя:
.
Объём воздушной подушки:
.
Высота воздушной подушки от верхнего полюса бака:
Получаем:
.
Высота зеркала горючего от нижнего полюса бака:
.
11. Расчёт элемента автоматики
Расчёт проводится согласно [4].
Дренажно-предохранительные клапаны предназначены для защиты ёмкостей и полостей системы от воздействия чрезмерного давления газа, превышающего допустимое значение. Основными параметрами ДПК являются давление
, при котором гарантируется допустимая негерметичность клапана, и давление
, при котором клапан пропускает заданный расход газа
.
Расход газа через ДПК:
,
где
- коэффициент расхода;
- площадь проходного сечения;
- диаметр седла клапана;
- высота подъёма тарели клапана над седлом;
- величина, которая зависит от характера истечения газа через лапан и определяется соотношением входного и выходного давлений.
Для сверхкритического режима истечения:
и
.
Для улучшения характеристик ДПК относительная высота подъёма его тарели над седлом выбирается из условия
.
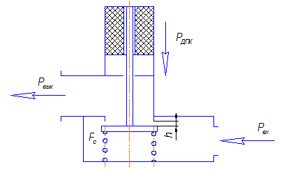
Рис.15. Расчётная схема ДПК
Исходные данные:
Коэффициент адиабаты для кислорода
;
Полное давление газа на входе в клапан
;
Газовая постоянная газа наддува
;
Температура газа на входе в клапан
;
Массовый секундный расход газа через клапан
;
Усилие, развиваемое электромагнитом ДПК
.
Выполнение расчёта:
.
Определяем эквивалентный диаметр седла клапана:
,
Где
.
Определяем площадь проходного сечения клапана:
.
Определяем высоту подъёма клапана:
.
Принимаем:
.
Уточняем эквивалентный диаметр:
.
Определяем диаметр седла клапана:
,
где
- диаметр штока; принимаем.
Принимаем:
Уточняем проходную площадь клапана:
.
Определяем жёсткость пружины клапана:
.
Используя справочник [7], выбираем пружину № 182 ГОСТ 13766-86.
12. Расчёт времени заправки
Расчёт проводится согласно [4].
Исходные данные:
Расход заправочной системы
.
Выполнение расчёта:
Время заправки:
;
.
Общее время заправки баков ступени:
.
.
13. Воздействие компонентов топлива на экологию
Токсичность КТ.
Предельно допустимая концентрация (ПДК):
- кислорода
;
- керосина
.
Углеводородные ракетные горючие по сравнению с химическими горючими отличаются небольшой гигроскопичностью. В горючем типа керосина при
растворяется в 8 раз меньше воды, чем в горючем на основе аминов.
Скорость испарения горючего типа керосина не превышает в летний период за 1 месяц
на 1
парового пространства резервуара. Поэтому при проливах данного КТ существует возможность нейтрализации большей его части. [5]
При высокотемпературном сгорании данных компонентов топлива образуются оксиды азота, оксиды серы, сероводород, углекислый и угарный газы, а также большое количество сажи, что в значительной степени загрязняет не только атмосферу земли, но и всю её экосистему.
Заключение
В данном курсовом проекте была разработана схема пневмогидравлической системы первой ступени двухступенчатой баллистической ракеты. Были произведены оценочные, гидравлические, весовые и другие расчёты. Составлена принципиальная схема ПГС, выбрано необходимое сочетание и количество элементов автоматики летательного аппарата, составляющих схему ПГС. Основываясь на анализе систем основного наддува, выбрана «горячая» система наддува, что для первой ступени является наиболее приемлемым вариантом по сравнению с «холодной» системой наддува. Выполнен расчёт элемента автоматики (ДПК) и времени заправки ступени.
