Проектирование пневмогидросистемы первой ступени баллистической ракетыРефераты >> Авиация и космонавтика >> Проектирование пневмогидросистемы первой ступени баллистической ракеты
;
.
2.3.8 Длину входа в сопло определим по формуле:
.
2.3.9 Длина двигателя:
.
2.3.10 Длина двигательной установки от среза сопла до узла крепления
.
Рис. 3. Камера сгорания (1:10)
Рис. 4. Расположение ДУ в миделе ракеты (1:84)
3. Расчёт топливного отсека
Определение массовых секундных расходов окислителя и горючего:
;
,
где Z = 4 – количество двигателей в ДУ.
3.1 Объёмный расчёт баков окислителя и горючего
Данная часть расчёта проводится согласно [3].
Исходные данные:
Расход горючего
;
Расход окислителя
;
Время работы двигателя
;
Плотность горючего
;
Плотность окислителя
;
Диаметр ракеты
.
Выполнение расчёта:
Полный объём бака горючего:
,
где
- расчётный объём горючего;
;
- объём гарантированного запаса горючего;
;
Принимаем
;
- достартовый объём горючего;
;
- объём горючего при работе двигателя на самотёке.
Принимаем
.
-
объём горючего, расходуемого от момента включения в работу ТНА до выхода двигателя на расчётный режим.
Принимаем
.
- коэффициент объёма воздушной подушки.
принимаем
.
Полный объём бака окислителя:
По аналогии с расчётом объёма бака горючего рассчитываем объём бака окислителя.
,
где
;
;
;
;
;
Принимаем
.
Расчёт продольных размеров баков
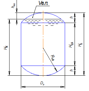
Определяем радиус сферы верхнего и нижнего днищ баков (рис.5.):
,
где
.
Высота верхнего и нижнего днищ баков:
.
Объём сферического сегмента днищ:
.
Размеры бака горючего.
Высота цилиндрической части бака горючего:
.
Полная высота бака горючего:
.
Объём заправляемого горючего:
.
Объём воздушной подушки:
.
Высоту воздушной подушки от зеркала жидкости до полюса верхнего днища бака найдём из выражения:
.
Получаем
.
Рис.5. Расчётная схема топливного бака
Высота уровня жидкости в баке:
.
Размеры бака окислителя.
По аналогии с расчётом размеров бака горючего рассчитываем размеры бака окислителя.
Высота цилиндрической части бака окислителя:
.
Полная высота бака окислителя:
.
Объём заправляемого окислителя:
.
Объём воздушной подушки:
.
Высоту воздушной подушки от зеркала жидкости до полюса верхнего днища бака найдём из выражения:
.
Получаем
.
Высота уровня жидкости в баке:
.
3.2 Оценочный расчет массы топливного отсека
Массу топливного отсека определяют суммой масс топливных баков под основные компоненты топлива, массы устройств наддува и узлов крепления и массы вспомогательных баков, при наличии таковых.
При работе ТНА на основных компонентах топлива масса топливного отсека равна:
,
где
,
- массовые коэффициенты, определяемые по формулам:
;
.
