Переработка жидкого топлива
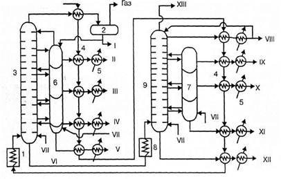
Нефть из ЭЛОУ последовательно проходит через теплообменники 4, нагреваясь за счет теплоты дистиллятов атмосферной и вакуумной перегонки, и подается насосом под давлением 1,5— 2,0 -105Па в трубчатую печь 1, где нагревается до 350 0С. Из печи парожидкостная смесь поступает в ректификационную колонну I ступени 3, в которой давление снижается до 0,1 МПа и происходит испарение летучих фракций нефти и отделение их паров от мазута. По высоте колонны в точно определенных интервалах температур отбираются дистилляты, которые поступают в секции отпарной колонны 6 для дополнительного отделения летучих углеводородов, которые вместе с водяным паром возвращаются в колонну 3. Отобранные дистилляты проходят через теплообмен-
Рис. 1.4 - Технологическая схема установки АВТ:
1 —трубчатая печь подогрева нефти, 2 — сепаратор газа, 3 — ректификационная колонна атмосферного давления, 4 — теплообменники-конденсаторы, 5 — холодильники, 6,7 — отпарные колонны, 1 — трубчатая печь подогрева мазута, 9-—вакуумная ректификационная колонна. I — бензин, II — лигроин, III — керосин, IV — дизельное топливо, V — газойль, VI — мазут, VII — пар, VIII — веретенное масло, IX — машинное масло, X — легкое цилиндровое масло, XI — тяжелое цилиндровое масло, XII — гудрон, XIII — газы
ники 4 и после охлаждения в холодильниках 5 отводятся как товарные продукты из установки. Бензиновый дистиллят через теплообменник 4 поступает в сепаратор газа 2 и после отделения газа выводится как товарный продукт, а частично подается на орошение колонны. Образующийся в количестве до 55% мазут из нижней части колонны 3 подается в печь 1 и оттуда в колонну II ступени 9, работающую при остаточном давлении 0,005—0,001 МПа, где разделяется на дистилляты. В нижнюю часть колонн 3 и 9 подается острый пар, что снижает температуру кипения и способствует более полному отделению легких фракций.
Аппаратура, применяемая при прямой гонке нефти и других процессах нефтепереработки, должна обеспечивать нагревание сырья до высоких температур, при которых процесс протекает с достаточной скоростью и достаточно четким разделением получаемых продуктов. Основными аппаратами в этих процессах нефтепереработки являются трубчатые печи и ректификационные колонны.
В трубчатых печах нефть и мазут проходят по трубам, расположенным внутри печи, и нагреваются за счет теплоты сгорания жидкого или газообразного топлива. Печь состоит из двух камер: радиационной, где размещаются горелки и радиантные трубы, воспринимающие теплоту излучения, и конвекционной, в которой расположены трубы, обогреваемые дымовыми газами, выходящими из камеры радиации. Конструкции трубчатых печей весьма разнообразны. Они различаются способом передачи тепла (радиантные, конвекционные, радиантно-конвекционные), способом сжигания топлива (с пламенным и беспламенным горением), расположением труб змеевика. Экономически наиболее эффективным являются печи беспламенного типа с излучающими стенками. Производительность трубчатых печей установок АВТ составляет от 100 до 1000 т/ч при коэффициенте полезного действия (коэффициенте использования теплоты) до 10% . Из многочисленных конструкций ректификационных колонн в установках прямой гонки используются, главным образом, барботажные колпачковые колонны тарельчатого типа. Они содержат от 30 до 60 тарелок прямоточного действия с подвижными клапанами, что обеспечивает динамический режим работы колонны и постоянство скорости паров ректифицируемого продукта.
Состав и выход продуктов прямой гонки зависят от типа процесса и состава перегоняемой нефти. В табл. 1.1 приведен выход дистиллятов прямой гонки нефти по топливно-масляному варианту процесса.
Таблица 1.1 - Состав продуктов прямой гонки
|
Продукты | Интервал температур |
Выход,% |
| кипения, °С | ||
| Пepвая 1 ступень АВТ | ||
|
Бензин | до 170 |
14,5 |
|
Лигроин | 160—200 |
7,5 |
|
Керосин | 200—300 |
11,0 |
|
Дизельное топливо | 300—350 |
5,0 |
|
Мазут (остаток) | выше 350 |
55,0 |
|
Вторая |
ступень АВТ (перегонка мазута) | |
|
Веретенное масло | 230—250 |
10—12 |
|
Машинное масло | 260—305 |
5 |
|
Легкое цилиндровое масло | 315—325 |
3 |
|
Тяжелое цилиндровое масло | 350-370 |
7 |
|
Гудрон (остаток) | выше 370 |
27—30 |
На современных нефтеперерабатывающих заводах используются комбинированные установки ЭЛОУ—АВТ, в которых совмещены процессы обессоливания и прямой гонки нефти. Мощность их достигает 6 млн т перерабатываемой нефти в год. Применение комбинированных установок значительно улучшает технико-экономические показатели процесса переработки нефти. Расходные коэффициенты для таких установок составляют: пар 49 кг, вода 4,1 м3, электроэнергия 37,5-103 кДж, жидкое топливо 33,4 т на 1 т перерабатываемой нефти.
1.6 Крекинг нефтепродуктов
1.6.1 Виды крекинг-процесса
Крекингом называется вторичный процесс переработки нефтепродуктов, проводимый с целью повышения общего выхода бензина. Применение вторичных процессов в нефтепереработке позволяет увеличить на 30—35% выход светлых продуктов (моторных топлив), повысить их антидетонационные свойства и термическую стабильность, а также расширить диапазон производимого переработкой нефти химического сырья.
