Дискретные электронные устройства: преобразователь кодаРефераты >> Радиоэлектроника >> Дискретные электронные устройства: преобразователь кода
Вариантом генератора тактовой частоты может служить любой RC-генератор. При подборе элементов (погрешности 1%) достаточно просто получить стабильность 10-3. Но при этом начальная установка частоты может оказаться неприемлимой - порядка 5%. Долговременная, а так же температурная стабильность слишком мала, что бы использовать RC – генератор в устройстве преобразователя цифрового кода.
Вариантом генератора может служить LC – генератор стабильность которого выше 10-4 Он обеспечивает стабильные колебания, обладает большей температурной и долговременной стабильностью по сравнению с RC – генераторами. Но использование намоточных изделий усложняет циклы производства, настройки, а также снижает надежность устройства в целом.
Наиболее приемлемым и целесообразным вариантом является использование кварцевого резонатора для обеспечения стабильных колебаний. Кварцевый генератор без специальных мер подстройки и подбора элементов позволяет обеспечить стабильность 5*10-5 и откланение начальной установки частоты не более 0.5% при этом долговременная стабильность оказывается порядка 10-6 в сутки, что является достаточным для нормальной работы изделия.
Наконец, последним вариантом генератора тактовой частоты может являться законченный модуль кварцевого генератора. При том, что он выпускается готовым элементом, он обладает большей надежностью, и обеспечивает точность начальной настройки до 0.01%. при этом обеспечивает стабильность 10-4, долговременную стабильность 10-5 в сутки, которой недостаточно, для функционирования в течении всего эксплуатации, кроме того они являются более дорогими и менее распространенными элементами цифровой техники, что затрудняет последующий ремонт вышедшей из строя аппаратуры.
Таким образом из рассмотренных вариантов генераторов тактовой частоты был выбран кварцевый генератор.
![]() |
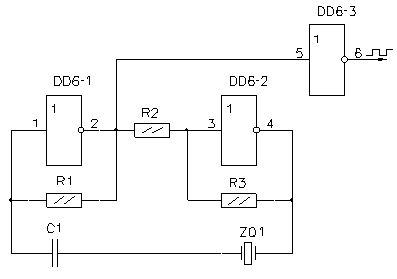
Рисунок 5 – Схема узла генератор
В приведенной схема резисторы R1 и R3 оба номиналом в 560кОм и резистор R2 номиналом 220кОм, включенные в цепь обратной связи инвертирующих элементов, тем самым уменьшая наклон переключательной характеристики, устраняя возможную точку стабильного состояния обоих элементов. Конденсатор C1 емкостью 220пФ, подключенный последовательно к кварцевому резонатору, добавляет его емкость, увеличивая устойчивость колебаний генератора. Инверторы DD5-1 и DD5-2, не обладая ни одним устойчивым состоянием, переключаются с частотой кварцевого резонатора. Инвертор DD5-3 формирует сигнал прямоугольной формы.
В соответствии с техническим заданием длительность следования единицы информации на выходе преобразователя кода составляет 0.5мкс. Следовательно целесообразным является формирование тактовой частоты 2МГц. Используемый кварцевый резонатор будет также 2МГц. В следствии симметричности схемы генератора, на его выходе формируется цифровой сигнал скважностью 2.
5.2 Разработка и расчет узла преобразователь
В цифровой технике для преобразования параллельного кода в последовательный код очень широко используются регистры сдвига. В соответствии с техническим задание разрядность обрабатываемой информации составляет 24 бита. Следовательно целесообразным является использование регистров сдвига максимальной разрядности. В серии К555 регистры сдвига максимальной разрядности составляют 8 разрядов. Такими регистрами являются микросхемы К555ИР9, К555ИР10, а так же К555ИР13, но она слишком избыточна по реализуемым функциям, и поэтому дальше рассматриваться не будет.
![]() |
Микросхема К555ИР9 – восьмиразрядный сдвигающий регистр с возможностью асинхронной параллельной записью и последовательным считыванием. Микросхема содержит вход D0 для подачи информации при последовательной записи, восемь входов D1-D8 для подачи при параллельной записи, два равноправных входа для подачи тактовых импульсов, вход параллельной записи и прямой и инверсный выходы последнего разряда сдвигающего регистра.
Таблица 2 – Таблица истинности регистра К555ИР9
| Режим работы | Вход | Выход | ||||
| L | C | D0-D7 |
D8 | 8 | не-8 | |
| загрузка | н | x | x | н | н | в |
| н | x | x | в | в | н | |
| сдвиг | в | | x | x | q7 | не-q7 |
| хранение | в | в | x | x | q | q |
| в | н | x | x | q | q | |
Микросхема К555ИР9 – восьмиразрядный сдвигающий регистр с возможностью синхронной параллельной записью и последовательным считыванием. Микросхема содержит вход D0 для подачи информации при последовательной записи, восемь входов D1-D8 для подачи при параллельной записи, два равноправных входа для подачи тактовых импульсов, вход параллельной записи и сброса всех триггеров, прямой выход последнего разряда сдвигающего регистра.


