Дискретные электронные устройства: преобразователь кодаРефераты >> Радиоэлектроника >> Дискретные электронные устройства: преобразователь кода
7.5 Загрузите конфигурационный файл в ПЛИС, убедившись в соответствии его микросхеме.
7.6 Для проверки изделия произведите чтение портов счетчиков дискриминатора (300h-305h) при помощи программы приема данных. Значения в счетчиков должны быть равны нулю.
7.7 Запустите генератор испытательного сигнала кнопкой “Старт”. Генератор выдает импульсы длительностью 2 мкс с интервалом между ними линейно меняющимся от 1 до 500 мкс с шагом 0,2 мкс. Всего выдается 32×104 интервалов (по 128 интервалов каждой длительности). Через 3 минуты произведите чтение портов. В каждом счетчике должно быть значение 1280±10%.
7.8 Запишите любое число в порт 300h для установки дискриминатора в начальное состояние. После этого считайте содержимое портов. Их значение должно быть нулевым.
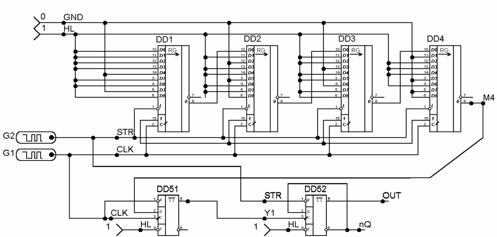
Рисунок 10 – Схема коммутации элементов изделия в пакете MicroCap 7.0
![]() |
Рисунок 11 – Временные диаграммы в характерных узлах изделия – результат работы пакета MicroCap

