Дискретные электронные устройства: преобразователь кодаРефераты >> Радиоэлектроника >> Дискретные электронные устройства: преобразователь кода
![]() |
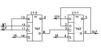
Таким образом вся схема узла формирователь будет выглядеть согласно изображению на рисунке 9.
Рисунок 9 – Схема узла формирователь
Как показано на схема, на вход R и C подаем частоту тактового генератора, на вход D выход микросхемы последнего в каскаде регистра. Таким образом при положительном перепаде тактового генератора будет происходить защелкивание данных входа D, при прохождении половины периода тактового генератора, на вход R будет подан низкий активный уровень и в соответствии с таблицей истинности триггера (таблица 4), на выходе триггера так же будет низкий уровень. Таким образом осуществляется нормировка данных преобразователя относительно опорного генератора, второй же D-триггер работая в счетном режиме выдаст на выходе требуемый код: если «1» – то изменение уровня, если «0» - то не изменение. На вход R второго D-тригера подан внешний сигнал начала передачи данных, который сбрасывает триггер в «0» уровень, подготавливая его к передачи следующей посылке.
Для предустановки регистров и триггеров необходим сигнал высокого уровня. Такой сигнал формируется подачей напряжения +5В через токоограничивающий резистор R4 номиналом 1кОм.
В результате объединения рассчитанных узлов оформляется схема электрическая принципиальная НУРС.426441.001ЭЗ
6 КОНСТРУКТОРСКО-ТЕХНОЛОГИЧЕСКАЯ ОТРАБОТКА СХЕМЫ ЭЛЕКТРИЧЕСКОЙ ПРИНЦИПИАЛЬНОЙ
6.1 Отработка электромагнитной и тепловой совместимости
Изделие не требует специальных мер для отвода рассеиваемой мощности, экранирования, компоновке функциональных узлов по отношению к другим функциональным узлам или группам элементов.
6.2 Отработка схемы на надежность
На величину надежности изделия влияет как надежность активных элементов входящих в состав изделия, так и пассивных, надежность пайки и контактов. Показателем позволяющим оценить надежность всего изделия является среднее время наработки изделия: величина обратная интенсивности отказов всего изделия, которая может быть получена суммированием интенсивности отказов всех элементов, узлов и блоков входящих в данное изделие:
lобщ = N1×l1 + N2×l2 + … + Nk×lk, (6.1)
li – интенсивность отказов элементов типа i;
Ni – количество элементов типа i;
k – количество типов элементов.
Таким образом величину среднего времени наработки изделия можно вычислить по формуле:
T = 1 / lобщ. (6.2)
Рассчитаем интенсивность отказов преобразователя параллельного кода. Исходными данными для расчета будут являться средние величины отказов по ОСТ4 ГО.202.014.
Таблица 5- Расчет среднего времени наработки изделия
|
Тип элемента |
Интенсивность отказов элемента, 1/ч |
Количество элементов |
Интенсивность отказов элементов, 1/ч |
|
К555ИР9 |
0.2×10-6 |
4 |
0.8×10-6 |
|
К555ТМ2 |
0.2×10-6 |
2 |
0.4×10-6 |
|
C1-4-0.125 |
3×10-6 |
4 |
12×10-6 |
|
К71-9а-32В-220пФ |
0,1×10-6 |
1 |
0,1×10-6 |
|
К50-40н-16В-47мкФ |
0,2×10-6 |
1 |
0,2×10-6 |
|
РК-170ЬА-6АП-2000К |
0,2×10-6 |
1 |
0,2×10-6 |
|
ОН-КГ-125 |
0.0015×10-6 |
28 |
0,05×10-6 |
|
Пайка |
0,001×10-6 |
134 |
0,14×10-6 |
|
Интенсивность отказов изделия |
13,9×10-6 1/ч | ||
|
Среднее время наработки изделия |
70000 ч | ||
Среднее время наработки на отказ удовлетворяет данным указанным в техническом задании.
6.3 Отработка технологичности
В соответствии техническим задание размеры платы должны составлять 100x80x15мм. Коммутация входных и выходных сигналов, а также питания должны осуществляться через малогабаритный двухрядовый угловой разъем XP1, имеющий общую длину 51мм и размещенный вдоль меньшей стороны платы. Плата должна содержать необходимые технологические отверстия для крепления корпусе камеры.
Специальных мер по экранированию и теплоотводу не требует.
7 МЕРОПРИЯТИЯ ПО ТЕХНИКЕ БЕЗОПАСНОСТИ
Разработанное изделие не содержит элементов находящихся под напряжением, опасным для жизни. Устанавливается в закрытый корпус видеокамеры и соответствует общим требованиям техники безопасности видеокамеры.
Приложение А
А.1 МОДЕЛИРОВАНИЕ РАБОТЫ УСТРОЙСТВА В СРЕДЕ MICROCAP
А.1.1 Обзор возможностей среды MicroCap 7.0
Моделирование работы устройства всегда занимало важную часть в его разработке, по этому, не удивителен интерес проявляющийся к средствам автоматического моделирования. Такой средой и является пакет MicroCap 7.0.
Среда MicroCap позволяет моделировать работу аналоговых и цифровых устройств, рассчитывать и проектировать фильтры, колебательные контура, предоставляет временные диаграммы сигналов в различных участках схемы. К сожалению данный пакет (как и множество других) практически не возможно перенастроить под существующие российские государственные стандарты, а большая цена пакета, не позволяет его приобрести. Для моделирования работы преобразователя кода использовался MicroCap 7.0(Demo Version) обладающего рядом ограничений, в основном касающихся проектирования и моделирования аналоговой техники, но вполне позволяющий смоделировать работу цифровой части преобразователя кода.

