Дискретные электронные устройства: преобразователь кодаРефераты >> Радиоэлектроника >> Дискретные электронные устройства: преобразователь кода
Таблица 3 – Таблица истинности регистра сдвига К555ИР10
| Режим работы | Вход | Выход | Внутр. | ||||
| EL | C | R | D0-D7 |
D8 | 8 | q1-q8 | |
| загрузка | н | | в | x | н | н | x |
| н | | в | x | в | В | x | |
| сдвиг | в | | в | x | х | Q7 | x |
| хранение | в | в | в | x | x | q | x |
| в | н | в | x | x | q | x | |
| сброс | x | x | н | x | x | н | н |
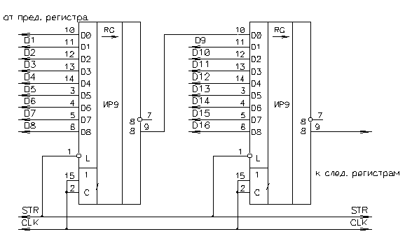
Рассмотрим таблицы истинности восьмибитовых регистров. Основным отличием регистра ИР9 от регистра ИР10 является возможность асинхронной параллельной записи. В соответствии с техническим заданием сигнал к передаче данных имеет длительность 100нс, без применения специальных мер по задержке и синхронизации параллельную запись невозможно осуществить в регистр ИР10. Таким образом для реализации функции преобразования параллельного кода в последовательный выбрана микросхема сдвигающего регистра К555ИР9.
Так как количество разрядов данных, которые необходимо обработать превосходит разрядность одной микросхемы регистра, необходимо объединить их в каскады в соответствии с приведенной схемой на рисунке 7. Таким образом обеспечивается требуемая разрядность.
Для формирования посылки воспользуемся предварительной установкой значений регистра. Сигналу посылки соответствует параллельный код длительностью 4 бита: предварительный «0», изменение уровня – «1», не изменение уровня – «0» и изменение уровня – «1». Таким образом необходимо 28 разрядов для передачи данных. Общая длительность посылки блока данных соответственно составила 24*0.5мкс = 14мкс, при периоде стартового сигнала 15.625мкс. Поместим в начале посылки еще один «0», чтобы увеличить стабильность работы узла, избежав опасной ситуации, когда стартовый сигнал совпадет с тактовой частотой устройства. На оставшиеся свободными разряды также подадим «0».
![]() |
Таким образом на выходе преобразователя будет присутствовать последовательный код данных разрядностью 24бит, снабженный в начале специальными данными длиной 5бит.
5.2 Разработка и расчет узла формирователь
![]() |
Рисунок 8 – Микросхема К555ТМ2
Таблица 4 – Таблица истинности элемента триггера К555ТМ2
|
Вход |
Выход | ||||
|
S |
R |
C |
D |
Q |
не-Q |
|
н |
в |
х |
х |
в |
н |
|
в |
н |
х |
х |
н |
в |
|
н |
н |
х |
х |
в |
в |
|
в |
в |
|
1 |
в |
н |
|
в |
в |
|
0 |
н |
в |
|
в |
в |
н |
x |
Q0 |
Не-Q0 |
|
в |
в |
в |
x |
Q0 |
Не-Q0 |


