Выбор схемы развития районной электрической сетиРефераты >> Инвестиции >> Выбор схемы развития районной электрической сети
Выбранные шины механически прочны, т.к. 7,86< 75
6.8. Собственные нужды и оперативный ток.
Состав потребителей собственных нужд подстанции (СН) зависит от мощности трансформаторов, конструктивного выполнения подстанции, наличия синхронных компенсаторов, типа электрооборудования, способа обслуживания и вида оперативного тока.
Наименьшее количество потребителей СН на подстанциях, выполненных по упрощённым схемам, без синхронных компенсаторов – это электродвигатели обдува трансформаторов, обогрева приводов шкафов КРУН, а также освещение подстанции.
Наиболее ответственными потребителями СН подстанции являются оперативные цепи, система связи, телемеханики, система охлаждения трансформаторов, аварийное освещение, система пожаротушения, электроприёмники компрессорной.
Мощность потребителей СН невелика, поэтому они присоединяются к сети 380/220В, которая получает питание от понижающих трансформаторов.
Мощность трансформаторов СН выбирается по нагрузкам СН с учётом коэффициента загрузки и одновременности, при этом отдельно учитывается летняя и зимняя нагрузки, а также нагрузка в период ремонтных работ на подстанции.
Нагрузка СН подстанции определяется как по установленной мощности (Ру), с применением
и подсчитывают по формуле:
(6.36)
где
- коэффициент спроса, учитывающий коэффициенты одновременности и загрузки. В ориентировочных расчётах можно принять
При двух трансформаторах СН с постоянным дежурством, мощность трансформаторов выбирается из условия:
(6.37)
- коэффициент допустимой аварийной перегрузки, его можно принять равным 1,4.
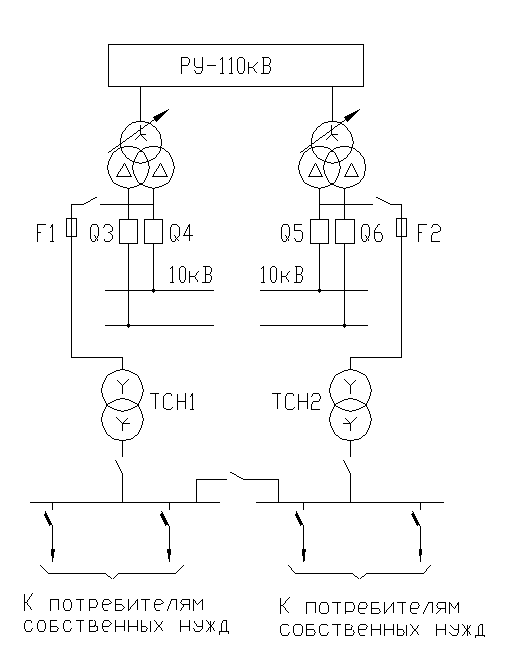
Схема подключения ТСН выбирается из условия надёжного обеспечения питания ответственных потребителей. Выбираем схему питания СН с выпрямленным переменным оперативным током (рис.6.2). Трансформаторы СН присоединяются отпайкой к вводу главных трансформаторов. Такое включение обеспечивает возможность пуска ПС независимо от напряжения в сети 10кВ.
Рис. 6.2 Схема питания собственных нужд.
Таблица 6.10
Нагрузка собственных нужд подстанции.
| Вид потребителя | Установленная мощность |
|
| Нагрузка | ||
| Единицы, КВт*кол-во | Всего, кВт |
кВт |
кВт | |||
|
Охлаждение ТРДН25000/110 | 2,5х2 | 5 | 0,85 | 0,62 | 5 | 3,1 |
|
Подогрев выключателей и приводов | 15,8х2 | 31,6 | 1 | 0 | 31,6 | |
|
Подогрев шкафов КРУН | 1х22 | 22 | 1 | 0 | 22 | |
|
Подогрев приводов разъединителей | 0,6х8 | 4,8 | 1 | 0 | 4,8 | |
|
Отопление, освещение, вентиляция | 60 | 1 | 0 | 60 | ||
|
ОПУ | ||||||
|
Освещение ОРУ-110кВ | 2 | 1 | 0 | 2 | ||
| 125,4 | 3,1 | |||||
Расчётная нагрузка при Кс=0,8:
(6.38)
Принимаем два трансформатора ТМ-100 кВА. При отключении одного трансформатора, второй будет загружен на 125,44/100=1,254 , т.е. меньше чем на 40 %, что допустимо.
6.9. Выбор ограничителей перенапряжений.
Ограничители перенапряжений являются основным средством ограничения атмосферных перенапряжений.
Выбор ограничителей перенапряжения производится в соответствии с номинальным напряжением защищаемого оборудования, уровнем электрической прочности его изоляции и наибольшей возможной величиной напряжения частотой 50Гц между проводом и землёй в месте присоединения ограничителя перенапряжений к сети.
Выбираем ограничитель перенапряжения типа
ОПН-П1-110/88/10/2 УХЛ1
7. Конструктивное выполнение подстанции.
К конструкциям РУ предъявляются следующие основные требования:
1. Надёжность – применительно к конструкциям РУ надёжность достигается за счёт выполнения двух основных правил:
- соблюдение допустимых расстояний между токоведущими частями;
- взаимное расположение токоведущих частей различных цепей;
2. Безопасность – применительно к конструкциям РУ безопасность достигается за счёт исключения попадания обслуживающего персонала под напряжение:
- расположение токоведущих частей на высоте;
