Проектирование железобетонного промышленного зданияРефераты >> Строительство >> Проектирование железобетонного промышленного здания
и а=0,02м <0,15·h = 0.15·0.7 = 0.105м , φsb = 0,0,79.
αS =
0,178
φ= 0,69+2(0,79-0,69)0,178 =0,75
φ(RbA + RscAs,tot) = 0,75·(11,5·1,1·103·0,4·0,7 + 365·103·14,82·10-4)= 3062кН > 1328,1кН.
Проверка на устойчивость из плоскости поперечной рамы выполняется.
4.2.4. Назначение и расстановка поперечной арматуры
Из условия свариваемости в соответствии с [6, прил.9] принимаем поперечную арматуру диаметром 6 мм (АIII). В соответствии с [4, п.5.22] назначаем шаг поперечной арматуры 400 мм (< 500, < 20d = 20
20= 400).
Сетки косвенного армирования в нижней части колонны не устанавливаются.
4.3. Расчет консоли колонны
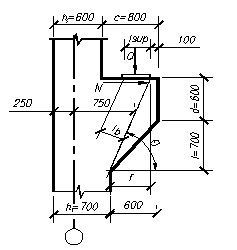
Основные размеры консоли показаны на рисунке 4.8.
Рис. 4.8 - Расчетная схема консоли.
Исходные данные: hв = 600мм; с = 800мм; hн = 700мм; d = 600мм;
е = 700мм; lsup = 250мм (для балки пролётом 6 м);
кН;
Класс бетона - В 20: RB=11,5 МПа, RBt=0,90 МПа [3, табл.13];
Ев 240000 МПа [3,табл.18];
Класс арматуры A-III; Rs = 365 МПа; Rsc = 365 МПа [3, табл. 22];
Т.к. вылет консоли с = 800мм меньше 0,9·hк = 0,9·(700+600)=1170мм, то расчёт ведётся как для короткой консоли.
Расчет окаймляющих стержней:
Из рисунка 4.8 следует:
0,956, отсюда θ =73 о ;
где hк = d+l = 700 + 600 = 1300мм; f = 600 -100=500мм;
N0=Q·ctgθ = 664.28·ctg73o = 195.9кН
5.4·10-4 м2
Принимаем 2ø20 AIII (As=6,28·10-4 м2).
Требуемая длина анкеровки:
мм,
но не менее
12·20 = 240 мм и
=200 мм.
Принимаем длину анкеровки l = 300 мм.
Расчёт хомутов.
Условие прочности:
[3, (85)]
Из условия свариваемости с ø20 [5, прил.9] принимаем хомуты Æ6 AIII (Asw=0.283см2).
Шаг назначаем из условий:
150мм. Но Sw≤150мм. Принимаем Sw = 150мм:
Тогда
9,43·10-4
lb = lsupSinθ = 250·0,956=239мм;
1,04 [3, (87)]
тогда Q ≤ 0.8·1.04·11.5·103·1.1·0.4·0.239·0.956 =961.9 кН [3, (85)]
Правая часть условия (85) принимается:
1. Не более 3.5Rbtbh0 = 3.5·0.9·103·1.1·0.4·(1.3 – 0.03)= 1760кН;
2. Не менее меньшего из 2-х значений:
2.5Rbtbh0 = 2.5·0.9·103·1.1·0.4·(1.3 – 0.03)= 1257кН;
2104кН.
Принимаем правую часть [3, (85)] равной 961.9 кН, тогда условие прочности
Q = 664.28кН < 961.9кН выполняется.
4.4. Проектирование стыка рабочей продольной арматуры
В соответствии с [3, п. 5.38] длина перепуска
. По [3, табл.37] для стыков арматуры в растянутом бетоне при диаметре 20 мм:
740 мм,
но не менее
20·20 = 400 мм и
=250 мм. Принимаем длину перепуска l = 750 мм.
В соответствии с [3, п. 5.22] расстояние между хомутами по длине перепуска должно составлять не более 10dmin = 10·20 = 200 мм. В местах нахлёста арматуры принимаем хомуты диаметром 6 мм (АIII) и шагом 160 мм.
Армирование консоли показано на рисунке 4.9.
Рис. 4.9 - Армирование консоли.
5. РАСЧЕТ БЕЗРАСКОСНОЙ ФЕРМЫ.
5.1. Геометрические размеры фермы и поперечных сечений элементов
По проекту рассчитывается безраскосная ферма пролётом 18 м.
Сетка колонн 24·6 м, нагрузка на 1 м2 покрытия составляет:
Полная 3,32+2=5,32 кН/м2, в том числе снег 1,33 кН/м2.
В соответствии с [1, табл.12], этой нагрузке соответствует 1-й тип опалубки. Размеры поперечных сечений элементов фермы для 1-го типа опалубки составляют (b
h) [1, табл.13]:
1) Верхний пояс – 0,24
0,20;
2) Нижний пояс – 0,24
0,22;
3) Стойки – 0,24
0,25
Ферма с нанесёнными размерами элементов показана на рисунке 5.1.
Рис. 5. - . Геометрическая схема безраскосной фермы.
5.2 Статический расчет фермы
Статический расчет безраскосных ферм производится на ЭВМ по программе MKEG для статически неопределимых систем .
Исходные параметры расчета стержневой системы (фермы):
1. Количество элементов – 23;
2. Количество закрепленных узлов – 2;
3. Всего узлов – 16;
4. Шифр фермы – KGK24-1;
5. Количество загруженных узлов – 7;
6. Величина узловой нагрузки – кН:
95,76 кН
Усилия в элементах фермы приведены в таблице 14.
Результаты расчета фермы на ЭВМ (усилия в элементах фермы) приведены в таблице 5.1.
Для удобства вычисления ядровых моментов и выбора РСУ усилия в элементах сведены в таблицу 5.2 (Рассматривается половина фермы ввиду её симметрии).
Таблица 5.2 – Расчетные сочетания усилий.
|
Элемент |
h, см |
r = h/6, м |
М, кНм |
N, кН |
|
|
верхний пояс |
0.2 |
0.033 |
12.856 |
-861.268 |
41.56 |
|
-25.27 |
-817.695 |
52.53 | |||
|
4.312 |
-778.494 |
30.26 | |||
|
3.231 |
-770.184 |
28.9 | |||
|
стойка |
0.22 |
0.0367 |
12.414 |
-23.961 |
13.29 |
|
12.625 |
20.121 |
13.36 | |||
|
-4.588 |
-2.651 |
4.685 | |||
|
0 |
-1.753 |
0.064 | |||
|
нижний пояс |
0.25 |
0.0417 |
20.929 |
796.461 |
54.11 |
|
-32.633 |
776.692 |
65 | |||
|
6.082 |
765.784 |
37.99 | |||
|
4.122 |
768.748 |
36.15 |
