Проектирование железобетонного промышленного зданияРефераты >> Строительство >> Проектирование железобетонного промышленного здания
1. Определяем раскрытие трещин от кратковременного действия всех нагрузок
. Эксцентриситет равнодействующей продольных сил
и
относительно центра тяжести сечения равен:
м
м.
Т.к. ![]()
то можно в формуле [3, (148)] принять
(
м расстояние между арматурой
и
).
Тогда напряжение в арматуре:
[3, (148)]
где
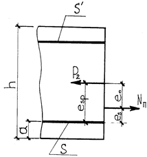
- эксцентриситет силы
относительно арматуры
(рис. 5.5)
м
Рис.5.5 - Приложение силы преднапряжения.
Эксцентриситет силы
относительно арматуры
:
м.
206,6 МПа [3, (148)];
мм [3, (144)];
2. Определяем
- раскрытие трещин от кратковременного действия постоянной и длительной нагрузки при
Так как
сечение растянуто.
м
м.
Т.к. ![]()
то можно в формуле [3, (148)] принять
м.
м
м.
159,7 МПа [3, (148)];
мм [3, (144)];
3. Определяем
- продолжительное раскрытие трещин (от постоянной и длительной нагрузки) при
и
=1,311:
мм [3, (144)];
Непродолжительное раскрытие трещин равно:
Полученные значения раскрытия трещин
и
не превышают предельных величин, установленных нормами проектирования.
5.4.6. Назначение поперечной арматуры
Для крепления поперечной арматуры дополнительно вводим в сечение конструктивную продольную арматуру 4Ø10AIII. Согласно [3, п.5.22] принимаем поперечную арматуру с шагом 500 мм. Диаметр арматуры назначаем из условия свариваемости [4, прил.9] и наличия в сортаменте. Принимаем Ø6AIII.
5.5. Расчет стоек
Класс бетона: В25,
14,5 (
МПа),
27000 МПа.
Класс арматуры: A-III,
Сечение 24´28 см.
Расчетные усилия:
Сжатая стойка 2 – 3:
,
,
[табл. 5.2];
l=1,525 м [табл. 5.1].
Растянутая стойка: 6 – 7:
,
[табл. 5.2];
l=2,735 м [табл. 5.1].
5.5.1. Расчет внецентренно сжатой стойки
Определение коэффициента продольного изгиба
Свободная длина в плоскости фермы [3, табл.33]:
м;
Гибкость стойки:![]()
;
Так как
, то необходимо учитывать продольный изгиб.
Эксцентриситет
Вычисляем случайные эксцентриситеты:
м ,
м.
Принимаем наибольшее значение:
1,847 м.
Усилия от длительной нагрузки:
кН;
кН.
кНм,
кНм.
;
, но не менее:
;
принимаем
6,596;
м-4;
, откуда
0,05% [3, табл. 38];
0,00576
м-4;
