Проектирование железобетонного промышленного зданияРефераты >> Строительство >> Проектирование железобетонного промышленного здания
Суммарная арматура: AS + A’S = 22,8 м2.
Процент армирования сечения:
Проверка размещения стержней в сечении:
b > 3·2,2 + 2·5 + 2·2,5 = 21см.
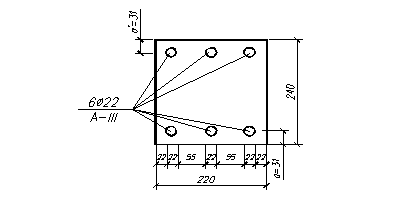
Размещение стержней показано на рисунке 5.4.
Рис. 5.4 – Размещение продольной напрягаемой арматуры.
5.4.2. Назначение предварительного напряжения
В соответствии с [3, п. 123] должны удовлетворяться условия:
σsp + p ≤ Rs,ser; σsp - p ≥ 0.3Rs,ser; [3, (1)]
Величина р при механическом способе натяжения арматуры принимается равной p = 0.05σsp [2, п.1,23], тогда:
МПа.
Назначаем σsp = 550МПа.
5.4.3. Потери предварительного напряжения
Натяжение арматуры производится на упоры [по заданию].
Первые потери
1) От релаксации напряжения при механическом способе натяжения стержневой арматуры:
σ 1 = 0.1σsp -20 = 55 – 20 = 35МПа;
2) От перепада температур для бетона В25:
σ 1 = 1.25Δt = 1.25·65 =81МПа;
3) От деформации анкеров:
16МПа;
4) От позиции 4 [3, табл.5] потерь нет (натяжение на упоры);
5) От позиции 5 [3, табл.5] потерь нет (стержневая арматура);
6) Потери от быстро натекающей ползучести
:
Усилие в арматуре с учетом потерь (позиции 1 – 5):
P1 = [σ – (σ1+σ2+σ3)]Asp = [550 – (35+81+16,1)]22,8·10-4·103 = 953 кН;
Сжимающие напряжения в бетоне от силы Р1:
где Ared = Ab + αAS = 0.24·0.22 + 7.04·22.8·10-4 = 0.069 м2
Передаточная прочность бетона принимается по [3, п.2.6].
Для арматуры класса А-IV:
Rbp ≥ 11МПа кроме того, Rbp ≥ 0,5B = 0,5·25 =12,5МПа.
Принимаем Rbp =12,5МПа;
α=0,25+0,025Rbp =0.25+0.025·12.5 =0.563 < 0.8;
β=5.25-0.185 Rbp = 5.25 – 0.185·12.5 = 2.94 (но не более 2.5), принимаем β=2,5;
Т.к.
> α, то
117МПа
Суммируем, первые потери напряжений:
σlos1 = 35+81+16+0+0+117 = 249МПа
Усилие в арматуре с учетом первых потерь:
P1 = (σsp –σlos1 )As = (550 – 249)22.8·10-4·103 = 682.3кН.
Вторые потери
7) Потери релаксации напряжений арматуры учтены в 1) пункте;
8) Потери напряжений от усадки бетона при классе бетона В25 и тепловой обработке σ8=35 МПа.
9) Ползучесть бетона:
Сжимающие напряжения в бетоне с учетом первых потерь:
МПа. Так как
>0.75, то:
106МПа.
α = 0,85 –коэффициент принимаемый для бетона подвергнутого тепловой обработке при атмосферном давлении.
Полные потери:
σlos = σlos1 + σlos2 = 249+(35+106) = 390МПа
МПа
МПа.
Усилие предварительного обжатия с учетом полных потерь напряжений:
кН.
5.4.4. Расчет по образованию трещин
Средний коэффициент надежности по нагрузке определяем по [табл.2.1] с учетом снеговой нагрузки:
;
Нормативные усилия равны (первая панель нижнего пояса):
8,502 кНм;
324,6 кН.
Нормативные усилия от длительных нагрузок (см. раздел п.5.3):
7,262 кНм;
277,3 кН.
Проверка по образованию трещин производится по формуле
[3, (124)]
где
- момент от внешних сил относительно оси параллельной нулевой линии и проходящей через ядровую точку наиболее удаленную от растянутой зоны, трещиностойкость которой проверяется:
кНм;
кНм,
где
м,
где
- момент, воспринимаемый сечением при образовании трещин.
[3, (125)]
- ядровый момент от силы
.
кНм [3, (129)]
где
коэффициент точности натяжения арматуры при механическом способе натяжения [3, п.1.27].
55,58 кНм.
Так как при полном загружении нормативной нагрузкой условие [3, (124)] не выполняется (
= 66,87 >
= 55,58), а так же при действии длительной части нагрузки условие [3, (124)] не выполняется (
= 57,12 >
= 55,58), трещины образуются и необходимо проверить их раскрытие.
5.4.5. Расчет на раскрытие трещин
Ферма находится в закрытом помещении и поэтому относится к 3-ей категории трещиностойкости, для которой допускается ограниченное по ширине непродолжительное (
=0,4 мм) и продолжительное (
=0,3 мм) раскрытие трещин [3, п.1.16, табл.2].
Раскрытие трещин определяется по формуле:
[3, (144)]
где
для внецентренно растянутых элементов;
- коэффициент длительности действия нагрузки. Для непродолжительного действия нагрузки
=1. Для тяжёлого бетона естественной влажности при длительном действии нагрузки
, где
- коэффициент армирования сечения:
;
- для стержневой арматуры периодического профиля; d=14 - диаметр арматуры в мм;
- приращение напряжений в арматуре от действия внешней нагрузки [3, п.4.15].
