Расчёт и проектирование конструкций балочной клеткиРефераты >> Строительство >> Расчёт и проектирование конструкций балочной клетки
;
;
Назначим по сортаменту I 23Б1 c
;
;
.
Проверим жёсткость выбранного сечения:
условие удовлетворяется
Рассчитываем вспомогательные балки:
;
.
Назначим по сортаменту I 70Б1 c
;
;
.
Проверим жёсткость выбранного сечения:
условие удовлетворяется
Расход материала:
,
.
ВЫВОД: расход материалов приблизительно одинаков, но по трудоёмкости второй вариант сложнее, поэтому для дальнейшей разработки принимается первый вариант, так как он более удобен для изготовления, монтажа и сокращает строительную высоту перекрытия.
2. РАСЧЁТ И КОНСТРУИРОВАНИЕ ГЛАВНОЙ БАЛКИ
2.1. Расчётные нагрузки и усилия
Нагрузки на наиболее нагруженные балки по средним осям:
;
.
Момент в середине пролёта:
;
Поперечная сила на концах:
.
Относим главную балку к II группе конструкций по [4] и назначаем для неё сталь 18ПС (С245) с расчётным сопротивлением
.
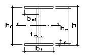
2.2. Подбор сечения главной балки
Рисунок 3 – Поперечное сечение главной балки
Минимальная высота сечения главной балки по требованиям жёсткости при норме прогиба
.
Найдём наименьший момент сопротивления:
,
где
коэффициент условия работы конструкции.
Определяем высоту сечения
:
Минимальная высота сечения из соображения жёсткости при
:
Оптимальная высота сечения из соображений экономии:
,
где
гибкость стенки.
Предельная высота сечения главной балки определяется из условия обеспечения заданной строительной высоты перекрытия.
Исходя из условия
, назначаем высоту сечения, близкой к оптимальной:
.
Определим толщину стенки:
Из условия прочности на срез в опорном сечении:
,
где
;
.
Из условия постановки только поперечных рёбер жёсткости, толщина стенки:
Из условия получения оптимальной, ранее предполагаемой гибкости стенки
:
.
Окончательно назначим толщину стенки по сортаменту
.
Определяем сечение поясных листов:
Окончательно по сортаменту принимаем размеры поясных листов:
;
;
.
Проверим условие свариваемости:
условие свариваемости выполнено.
2.3. Проверка принятого сечения
Вычисляем геометрические характеристики сечения:
Момент инерции:
, (2.3.1)
,
где
,
.
Момент сопротивления:
условие удовлетворяется.
Определим относительное превышение:
условие удовлетворяется.
Проверка по нормальным напряжениям:
кН/см2, (2.3.2)
условие прочности выполняется.
Изменение напряжения (недогруз):
.
2.4. Изменение сечения главной балки по длине
Рисунок 4 – Схема к расчёту
Проектируем изменение сечения балки изменением сечения поясных листов на расстоянии
м от каждой из опор, уменьшаем сечения поясных листов.
Расчётные усилия в месте изменения сечения
, кН* м, (2.4.1)
